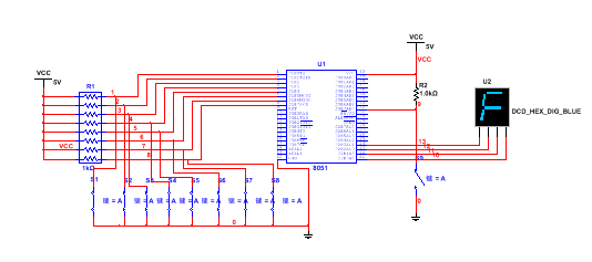
电路图

代码模板
#include<reg51.h>
#define uchar unsigned char
#definr uint unsigned int
sbit KEY1 =P1^0;
sbit KEY2 =P1^1;
sbit KEY3 =P1^2;
sbit KEY4 =P1^3;
sbit KEY5 =P1^4;
sbit KEY6 =P1^5;
sbit LED1 =P3^6;
sbit LED2 =P3^7;
sbit LED3 =P3^8;
uint uimoney_value;
uchar uckey_value;
void delay_ms(unit uicount);
void key_scan();
void key_function();
void disp();
void main(void)
{
while(1)
{
key_scan();
key_function();
disp();
}
}
void delay_ms(uint uicount)
{
uint i,j;
for(i=0;i<uicount;i++);
for(j=0;j<120;j++);
}
void key_scan()
{
if(0==KEY1)
{
delay_ms(3);
if(0==KEY1)
{
while(0==KEY1);
uckey_value=1;
}
}
else if(0==KEY2)
{
delay_ms(3);
if(0==KEY2);
{
while(0==KEY2);
uckey_value=2;
}
}
else if(0==KEY3)
{
delay_ms(3);
if(0==KEY3)
{
while(0==KEY3);
uckey_value=3;
}
}
else if(0==KEY4)
{
delay_ms(3);
if(0==KEY4)
{
while(0==KEY4);
uckey_value=4;
}
}
else if(0==KEY5)
{
delay_ms(3);
if(0==KEY5)
{
while(0==KEY5);
uckey_value=5;
}
}
else if(0==KEY6)
{
delay_ms(3);
if(0==KEY6)
{
while(0==KEY6);
uckey_value=6;
}
}
else
{
uckey_value=0;
}
}
void key_function()
{
if(1==uckey_value)
{
uimoney_value+=5;
if(uimoney_value>995)
{
uimoney_value=995;
}
}
else if(2==uckey_value)
{
uimoney_value=10;
if(uimoney_value>995)
{
uimoney_value=995;
}
}
else if(3==uckey_value)
{
uimoney_value=0;
}
else if(4==uckey_value)
{
if(uimoney_value>=10)
{
uimoney_value-=10;
}
}
else if(5==uckey_value)
{
if(uimoney_value>=15)
{
uimoney_value-=15;
}
}
else if(6==uckey_value)
{
if(uimoney_value>=20)
{
uimoney_value-=20;
}
}
else
{ ;}
}
void disp()
{
if(uimoney_value>=20)
{
LED1=0;
LED2=0;
LED3=0;
}
else if(uimoney_value>=15)
{
LED1=0;
LED2=0;
LED3=1;
}
else if(uimoney_value>=10)
{
LED1=0;
LED2=1;
LED3=1;
}
else
{
LED1=1;
LED2=1;
LED3=1;
}
P0=uimoney_value/100;
P2=(uimoney_value%100/10)*16+uimoney_value%10;
}
最后
以上就是大意紫菜最近收集整理的关于八位竞赛抢答器基于Multisim代码模板的全部内容,更多相关八位竞赛抢答器基于Multisim代码模板内容请搜索靠谱客的其他文章。
本图文内容来源于网友提供,作为学习参考使用,或来自网络收集整理,版权属于原作者所有。
发表评论 取消回复