74LS148真值表

完整的8路抢答器电路图,有个缺点继电器动作时间太慢,另外8个抢答按键开关上端还需各串接1N4148二极管。八路抢答控制器抢答部分求大佬分析电路 - 24小时必答区 (51hei.com)

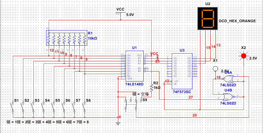
今天粗略弄了个锁存,没优化,这样电路有扩展,之下稍作修改电路,初始化为显示8,按下按键分别为0-7,这样电路有个缺点若有同时按下的无法辨别,需另外加电路显示以作区分,同时按下总是D序号后面的优先显示,D序号前面的会被屏蔽,这问题是由148造成的。


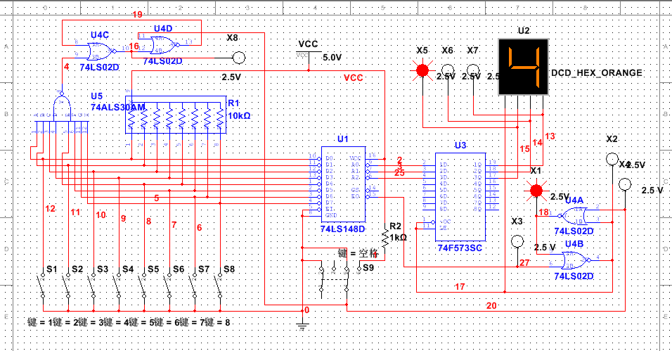
要实现检测是否同时按下,再使用右边锁存电路,存储8个按键即可;另一个方案是用锁存器作按键输入锁存后送译码,就是要加8个输入端的门电路的锁,之下依据思路设计了个草稿。

74LS148 是8 线-3 线优先编码器,共有 54/74148 和 54/74LS148 两种线路结构型式,将 8 条数据线(0-7)进行 3 线(4-2-1)二进制(八进制)优先编码,即对最高位数据线进行译码。利用选通端(EI)和输出选通端(EO)可进行八进制扩展。
因此若实际作为抢答器用的话有失公平,改用573作为抢答按键存储能反映实际情况,显示公平,74HC573是拥有八路输出的透明锁存器,输出为三态门,是一种高性能硅栅CMOS器件。SL74HC573跟LS/AL573的管脚一样。器件的输入是和标准CMOS输出兼容的,加上拉电阻他们能和LS/ALSTTL输出兼容。之上虽说是设计的草稿,实际也等同于设计完成了,只是没去重新画。
最后
以上就是聪慧西装最近收集整理的关于2020-09-16 multisim14仿真电路数字八路抢答控制器仿真的全部内容,更多相关2020-09-16内容请搜索靠谱客的其他文章。
本图文内容来源于网友提供,作为学习参考使用,或来自网络收集整理,版权属于原作者所有。
发表评论 取消回复