simulink中实现switch case的功能,可以直接采用switch-case的形式,也可以采用if的嵌套形式。
但是需要注意的是:如果是直接生成的是switch-case的形式,因为switch语句后面接的变量必须为整形,所以simulink中会自动进行转化。
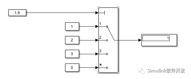
例如:

起初一看,1.9不在1,2,3三个条件之间应该执行default语句,也就是0。但是仿真的结果却是1。simulink在执行switch case的逻辑时,是先将double类型1.9转化为int32的类型,也就是1。然后再执行后续语句,所以最后的结果是1而不是0。
如果需要实现switch后的变量和case后的条件部分不为整形.那么建议使用if进行嵌套。

实例说明:
算法功能:
switch(x)
{
case 1: y=1; break;
case 2: y=2; break;
case 3: y=3; break;
default:y=0; break;
}
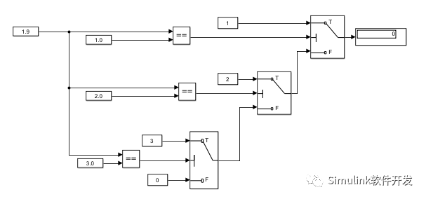
1>直接生成switch case形式
①.MultiportSwitch模块
模型:


代码生成:

②Switch Case和Switch Case Action Subsystem模块
模型:

代码生成:


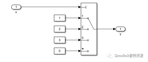
2>生成if嵌套形式
①stateflow
模型:



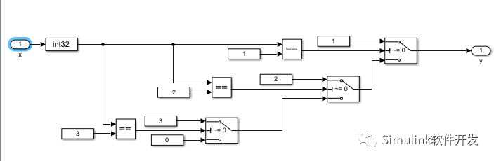
为使和上述功能保持一致,将输入做了强制转化

代码生成:

②switch模块
模型:
为使和上述功能保持一致,将输入做了强制转化

代码生成:

如果有用请帮忙转发或者点击看一看,有问题也欢迎进行留言。

最后
以上就是光亮草莓最近收集整理的关于if中的break_Simulink中switch case功能实现的全部内容,更多相关if中的break_Simulink中switch内容请搜索靠谱客的其他文章。
本图文内容来源于网友提供,作为学习参考使用,或来自网络收集整理,版权属于原作者所有。
发表评论 取消回复