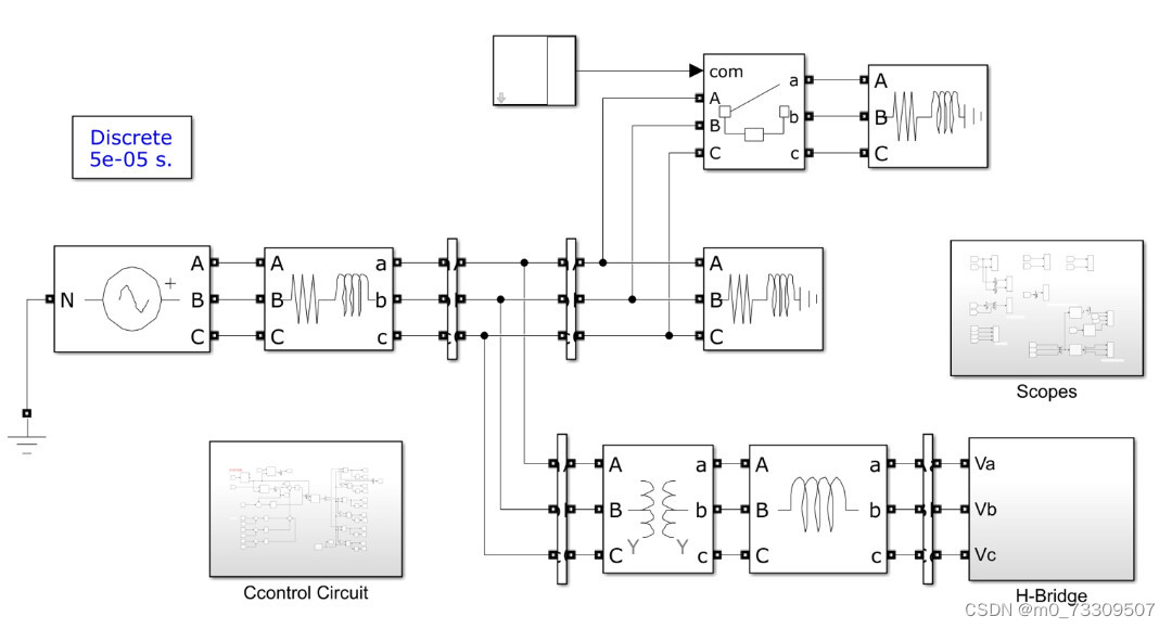
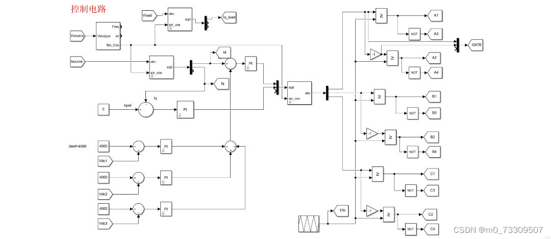
Statcom:基于MATLAB/Simulink的静止无功补偿器仿真模型,负载端加入断路器模拟断路故障。
仿真条件:MATLAB/Simulink R2015b

ID:4750647354331368
Silence



最后
以上就是漂亮早晨最近收集整理的关于Statcom:基于MATLAB/Simulink的静止无功补偿器仿真模型,负载端加入断路器模拟断路故障的全部内容,更多相关Statcom:基于MATLAB/Simulink内容请搜索靠谱客的其他文章。
本图文内容来源于网友提供,作为学习参考使用,或来自网络收集整理,版权属于原作者所有。
发表评论 取消回复