

文章目录
- 前言
- 推荐的学习资料
- 复习要点
- ==第一模块 电路分析基础==
- 小知识点
- 电位
- 参考方向
- 参考方向小练习
- 电容
- 电感
- 理想受控源
- 基尔霍夫定律
- 基尔霍夫电流定律(KCL)
- 基尔霍夫电压定律(KVL)
- 等效变换法
- 电阻的等效变换法
- 电源的等效变换法
- 串并联
- 理想电压源的串并联
- 理想电流源的串并联
- 电压源与电流源的相互转化
- 输入电阻
- 叠加原理
- 戴维南定理
- 诺顿定理
- ==第二模块 模拟电子技术基础==
- 小知识点
- 二极管
- 1. 二极管整流
- 2. 二极管导通
- 3. 稳压二极管
- 三极管(晶体管)
- 判断三极管极性和类型
- 基本放大电路
- 静态等效电路画法
- 基本放大电路的静态分析
- 动态等效电路画法
- 晶体管微变等效电路
- 集成运算放大器
- 求解方法
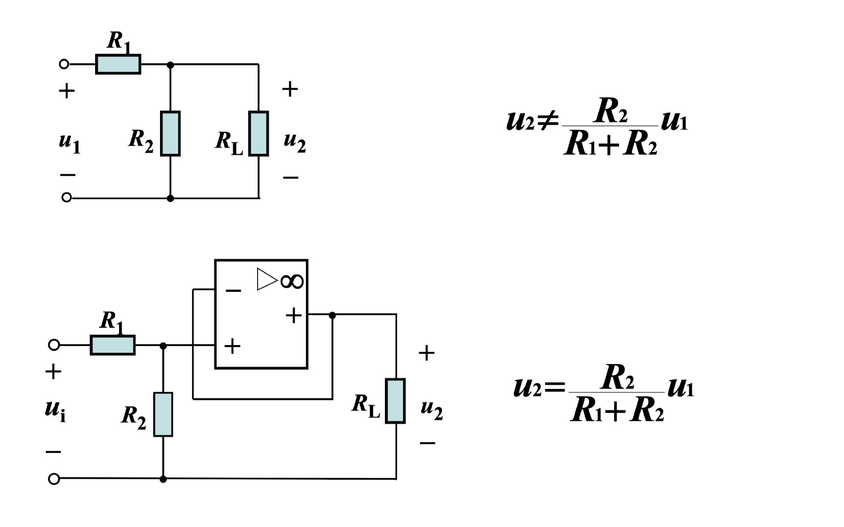
- 电压跟随器
- ==第三模块 数字电子技术基础==
- 小知识点
- 数制
- 码制
- 一、基本逻辑运算
- 二、复合逻辑门
- 三、三态输出与非门电路
- 基本运算
- 1. 基本运算定律
- 2. 基本运算规则
- 逻辑表达式
- 1. 逻辑函数表示形式的转换
- 2. 逻辑函数的化简
- 分析组合逻辑电路
- 编码器和译码器
- 1. 编码器
- 74LS148
- 2. 译码器
- 74LS138
- 3. 数字显示译码器
- 4. 数据分配器
- 74LS138
- 74LS151
- 四选一数据选择器扩为八选一数据选择器
- 例题
- 触发器
- 1. 同步RS触发器
- 2. 边沿JK触发器
- 3. 边沿D触发器
- JK触发器转换为D触发器
- 4. T触发器
- JK触发器转换为T触发器
- 时序逻辑电路
- 一、 寄存器
- 1. 数码寄存器
- 2. 移位寄存器
- 二、计数器
- 1. 同步二进制计数器
- 同步时序逻辑电路设计
- 2. 异步二进制计数器
- 3. 集成计数器
- ①74LS161集成计数器
- ②74LS90集成计数器
- 结语
前言
本文针对《电工电子技术 (第4版)》——徐淑华,此书进行简单知识总结。
本文可能对快速回忆知识点和预习有所帮助,但是更深理论知识还需要大家多刷题,多看定义。
推荐的学习资料
课本习题答案,京东阅读可以买电子版: 点击跳转
复习要点
- KVL、KCL、叠加原理、戴维南定理
- 二极管、三极管(晶体管)、基本放大电路、集成运放
- 进制转换、卡诺图化简、常见组合逻辑、JK触发器、异步同步时钟
第一模块 电路分析基础
小知识点
- 电源(或信号源):提供电能或信号
- 负载:吸收或转换电能,对信号进行处理
- 电位:在电路中选某一点为参考点,把任一点到参考点的电压称为该点 的电位。
- 电路符号为电源在电路中不一定起电源的作用, 电路符号为负载在电路中不一定起负载的作用。
- 理想电压源 :(a) 电源两端电压由电源本身决定,与外电路无关; (b) 通过它的电流是任意的,由外电路决定。
- 理想电流源:(a) 电源电流由电源本身决定,与外电路无关; (b) 电源两端=电压是任意的,由外电路决定。
- 齐性定理:线性电路中, 所有激励(独立源)都增大(或减小)同样的倍数,则电路中响应(电压或电流)也增大(或减小)同样的倍数。
- 二端网络:若一个电路只通过两个输出端与外电路相联,则 该电路称为“二端网络”。(Two-terminals = One port)
电位

参考方向

参考方向小练习

电路中,有的电路设备起电源作用,是电源性质,发出功率。有的电路设备起负载作用,是负载性质,吸收功率。
电压的三种表达方式

恒压源与恒流源特性比较

电容


电感


无源元件小结

当U为直流电压时,电感L看成短路,电容C看成断路
理想受控源
电压源电压或电流源电流不是给定的时间函数,而是受 电路中某个支路的电压(或电流)的控制。
电路符号

理想受控源的分类

受控电源与独立电源的比较
(1) 独立源电压(或电流)由电源本身决定,与电路中其它电压、电流无关,而受控源电压 (或电流 )直接由控制 量决定。
(2) 独立源作为电路中“激励”,在电路中产生电压 、电流,而受控源只是反映输出端与输入端的关系,在 电路中不能作为“激励”。
基尔霍夫定律
一组概念
- 支路 (branch): 电路中通过同一电流的每个分支 (b)
- 结点 (node):三条或三条以上支路的连接点( n )
- 路径(path): 两节点间的一条通路。路径由支路构成
- 回路(loop): 由支路组成的闭合路径。
- 网孔(mesh): 回路内部不另含支路的回路

基尔霍夫电流定律(KCL)


注意:
①KCL:是电荷守恒和电流连续性原理在结点 处的体现;结点不消耗也不储存电荷;
②KCL:是对结点处支路电流施加约束,与支路上接的是什么元件无关,与电路是线性还 是非线性无关;
③KCL:是按电流参考方向列写的,与电流实际方向无关。计算时才体现参考方向和实际 方向的差异。
基尔霍夫电压定律(KVL)

列写方法:
- 假设各元件电压参考方向
- 设定回路绕行方向,顺时针或逆时针
- 根据参考方向和第一公式列写


注意
①KVL:是电路的能量守恒的体现;
②KVL:是对回路中的支路电压施加约束,与回 路各支路上接的是什么元件无关,与电路是线 性还是非线性无关;
③KVL:是按电压参考方向列写,与电压实际方 向无关。计算时,才体现参考方向和实际方向 的差异。
等效变换法
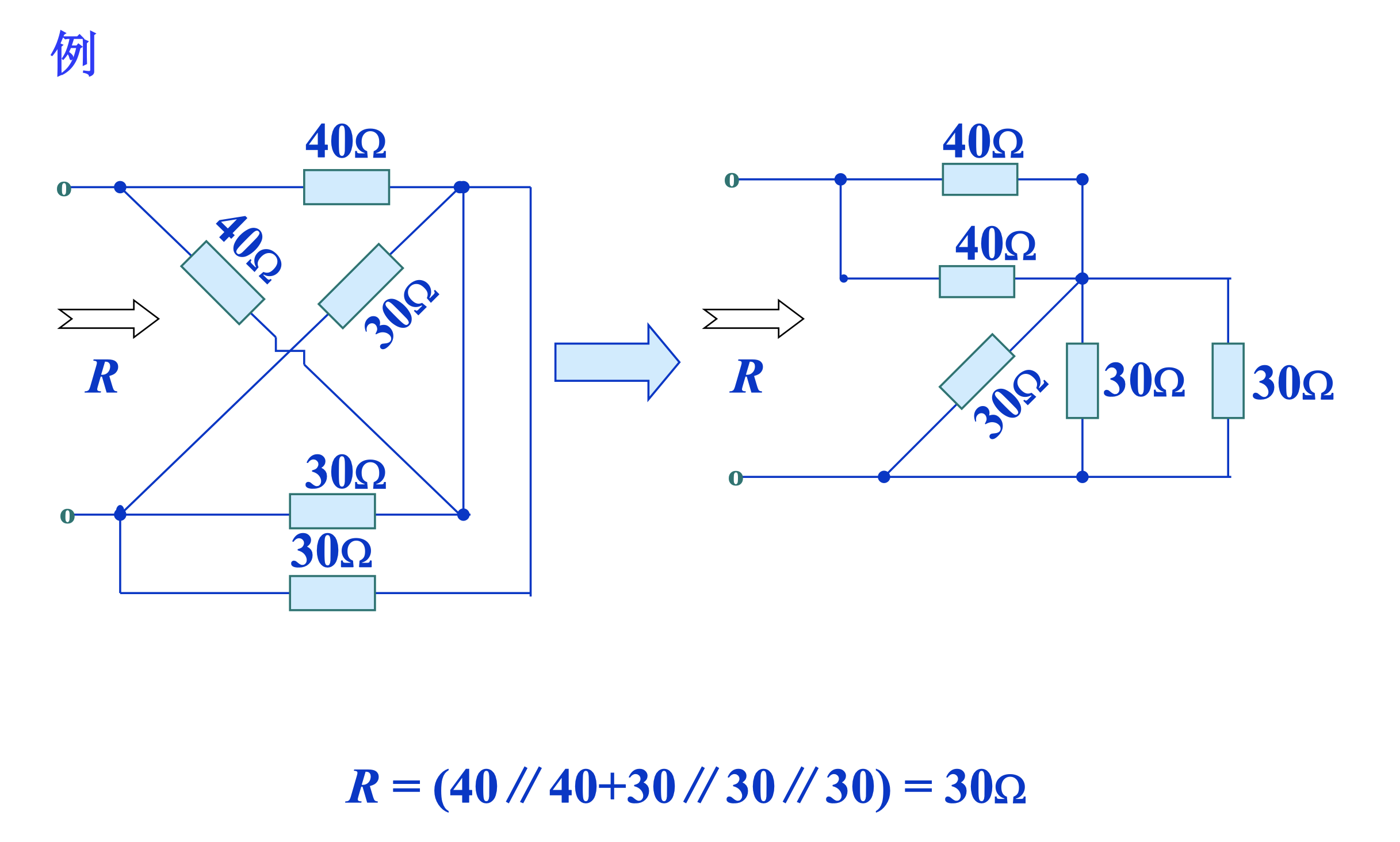
电阻的等效变换法
化简方法
- 正确判断串并联的关系
- 尽量缩短短路线。
- 等电位点的处理。(可开路或短路处理)



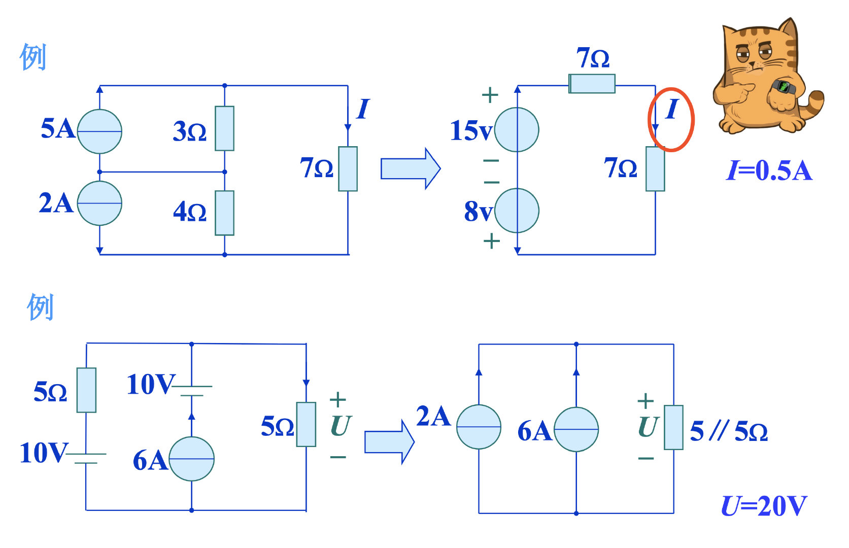
电源的等效变换法
串并联
理想电压源的串并联


理想电流源的串并联


电压源与电流源的相互转化

注意前后电流电压方向

电压源电流不是由自身决定,电流源电压不是由自身决定。正确理解是,电流源于电阻并联,Ur=10V,==> I = 5A ==> 流过电压表的电流为5-2=3A

输入电阻




叠加原理
-
定义:在多个电源同时作用的线性电路中,任何支路的电流或 任意两点间的电压,都是各个电源单独作用时所得结果 的代数和。
-
线性电路:电路中不含有任何非线性元件
-
电源的单独作用: 电路中每次只保留一个电源作用,其余电源均置零。电压源置零指把理想电压源短路,电流源置零指把理想电流源断路。


叠加原理只能用于电压或电流的计算,不能用来 求功率,即功率不能叠加。如:

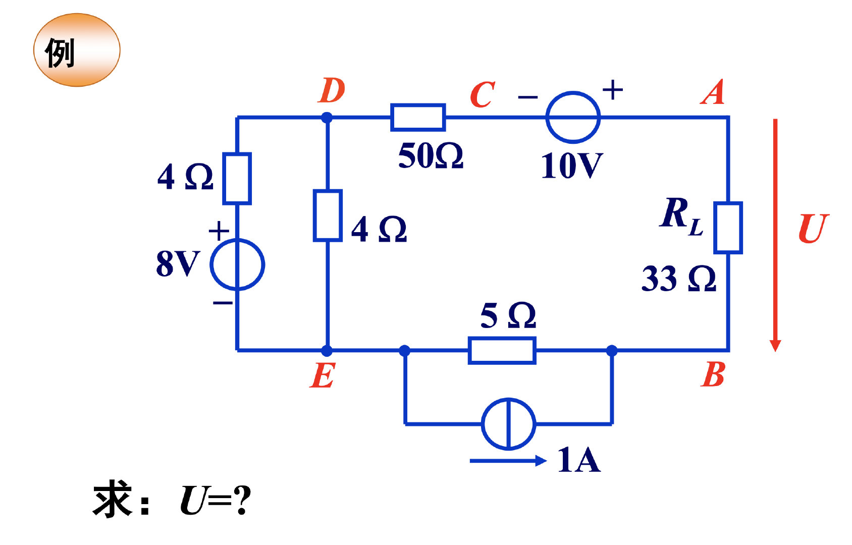
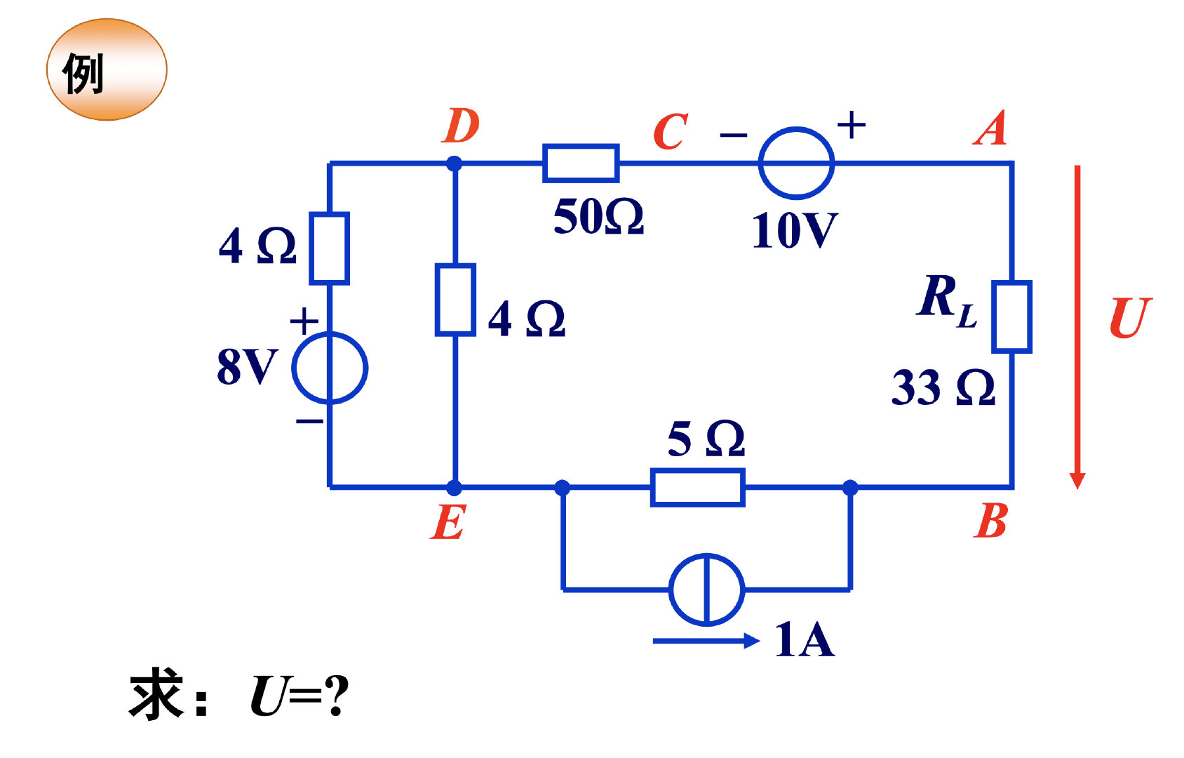
戴维南定理





诺顿定理

算到戴维南等效电路,将电压源转变成电流源即可,这里就不展示了。
第二模块 模拟电子技术基础
小知识点
- 导体:自然界中很容易导电的物质,例如金属。
- 绝缘体:电阻率很高的物质,几乎不导电,如橡皮、陶瓷、 塑料和石英等。
- 半导体:导电特性处于导体和绝缘体之间的物质,例如锗、 硅、砷化镓和一些硫化物、氧化物等。
半导体的特点
- 当受外界热和光的作用时,它的导电能力明显变化。
- 往纯净的半导体中掺入某些杂质,会使它的导电能力 明显改变。
-
纯净的晶体结构的半导体称为本征半导体,如:硅和锗。
-
杂质半导体:在本征半导体中掺入某些微量元素作为杂质, 可使半导体的导电性发生显著变化。掺入的杂质主 要是三价或五价元素。掺入杂质的本征半导体称为 杂质半导体。

-
电子空穴对——由热激发而产生的自由电子和空穴对。
-
共价键中的两个电子被紧紧束缚在共价键中,称为束 缚电子,常温下束缚电子很难脱离共价键成为自由电子,因 此本征半导体中的自由电子很少,所以本征半导体的导电能力很弱。
-
在绝对0度和没有外界激发时,价电子完全被共价键束缚 着,本征半导体中没有可以运动的带电粒子(即载流子) ,它的导电能力为0,相当于绝缘体。
-
电流=自由电子定向运动+空穴定向运动
-
室温本征半导体的导电能力是很弱的。 本征载流子浓度随温度升高近似按指数规律增大,其导电性能对温度的变化很敏感。
-
杂质半导体中多数载流子浓度取决于掺杂浓度;少数载流子浓度取决于温度
-
杂质半导体中起导电作用的主要是多子。
-
PN结的单向导电特性 当外加电压使PN结中P区的电位高于N区的电位,称为加正向电压,简称正偏;反之称为加反向电压,简称反偏。
-
外加正向电压Uf促使PN结转化为导通状态,正向电流较大,结电阻很低。
-
外加反向电压UR 促使PN结转化为截止状态,反向电流很小,结电阻很高。
-


二极管
-
二极管的伏安特性 将二极管分为三种 状态——截止、导通和击穿
-
压降:硅管约为(0.6~0.7)V,锗管约 为(0.2~0.3)V
-
一般情况下,锗管反向电 流I R >硅管I R 反向电流。

二极管理想模型:
- 外加正向电压时,二极管导通,可看作短路;
- 外加反向电压时,二极管截止,可看作开路。

1. 二极管整流

2. 二极管导通

注意Uo的正负极

3. 稳压二极管



三极管(晶体管)


注意,NPN型三极管电流,两进一出,出为iE;PNP型三极管电流,一进两出,入为iE
判断三极管极性和类型



基本放大电路

静态等效电路画法
[外链图片转存失败,源站可能有防盗链机制,建议将图片保存下来直接上传(img-oeom0HZj-1640317218819)(pictures/%E6%88%AA%E5%B1%8F2021-12-23%2012.18.49.png)]
基本放大电路的静态分析

KVL的使用
动态等效电路画法



晶体管微变等效电路

rbe=200+26????/Ic
26的单位是mV,Ic单位是mA



输入电阻近似为晶体管的输入电阻。

集成运算放大器

求解方法
[外链图片转存失败,源站可能有防盗链机制,建议将图片保存下来直接上传(img-joVCIsFC-1640317218825)(pictures/%E6%88%AA%E5%B1%8F2021-12-23%2022.44.04.png)]








[外链图片转存失败,源站可能有防盗链机制,建议将图片保存下来直接上传(img-3asOgGfs-1640317218829)(pictures/008i3skNgy1gxo5l6rh1pj30u0182wl9.jpg)]
电压跟随器


第三模块 数字电子技术基础
小知识点


数制
- 二进制(Binary):0,1
- 十进制(Decimal):0,1,2,3,4,5,6,7,8,9
- 十六进制(Hex):0,1,2,3,4,5,6,7,8,9,A,B,C,D,E,F




码制

一、基本逻辑运算
- 与逻辑(AND &)
- 真值表
| A | B | F |
|---|---|---|
| 0 | 0 | 0 |
| 0 | 1 | 0 |
| 1 | 0 | 0 |
| 1 | 1 | 1 |

- 或逻辑(OR)
- 真值表
| A | B | F |
|---|---|---|
| 0 | 0 | 0 |
| 0 | 1 | 1 |
| 1 | 0 | 1 |
| 1 | 1 | 1 |

推论:A+0=A A+1=1 A+A=A
- 非逻辑
- 真值表
| A | F |
|---|---|
| 0 | 1 |
| 1 | 0 |

二、复合逻辑门
- 与非逻辑( NAND )

- 或非逻辑( NOR )

- 异或逻辑( XOR )

- 同或逻辑
[外链图片转存失败,源站可能有防盗链机制,建议将图片保存下来直接上传(img-HRUoAvpw-1640317218837)(pictures/%E6%88%AA%E5%B1%8F2021-12-23%2023.20.38.png)]
三、三态输出与非门电路


基本运算
1. 基本运算定律

2. 基本运算规则



逻辑表达式

1. 逻辑函数表示形式的转换


2. 逻辑函数的化简
①代数化简法

②卡诺图化简法
- 知识点:
- 高位写在前
- 偶数个则平分
- 奇数个则高位的那一组比低位的那一组少一个
- 注意相邻位只改变一个数字(00,01,11,10这样,千万不要把11和10顺序写反了)
- 最小项:标准与或表达式是一种特殊的与或表达式,其 中的每个与项都包含了所有相关的逻辑变量, 每个变量以原变量或反变量出现一次且仅出现 一次,这样的与项称为标准与项,又称最小项。
- 图片说明:
[外链图片转存失败,源站可能有防盗链机制,建议将图片保存下来直接上传(img-GlS54TPn-1640317218842)(pictures/watermark,type_d3F5LXplbmhlaQ,shadow_50,text_Q1NETiBA5LiN55-l6YGT5oCO5LmI6LCI5oGL54ix,size_20,color_FFFFFF,t_70,g_se,x_16-20211224102939548.jpeg)]
-
化简步骤和原则:
-
步骤:
- 将原始函数用卡诺图表示
- 根据最小项合并规律画卡诺圈,圈住全部“1”方格
- 将上述全部卡诺圈的结果,“或”起来即得化简后的新函数;
- 由逻辑门电路,组成逻辑电路图
- 原则:
- 所画的圈必须包含所有的1
- 每个圈中包含2n个1,且至少有一个1是新的
- 任一圈中都不能包含取值为0的方格;
- 圈的个数越少越好,圈越大越好
- 图片说明(打钩的要格外注意):
[外链图片转存失败,源站可能有防盗链机制,建议将图片保存下来直接上传(img-i9FNflPs-1640317218843)(pictures/watermark,type_d3F5LXplbmhlaQ,shadow_50,text_Q1NETiBA5LiN55-l6YGT5oCO5LmI6LCI5oGL54ix,size_20,color_FFFFFF,t_70,g_se,x_16.jpeg)]
[外链图片转存失败,源站可能有防盗链机制,建议将图片保存下来直接上传(img-uP1erVC7-1640317218843)(pictures/watermark,type_d3F5LXplbmhlaQ,shadow_50,text_Q1NETiBA5LiN55-l6YGT5oCO5LmI6LCI5oGL54ix,size_20,color_FFFFFF,t_70,g_se,x_16-20211224102939538.jpeg)]
[外链图片转存失败,源站可能有防盗链机制,建议将图片保存下来直接上传(img-Nt7ItdhE-1640317218843)(pictures/watermark,type_d3F5LXplbmhlaQ,shadow_50,text_Q1NETiBA5LiN55-l6YGT5oCO5LmI6LCI5oGL54ix,size_20,color_FFFFFF,t_70,g_se,x_16-20211224102939566.jpeg)]
[外链图片转存失败,源站可能有防盗链机制,建议将图片保存下来直接上传(img-ouOyu9KW-1640317218844)(pictures/watermark,type_d3F5LXplbmhlaQ,shadow_50,text_Q1NETiBA5LiN55-l6YGT5oCO5LmI6LCI5oGL54ix,size_20,color_FFFFFF,t_70,g_se,x_16-20211224102939542.jpeg)]
分析组合逻辑电路








编码器和译码器
1. 编码器
编码:赋予选定的一系列二进制代码以固定的含义。
定义: 将若干个 0 和 1 按一定规律编排成特定含义的代码称 为编码。完成编码工作的电路称为编码器。




74LS148



2. 译码器
- 译码器是编码的逆过程,将输入信号的原意翻译出来。
- 译码器的输入:n位二进制代码
- 译码器的输出:2n 个高低电平信号

74LS138





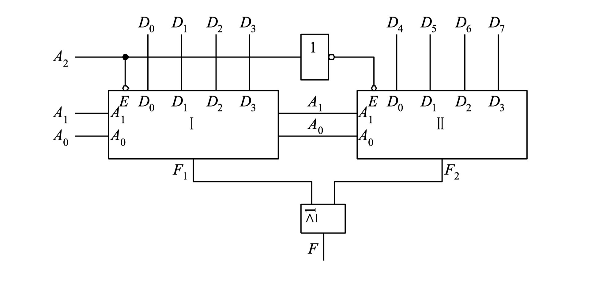
3-8译码器扩大为4-16译码器视频讲解点击跳转
3. 数字显示译码器


4. 数据分配器

74LS138


74LS151

四选一数据选择器扩为八选一数据选择器

例题


触发器
1. 同步RS触发器



2. 边沿JK触发器

3. 边沿D触发器
- 若只取JK触发器输入信号J≠K,且J=D,就 构成D触发器。
- 特性方程:Qn+1=D
JK触发器转换为D触发器

4. T触发器
T’触发器: 计数型触发器。 来一个脉冲翻转一次。
JK触发器转换为T触发器

时序逻辑电路
一、 寄存器
1. 数码寄存器

2. 移位寄存器




二、计数器
1. 同步二进制计数器




同步时序逻辑电路设计




2. 异步二进制计数器
在异步计数器中,有的触发器直接受输 入计数脉冲控制,有的触发器则是把其它触 发器的输出信号作为自己的时钟脉冲,因此 各个触发器状态变换的时间先后不一,故被 称为==“ 异步计数器 ”==




3. 集成计数器
①74LS161集成计数器



②74LS90集成计数器



结语
感谢丁洁老师的教导,学在信通,成在将来。
希望同学们期末能够考出自己满意的好成绩
笔者:孙成 20级智能科学与技术
海南大学海甸校区13号宿舍楼
2021年12月24日初步结稿
最后
以上就是悦耳山水最近收集整理的关于电路模电数电知识点总结(初步完成,后期进行小部分优化)前言推荐的学习资料复习要点第一模块 电路分析基础第二模块 模拟电子技术基础第三模块 数字电子技术基础结语的全部内容,更多相关电路模电数电知识点总结(初步完成,后期进行小部分优化)前言推荐的学习资料复习要点第一模块内容请搜索靠谱客的其他文章。
发表评论 取消回复