Toggle navigation
首页
博客
下载
AI
科技
互联网
会员
中心
会员中心
发布资讯
发布博文
发布资源
首页
文章中心
数字电路
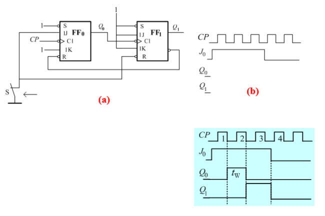
数字电路59( 时钟触发器)
301 阅读
0 评论
199 点赞
我是
靠谱客
的博主
温柔冬天
,这篇文章主要介绍
数字电路59( 时钟触发器)
,现在分享给大家,希望可以做个参考。
最后
以上就是
温柔冬天
最近收集整理的关于
数字电路59( 时钟触发器)
的全部内容,更多相关
数字电路59(
内容请搜索靠谱客的其他文章。
本图文内容来源于网友提供,作为学习参考使用,或来自网络收集整理,版权属于原作者所有。
点赞(
199
)
本文分类:
数字电路
浏览次数:
301
次浏览
发布日期:2023-06-02 09:49:01
本文链接:
https://www.kaopuke.com/article/k-p-k_14_ujogf2_12__23__2_w.html
相关文章
Vivado静态时序分析学习笔记(1)P1 时序分析基本概念P2 寄存器间时序分析建立时间分析
电路模电数电知识点总结(初步完成,后期进行小部分优化)前言推荐的学习资料复习要点第一模块 电路分析基础第二模块 模拟电子技术基础第三模块 数字电子技术基础结语
逻辑电路之触发器
SAEJ3061汽车信息安全指南文档
数字电路59( 时钟触发器)
【数电】通过触发器配合时钟信号将窄脉冲展宽
锁存器、触发器和寄存器
电平触发的D触发器 Verilog
评论列表
共有
0
条评论
发表评论
取消回复
登录
注册新账号
立即
投稿
返回
顶部
发表评论 取消回复