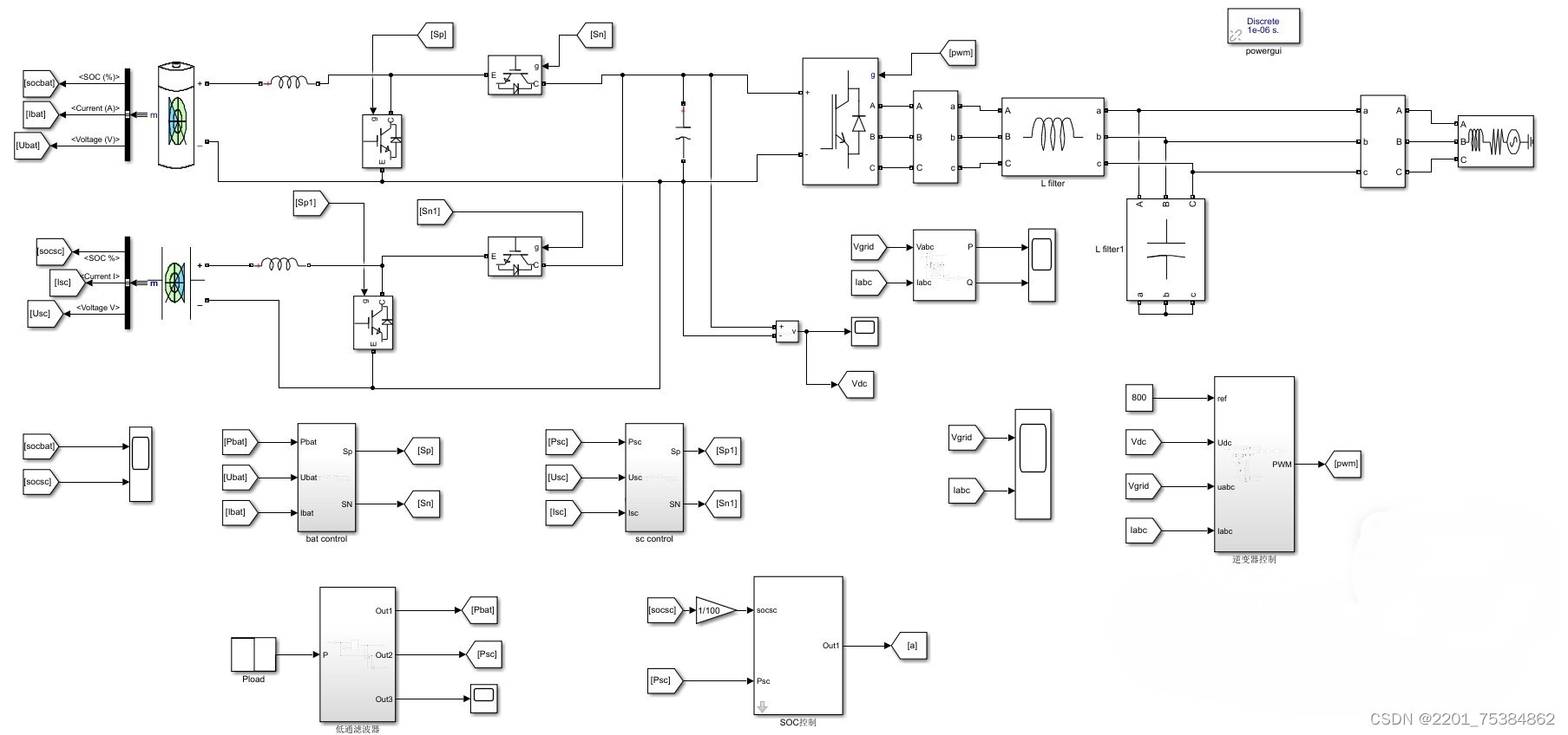
蓄电池与超级电容混合储能并网matlab simulink仿真模型。
(1)混合储能采用低通滤波器进行功率分配,可有效抑制功率波动,并对超级电容的soc进行能量管理,soc较高时多放电,较低时少放电,soc较低时状态与其相反。
(2)蓄电池和超级电容分别采用单环恒流控制,研究了基于超级电容的SOC分区限值管理策略,分为放电下限区,放电警戒区,正常工作区,充电警戒区,充电上限区。
(3)采用三相逆变并网,将直流侧800v电压逆变成交流311v并网,逆变采用电压电流双闭环pi控制,pwm调制。
附有参考资料。

ID:6647688733129255
小吃货会思考




最后
以上就是无语冬日最近收集整理的关于蓄电池与超级电容混合储能并网matlab simulink仿真模型的全部内容,更多相关蓄电池与超级电容混合储能并网matlab内容请搜索靠谱客的其他文章。
本图文内容来源于网友提供,作为学习参考使用,或来自网络收集整理,版权属于原作者所有。
发表评论 取消回复