我是靠谱客的博主 动听花生,这篇文章主要介绍verilog实现三人表决器要求一、38译码器的实现并封装成IP核二、蜂鸣器的简易实现三、用封装好的38译码器IP核来实现三人表决器(自己添加的功能是:用数码管显示赞成人数,以及蜂鸣器提示投票开始或结束) 四、FPGA板上验证补充:数码管显示数字原理,现在分享给大家,希望可以做个参考。
提示:文章写完后,目录可以自动生成,如何生成可参考右边的帮助文档
文章目录
- 要求
- 一、38译码器的实现并封装成IP核
- 二、蜂鸣器的简易实现
- 1.引入库
- 2.读入数据
- 三、用封装好的38译码器IP核来实现3人表决器
- 四、FPGA板上验证
- 总结
要求

一、38译码器的实现并封装成IP核
module v74x138(g1, g2a_l, g2b_l,a,y_l) ;
input g1,g2a_l,g2b_l;
input[2:0] a;
output[7:0] y_l;
reg[7:0] y_l=0;
always@(*)
begin
if(g1&&~g2a_l&&~g2b_l)
case(a)
7:y_l=8'b01111111;
6:y_l=8'b10111111;
5:y_l=8'b11011111;
4:y_l=8'b11101111;
3:y_l=8'b11110111;
2:y_l=8'b11111011;
1:y_l=8'b11111101;
0:y_l=8'b11111110;
default:y_l=8'b11111111;
endcase
else
y_l=8'b11111111;
end
endmodule
封装成IP核并再调用它的详细步骤:
https://www.icourse163.org/learn/UESTC-1002525007?tid=1463513442#/learn/content?type=detail&id=1241758007&sm=1
二、蜂鸣器的简易实现
module beep(ext_clk_25m, ext_rst_n, buzzer);
input ext_clk_25m;
input ext_rst_n;
output reg buzzer;
reg [19:0] cnt; //20 bit get the maximum number of 1048575;
//计数模块,计数达到1000 000次,计数器清零
always @ (posedge ext_clk_25m or posedge ext_rst_n)
begin
if(!ext_rst_n)
cnt <= 20'b0;
else if(cnt < 20'd999_999)
cnt <= cnt + 1'b1;
else
cnt <= 20'b0;
end
always @ (posedge ext_clk_25m or posedge ext_rst_n)
begin
if(!ext_rst_n)
buzzer <= 1'b0;
else if(cnt < 500_000)
buzzer <= 1'b1;
else
buzzer <= 1'b0;
end
endmodule
本来想实现的功能是: 按下按键——蜂鸣器第一次响(表示投票开始)、松开按键——蜂鸣器停止
待三人都做出投票动作后,再次 按下按键——蜂鸣器第二次响(表示投票结束)、松开按键——蜂鸣器停止
整个过程结束。
但实际的是:按下按键,蜂鸣器不响;时序逻辑还没有搞清楚........
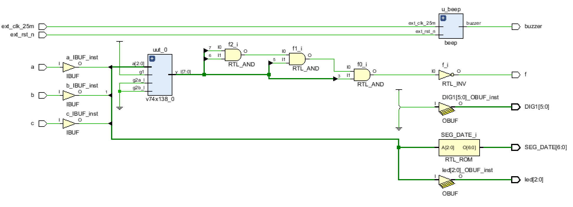
三、用封装好的38译码器IP核来实现三人表决器(自己添加的功能是:用数码管显示赞成人数,以及蜂鸣器提示投票开始或结束)
module dsbiq_useip(a, b,c,f,SEG_DATE,DIG1,led,
ext_clk_25m, ext_rst_n, buzzer);
input a;
input b;
input c;
output f;
output reg[5:0] DIG1;//片选数码管
//蜂鸣器对应IO口
input ext_clk_25m;
input ext_rst_n;
output wire buzzer;
output reg[2:0]led; //三盏灯表示三人的投票情况
output reg[6:0]SEG_DATE; //载入三个输入的值
parameter
SEG_NUM0=7'h3f, //数码管显示0
SEG_NUM1=7'h06, //数码管显示1
SEG_NUM2=7'h5b, //数码管显示2
SEG_NUM3=7'h4f; //数码管显示3
always@(*)
begin
led[2]=a; //亮灯
led[1]=b;
led[0]=c;
DIG1=6'b111110 ; //选中第一个数码管
end
always@(*) //七段码实现
begin
case({a,b,c})
3'b000:SEG_DATE=SEG_NUM0;
3'b001:SEG_DATE=SEG_NUM1;
3'b010:SEG_DATE=SEG_NUM1;
3'b011:SEG_DATE=SEG_NUM2;
3'b100:SEG_DATE=SEG_NUM1;
3'b101:SEG_DATE=SEG_NUM2;
3'b110:SEG_DATE=SEG_NUM2;
3'b111:SEG_DATE=SEG_NUM3;
//defalut:SEG_DATE=SEG_NUM0;
endcase
end
wire [7:0]y_l;
assign f=~(y_l[7]&y_l[6]&y_l[5]&y_l[3]); //f为1 即通过
//IP核v74x138的调用
v74x138_0 uut_0
(
.g1(1),
.g2a_l(0),
.g2b_l(0),
.a({c,b,a}),
.y_l(y_l)
);
//调用beep模块
beep u_beep(
.ext_clk_25m (ext_clk_25m),
.ext_rst_n (ext_rst_n),
.buzzer (buzzer)
);
endmodule
四、FPGA板上验证
补充:数码管显示数字原理
![]()
其中,高位到低位依次是:DP_G F E _D C B A, 共阴极数码管——输入为高电平亮!
下图为,共阴极数码管的编码表
最后
以上就是动听花生最近收集整理的关于verilog实现三人表决器要求一、38译码器的实现并封装成IP核二、蜂鸣器的简易实现三、用封装好的38译码器IP核来实现三人表决器(自己添加的功能是:用数码管显示赞成人数,以及蜂鸣器提示投票开始或结束) 四、FPGA板上验证补充:数码管显示数字原理的全部内容,更多相关verilog实现三人表决器要求一、38译码器内容请搜索靠谱客的其他文章。
本图文内容来源于网友提供,作为学习参考使用,或来自网络收集整理,版权属于原作者所有。
发表评论 取消回复