提示:文章写完后,目录可以自动生成,如何生成可参考右边的帮助文档
Simulink 子系统及封装
- 前言
- 一、Simulink 子系统创建
- 二、Simulink 子系统封装
- 1.选项卡的作用
- 2.子系统封装
前言
Simulink 子系统类似于编程语言中的子函数,常用的建立子系统有两种方法:在模型中新建子系统以及在原有的子系统基础上建立。一、Simulink 子系统创建
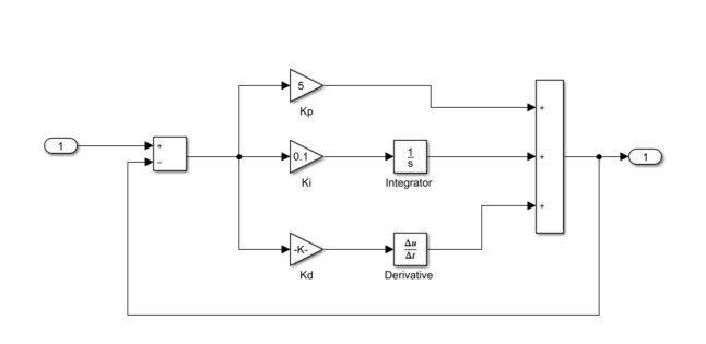
新建一个PID控制器。利用Simulink 模型库中的模块搭建PID控制器如下:
在上图中的框选要封装子系统,选择菜单Edit–>Create subsystem(或者使用快捷键Ctr+G),则系统如下图所示:

二、Simulink 子系统封装
1. 选中子系统双击打开,给需要进行复制的参数指定一个变量名; 2. 选择菜单Edit-->Mask subsystem,出现封装对话框; 3. 在封装对话框中设置参数,主要有Icon、Parameters、Initialization和Documentation 4个选项卡。1.选项卡的作用
1. Icon 选项卡 Icon 选项卡用于设定封装模块的名字和外观,如下图所示:
Drawing commands 栏用于建立用户化的图标,可以i显示文本、图像、图形或传递函数等。在Drawing commands 栏中的命令可以是包括plot、disp、text、port_label、image等。

用户可以从左侧添加功能进入Dialog box中,然后通过右击对该模块进行删除、复制和剪切等操作。如下图所示:

Dialog Parameters 选项卡中各选项的含义如下:
Prompt:输入变量提示,其内容会显示在输入提示中。
Variable:输入变量的名称。
Type:给用户提供的编辑区选择,Edit提供一个编辑框;Checkbox提供一个复选框;Popup提供一个弹出式菜单。
Evaluate:用于配合Type的选项提供相应的变量值,它有两个选项Evaluate和Literal,相应含义如下:



2.子系统封装
以创建一个二阶系统,并将其闭环系统构成的子系统进行封装,将阻尼系数zeta和无阻尼频率Wn作为输入参数。 1) 创建模型并生成子系统。

disp('二阶系统')
plot([0 1 2 3 10],-exp(-[0 1 2 3 10]))
输入后结果如下图所示:






最后
以上就是纯情小丸子最近收集整理的关于Simulink子系统封装前言一、Simulink 子系统创建二、Simulink 子系统封装的全部内容,更多相关Simulink子系统封装前言一、Simulink内容请搜索靠谱客的其他文章。
本图文内容来源于网友提供,作为学习参考使用,或来自网络收集整理,版权属于原作者所有。
发表评论 取消回复