前言
本人曾在第十三届蓝桥杯大赛单片机组中获得国一,以下是我在准备比赛过程中的一些记录,希望能给大家带来帮助
本人持续分享更多关于嵌入式和单片机的知识,如果大家喜欢,别忘点个赞加个关注哦,让我们一起共同进步~
1.矩阵键盘扫描原理:

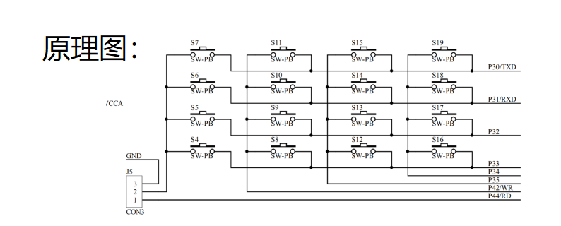
2.蓝桥杯开发板原理图
图中用到了P4口,但是你会发现reg52库内并没有定义P4口的地址
所以我们需要在写程序时定义:
sfr P4 = 0xc0;
至于sfr有什么作用?
sfr P4 = 0xc0;
把单片机地址0xC0改名字为P4,因为0cC0这个地址是连接着单片机外面的P4口的,为什么要改名字呢?就是方便我们记忆运用。

自此我们就搞懂了,矩阵键盘的扫描原理。
更多相关资源
【全套完结】蓝桥杯单片机— 从省赛到国赛
https://blog.csdn.net/amimax/article/details/128749109?spm=1001.2014.3001.5501
最后
以上就是腼腆棉花糖最近收集整理的关于蓝桥杯06---矩阵键盘1.矩阵键盘扫描原理:2.蓝桥杯开发板原理图的全部内容,更多相关蓝桥杯06---矩阵键盘1内容请搜索靠谱客的其他文章。
本图文内容来源于网友提供,作为学习参考使用,或来自网络收集整理,版权属于原作者所有。
发表评论 取消回复