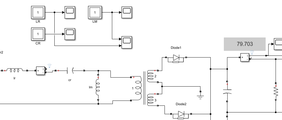
全桥结构
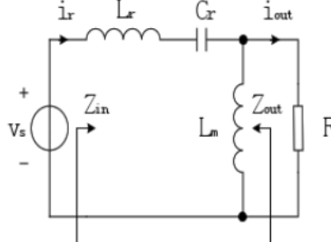
谐振电路与负载

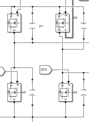
利用谐振波形周期性过零的特性,实现软开关
驱动触发时,DS电压已经达到0
计算谐振参数
输入输出电压,输出电流,输出功率是必备要素
网上有很多分析法,这个公式挺好用

漏感可加入lr中,论文中出现的等效图

k=lm/lr
k值不同,增益曲线不同

最后
以上就是包容小蜜蜂最近收集整理的关于全桥LLCsimulink仿真的全部内容,更多相关全桥LLCsimulink仿真内容请搜索靠谱客的其他文章。
本图文内容来源于网友提供,作为学习参考使用,或来自网络收集整理,版权属于原作者所有。


发表评论 取消回复