本内容主要涉及半桥LLC的控制方法及其实现,其原理见:LLC基本原理。
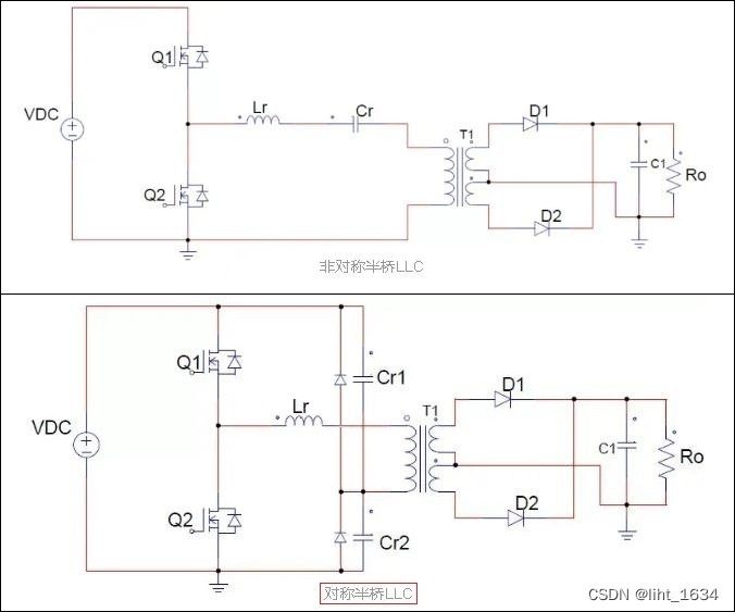
半桥LLC按电路结构可以分为对称半桥LLC和非对称半桥LLC,如下:

对称半桥LLC和非对称半桥LLC的本质没有差别,对称半桥将Cr谐振电容一分为二(Cr1+Cr2),使电路处于一种对称的结构,但是电容容量与非对称半桥是一样的。目前市面上很多使用这种对称半桥LLC的拓扑结构,主要原因是在谐振电容上做钳位处理更容易(并联钳位二极管),抗纹波电流能力更强,谐振腔LrCr的取值更容易;还有它可以减小母线电容的纹波,非对称半桥LLC是半个周期取一次电,而对称半桥LLC从工作原理分析上看部分能量可以回馈给母线电容。
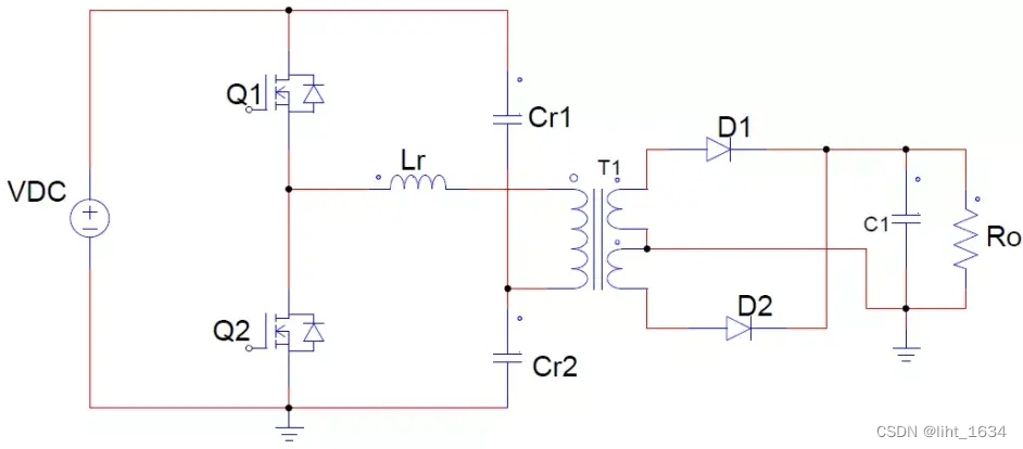
工作原理如下:
第一阶段:Q1导通,Q2截止,输入电源Vin经过谐振电感Lr给谐振电容C2进行充电,C2电容电压上升;同时C1电容放电,C1电容电压下降。

第二阶段:Q1截止,Q2截止。由于谐振电感电流不能突变,Lr电流依然为正,只是逐渐减小,C2充电电流也逐渐减小,C2电压依然增加,C1电容依然处于放电状态(红色路径)。此时S2管的体二极管导通,其正向导通电压小,为S2实现ZVS(零电压开关)提供条件。

第三阶段:Q1截止,Q2导通。由于之前Q2体二极管导通,经过死区时间后Q2实现了ZVS(零电压开关)。此时谐振电容C2等效为一个电压源,上正下负,与谐振电感Lr产生谐振。Lr电流减小至零后反相逐渐增大。C2电容处于放电状态(蓝色路径),所以C1电容处于充电(红色路径)。

仿真波形如下:

仿真波形
下面以对称半桥LLC的控制方法进行说明(非对称半桥LLC同理)
1.对称半桥的对称PWM发波
由于LLC控制是PFM(Pulse Frequency Modulation)控制方式来进行输出电压的稳定,所以在进行调制时频率在变化,而占空比不变,为了防止直通,留有一定的死区时间。所谓对称发波,就是上下桥臂的占空比始终一样,在PFM控制方式时,占空比始终都是50%,如下(可以采用独立模式或中心对称模式,互补输出)。关于PFM的介绍https://www.elecfans.com/d/852766.html。

当LLC电路在输出低压时,需要提高工作频率,在现在的技术下,功率管的开关最高频率是受到限制的,我们一般无法让输出电压全范围都工作在PFM态,特别是在数字电路控制中,由于DSP工作频率和资源的限制,电路的最高工作频率将会进一步受到限制。所以由于LLC电路自身的工作特性,都要结合PFM和PWM两种工作模式,实现低压轻载下的输出调节。如下(配置方式为PG1采用独立或中心对称工作模式,推挽输出)



从上图可以看出,在整个PFM+PWM调制过程中,上下桥臂占空比始终相等,但在PWM工作状态下将会遇到两个重要的问题:LLC电路PWM工作状态的非单调性和PWM态的电流谐振问题。下面对其进行分析,如下图

非单调性分析
图中Q1,Q2占空比D1,D2分别是,但是时间段内,Q2的二极管反向续流,在这段时间内任何点导通Q2,谐振电流的波形不会有变化,也就是说,Q2在任意时刻给出驱动信号,传递到副边的能量均相同,得到的输出电压也相同。同样内Q1任何时间导通Q1也不会影响谐振电流。换句话说,调节占空比,从50%-~ 50%变化,输出电压不会变化。这就是LLC电路PWM态的不单调问题。如果功率管的Cds1,Cds2,二极管反向恢复时间增大,从Q1关断到Q2电流反向的时间随之增大,即变长,不可控的非单调区域增大。

2)LLC谐振电流问题分析
LLC电路工作在PWM状态,在t1时刻Q1关断,谐振电流通过Q2的反向二极管续流,由于谐振电流比较小,t2时刻谐振电流降到0。谐振电流到零后,谐振电感Lr,激磁电感Lm,谐振电容Cr,以及上下管的输出电容Coss,组成串联谐振。在输入电压的激励下,谐振电流过零后反向增加。如果Q2管在电流为正的时刻t3开通,就失去了ZVS开通。同理,Q2管在t4时刻关断,谐振电流在t5降到0,继续谐振,如果Q1在t6时刻开通时谐振电流为正,同样失去ZVS造成硬开通。同时由于类似于直通的效果会引起非常大的电流尖峰。这样不但开关损耗会变大,而且引入谐波干扰,由于电路寄生电感的存在,这个很高的di/dt会在电流通路上产生电压尖峰,在高频的情况下,驱动电压波形会受到比较大的影响,会影响到电路的可靠性。

2.对称半桥LLC的非对称互补发波
为了解决上述增益非单调性和谐振电流的问题,可以采用在输出低压轻载的情况下功率管采用互补的非对称发波方式,如下图所示,上管Q1的控制波形Vgs1(黄色)占空比减少,而以其互补的Vgs2(红色)控制下管Q2,两者之间有个死区时间。当上桥臂关断后,下桥臂经过死区时间立刻导通,一直到一个开关周期完成。

采用对称半桥非对称的发波方式仿真如下

从仿真波形上看,在非对称PWM发波方式下,上下管都可以实现ZVS导通,这样就解决了对称PWM态下谐振的问题。不过由于非对称发波自身的特点,也带来了其他的不良影响:
1)非对称发波对驱动电路,主要是浮充驱动电路工作有影响;
如果选择下管导通时间短,上管导通时间长,且非对称程度非常高时,需要特别注意下管的最小占空比可能影响自举电容的充电过程。
2)对MOSFET电流应力有影响;
3)对输出二极管电流应力有影响;
4)对谐振电感和变压器热设计有影响
--------------------------------------------------------------------------------------------------------------
数字化LLC其他资源配置及其软件算法实现
1.AD采样配置
AD采样配置主要涉及的问题是AD采样频率,环路反馈量(输出电压和输出电流)采样时刻,以及采样精度的确定。
(1)AD采样频率选择
在数字控制中一般AD采样频率等于环路计算的频率,当然也可以大于环路计算频率,小于环路计算频率的话就会使得过高的计算频率没有必要。
由于半桥LLC拓扑是变频控制的,如果AD采样是按环路计算频率定频采样的话,输出电流在每个开关周期内的AD采样时刻是一直在变化的,这就会产生拍频现象。为了消除这个拍频现象,可以将AD采样改为PG模块来触发,这样AD采样频率就保持和开关频率相同,大于计算频率,在每个开关周期内采样点的位置是不变的。
(2)采样时刻
一般数字控制中希望反馈量能够在环路计算要用到时刚刚采样完,使得环路的相位延迟尽可能小,同时希望AD采样转换的时间能够包含在环路计算周期里面,这也是为了减小相位延迟。当然,这并不是必须的,满足环路相位裕量即可。采样时刻非常重要,比如在通信电源模块中,对杂音和短路电流有比较大的影响,需要进行调试进行采样时刻的调整。
2.中断配置
环路计算的实时性要求很高,需要在中断ISR里执行,一般我们采用DSP的PWM模块定时的触发环路计算中断ISR。关于如何配置PWM模块使能中断ISR,DSP的datasheet有详细的介绍,在此不再赘述,这里说的中断配置主要讲计算中断的频率选择。
从LLC环路控制性能的角度来说,我们希望环路计算中断的频率能够越高越好,这样离散化造成的环路计算延时就越小,离散系统也就越接近连续系统,数字控制的效果就越接近原来的模拟控制。同时中断ISR里一些其他处理(如快速保护)响应也能更及时。
从考虑DSP芯片资源的角度来说,却不希望计算中断的频率太高,因为频率越高在中断ISR里可执行的代码就越少,可能会造成环路计算的代码不能够在一个计算中断周期里执行完,对于实时性要求不太高的中断可以采用分拍进行。同时,计算中断频率的选择还需要考虑DSP AD采样转换的时间,需要保证在一个计算中断周期里能完成一个完整的采样序列,这也会限制计算中断的频率不能太高。
另外,也需要考虑在环路控制的前向通道和反馈通道的一些固有响应延时,比如功率元件响应延时、低通滤波器的延时等,计算中断周期应该大于“这些环路响应延时+AD采样转换时间”,因为如果计算中断周期比这个时间和小的话,计算频率太高也没有什么意义。
3.软件算法实现
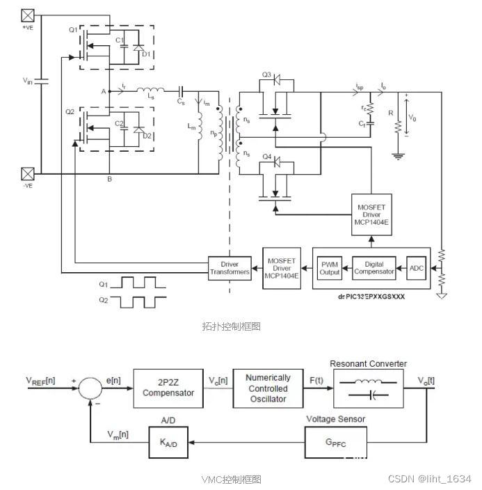
1)电压单环(VMC)框图如下,对输出电压进行AD采样,于给定电压进行比较后得到误差值经过2p2z的补偿器算法之后修改周期值,保证输出电压的稳定。

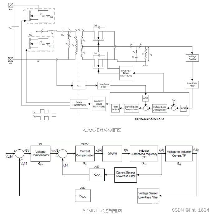
2)电压外环+电流内环(ACMC)的模式

--------------------------------------------------------------------------------------------------------------
参考:
开关电源设计之LLC变换器的工作原理_可爱的水酱的博客-CSDN博客_llc开关电源原理
360doc登录
基于Boost和不对称半桥变换器两级PFC的研究与设计 - 道客巴巴
【我已收藏】很完整的LLC谐振半桥电路分析与计算 - 知乎
--------------------------------------------------------------------------------------------------------------
最后
以上就是坚强导师最近收集整理的关于开关电源-半桥LLC控制的全部内容,更多相关开关电源-半桥LLC控制内容请搜索靠谱客的其他文章。
发表评论 取消回复