


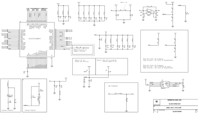
创维的GL3510是一款与VL817相同的一出四HUB芯片
Genesys GL3510 is a 4-port, low-power, and configurable hub controller. It is compliant with the USB 3.1
specification. GL3510 integrates Genesys Logic self-developed USB 3.1 Gen 1 Super Speed transmitter/receiver
physical layer (PHY) and USB 2.0 High-Speed PHY. It supports Super Speed, Hi-Speed, and Full-Speed USB
connections and is fully backward compatible to all USB 2.0 and USB 1.1 hosts. GL3510 has built-in 5V to
3.3V and 5V to 1.2V regulators, which saves customers’ BOM cost, and eases for PCB design.
GL3510 features the native fast-charging and complies with USB-IF battery charging specification rev1.2, it
could fast-charge Apple, Samsung Galaxy devices, and any device complaint with BC1.2/1.1. It also allows
portable devices to draw up to 1.5A from GL3510 charging downstream ports (CDP1
) or dedicated charging port
(DCP2
). It can enable systems to fast charge handheld devices even during “Sleep” and “Power-off” modes.
All available packages for GL3510 are listed as the following tables.
Product Series Package Type
Number of
DFPs Power Mgmt. LED Support
GL3510 QFN 64 4 Gang Mode PGANG LED
*Note: TT (transaction translator) implements the control logic defined in Section 11.14 ~ 11.22 of USB
specification revision 2.0. TT basically handles the unbalanced traffic speed between the USPORT (operating in
HS) and DSPORTS (operating in FS/LS) of hub.
Genesys GL 3510是一个4端口、低功耗和可配置的集线器控制器.它与USB3.1兼容
规格说明。GL 3510集成Genesys逻辑公司自行开发的USB3.1GE1超高速发射机/接收器
物理层(PHY)和USB2.0高速物理层.它支持超高速、高速和全速usb。
连接,并完全向后兼容所有USB2.0和USB1.1主机。GL 3510内置了5V到
3.3V和5V~1.2V调整器,节省了客户的BOM成本,简化了PCB设计。
GL 3510的特点是本机快速充电,并符合USB-if电池充电规范Rev1.2
可以快速充电苹果,三星银河设备,以及任何设备投诉BC1.2/1.1。它也允许
便携式设备从GL3510充电下游端口(CDP 1)到1.5A
)或专用充电端口
(DCP 2)
)中选择所需的构件。它可以使系统快速充电的手持设备,甚至在“睡眠”和“断电”模式。
GL3510的所有可用软件包如下表所示。
产品系列包装类型
数目
DFPS电源管理LED支撑
GL3510QFN 64 4齿轮型PGANG LED
*注:TT(Transaction Translator)实现USB第11.14~11.22节中定义的控制逻辑。
规范修订2.0。TT基本上处理USPORT之间的不平衡交通速度(在
Hs)和DSPORTS(在集线器的FS/LS中运行)。
CHAPTER 2 FEATURES
Compliant with USB 3.1 Gen 1 Specification
- Upstream port supports SuperSpeed (SS), HighSpeed (HS) and FullSpeed (FS) traffic
- Downstream ports support SS, HS, FS, and LowSpeed (LS) traffic
- 1 control pipe and 1 interrupt pipe
- Backward compatible to USB specification Revision 2.0/1.1
Featuring fast-charging on all downstream ports and upstream port
- Compliant with USB Battery Charging Revision v1.2, supporting CDP, DCP, and ACA-Dock
- Downstream ports can be turned from a Standard Downstream Port (SDP) into Charging Downstream
Port (CDP) or Dedicated Charging Port (DCP)
- Downstream devices can be charged while upstream VBUS is not present, which can be applied on wall
charger applications
- Upstream port is capable of charging and data communicating simultaneously for portable devices
supporting ACA-Dock or proprietary charging protocols
- Supporting Apple 1A/2.1A/2.4A and Samsung Galaxy devices fast-charging
On-chip 8-bit micro-processor
- RISC-like architecture
- USB optimized instruction set
- 1 cycle instruction execution (maximum)
- Performance: 12 MIPS @ 12.5MHz (maximum)
- With 256-byte RAM, 20K-byte internal ROM, and 24K-byte SRAM
Single Transaction Translator (TT) architecture
Advanced power management and low power consumption
- Supporting USB 3.1 U0/U1/U2/U3 power management states
- Supporting USB Link Power Management (LPM) L0/L1/L2
- Supporting individual/gang mode over-current detection for all downstream ports - Supporting low active power switche
Configurable settings by EEPROM
- Configurable charging port
- Supporting configuration and customized VID/PID by EEPROM
- Supporting compound-device (non-removable setting on downstream ports)
Flexible design
- Supporting Poly-fuse/Power-switch
- Automatic switching between self-powered and bus-powered modes
- Supporting electrical tuning for each specific port
- Allow downstream ports to connect up to 8 devices, 4 x USB3.1 non-removable devices with 4 x
USB2.0 non-removable
第2章 特点
符合 USB 3.1 第 1 代规范
- 上游端口支持超高速 (SS)、高速 (HS) 和全速 (FS) 流量
- 下游端口支持 SS、HS、FS 和低速 (LS) 流量
- 1根控制管和1根中断管
- 向后兼容 USB 规范修订版 2.0/1.1
在所有下行端口和上行端口上具有快速充电功能
- 符合 USB 电池充电修订版 v1.2,支持 CDP、DCP 和 ACA 坞站
- 下行端口可以从标准下行端口(SDP)转换为充电下行端口
端口 (CDP) 或专用充电端口 (DCP)
- 下游设备可以在上游VBUS不存在时充电,这可以应用于墙上
充电器应用
- 上游端口能够为便携式设备同时充电和数据通信
支持 ACA-Dock 或专有充电协议
- 支持苹果1A / 2.1A / 2.4A和三星Galaxy设备快速充电
片上8位微处理器
- 类似RISC的架构
- USB优化指令集
- 1周期指令执行(最大)
- 性能:12 MIPS @ 12.5MHz(最大值)
- 配备 256 字节 RAM、20K 字节内部 ROM 和 24K 字节 SRAM
单事务转换器 (TT) 体系结构
先进的电源管理和低功耗
- 支持 USB 3.1 U0/U1/U2/U3 电源管理状态
- 支持 USB 链路电源管理 (LPM) L0/L1/L2
- 支持所有下游端口的单/成组模式过流检测 - 支持低有源功率开关
可通过 EEPROM 配置设置
- 可配置的充电端口
- 通过EEPROM支持配置和自定义VID / PID
- 支持复合设备(下游端口上的不可移动设置)
灵活的设计
- 支持多熔断器/电源开关
- 在自供电和总线供电模式之间自动切换
- 支持每个特定端口的电气调谐
- 允许下行端口连接多达8个设备,4个USB3。1 个不可移动设备,具有 4 个 x
USB2.0 不可拆卸
CHAPTER 2 FEATURES
Compliant with USB 3.1 Gen 1 Specification
- Upstream port supports SuperSpeed (SS), HighSpeed (HS) and FullSpeed (FS) traffic
- Downstream ports support SS, HS, FS, and LowSpeed (LS) traffic
- 1 control pipe and 1 interrupt pipe
- Backward compatible to USB specification Revision 2.0/1.1
Featuring fast-charging on all downstream ports and upstream port
- Compliant with USB Battery Charging Revision v1.2, supporting CDP, DCP, and ACA-Dock
- Downstream ports can be turned from a Standard Downstream Port (SDP) into Charging Downstream
Port (CDP) or Dedicated Charging Port (DCP)
- Downstream devices can be charged while upstream VBUS is not present, which can be applied on wall
charger applications
- Upstream port is capable of charging and data communicating simultaneously for portable devices
supporting ACA-Dock or proprietary charging protocols
- Supporting Apple 1A/2.1A/2.4A and Samsung Galaxy devices fast-charging
On-chip 8-bit micro-processor
- RISC-like architecture
- USB optimized instruction set
- 1 cycle instruction execution (maximum)
- Performance: 12 MIPS @ 12.5MHz (maximum)
- With 256-byte RAM, 20K-byte internal ROM, and 24K-byte SRAM
Single Transaction Translator (TT) architecture
Advanced power management and low power consumption
- Supporting USB 3.1 U0/U1/U2/U3 power management states
- Supporting USB Link Power Management (LPM) L0/L1/L2
- Supporting individual/gang mode over-current detection for all downstream ports - Supporting low active power switche
Configurable settings by EEPROM
- Configurable charging port
- Supporting configuration and customized VID/PID by EEPROM
- Supporting compound-device (non-removable setting on downstream ports)
Flexible design
- Supporting Poly-fuse/Power-switch
- Automatic switching between self-powered and bus-powered modes
- Supporting electrical tuning for each specific port
- Allow downstream ports to connect up to 8 devices, 4 x USB3.1 non-removable devices with 4 x
USB2.0 non-removable
第2章 特点
符合 USB 3.1 第 1 代规范
- 上游端口支持超高速 (SS)、高速 (HS) 和全速 (FS) 流量
- 下游端口支持 SS、HS、FS 和低速 (LS) 流量
- 1根控制管和1根中断管
- 向后兼容 USB 规范修订版 2.0/1.1
在所有下行端口和上行端口上具有快速充电功能
- 符合 USB 电池充电修订版 v1.2,支持 CDP、DCP 和 ACA 坞站
- 下行端口可以从标准下行端口(SDP)转换为充电下行端口
端口 (CDP) 或专用充电端口 (DCP)
- 下游设备可以在上游VBUS不存在时充电,这可以应用于墙上
充电器应用
- 上游端口能够为便携式设备同时充电和数据通信
支持 ACA-Dock 或专有充电协议
- 支持苹果1A / 2.1A / 2.4A和三星Galaxy设备快速充电
片上8位微处理器
- 类似RISC的架构
- USB优化指令集
- 1周期指令执行(最大)
- 性能:12 MIPS @ 12.5MHz(最大值)
- 配备 256 字节 RAM、20K 字节内部 ROM 和 24K 字节 SRAM
单事务转换器 (TT) 体系结构
先进的电源管理和低功耗
- 支持 USB 3.1 U0/U1/U2/U3 电源管理状态
- 支持 USB 链路电源管理 (LPM) L0/L1/L2
- 支持所有下游端口的单/成组模式过流检测 - 支持低有源功率开关
可通过 EEPROM 配置设置
- 可配置的充电端口
- 通过EEPROM支持配置和自定义VID / PID
- 支持复合设备(下游端口上的不可移动设置)
灵活的设计
- 支持多熔断器/电源开关
- 在自供电和总线供电模式之间自动切换
- 支持每个特定端口的电气调谐
- 允许下行端口连接多达8个设备,4个USB3。1 个不可移动设备,具有 4 个 x
USB2.0 不可拆卸

最后
以上就是闪闪星星最近收集整理的关于GL3510创维一路进四路出HUB芯片方案,扩展坞方案,资源的全部内容,更多相关GL3510创维一路进四路出HUB芯片方案内容请搜索靠谱客的其他文章。
发表评论 取消回复