1、直流电动机速度单闭环调速系统工作原理

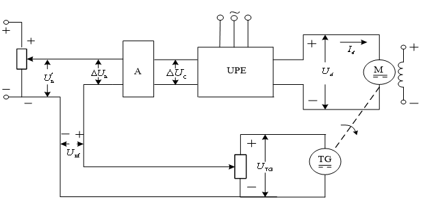
(TG-测速发电机,UPE-电机电子变换器)
在直流调速系统中,被调节量是转速,所构成的是转速反馈控制的直流调速系统。调速的任务就是控制和调节电动机的转速,在额定励磁状态下,直流调速系统的被控量应是直流电动机的转速n ,速度负反馈可以提高该系统的稳定精度。反馈控制的闭环系统是按被调量的偏差进行控制的系统,只要被调量出现偏差,它会自动产生纠正偏差。调速系统的的转速降落是由于负载引起的转速偏差,所以引入转速闭环。
如上图,是带转速负反馈的闭环直流调速系统原理框图。在反馈控制的闭环直流调速系统中,与电动机同轴安装一台测速发电机TG,从而引出与被调量转速成正比的负反馈电压Un,与给定的电压进行比较,得到转速偏差电压,经过放大器A,产生电力电子变换器UPE所需的控制电压,用以控制电动机转速n。
2、直流电动机电流截止负反馈调速系统工作原理
在直流电动机速度单闭环调速系统基础上设置电流截止负反馈环节。电流截止负反馈作用只在起动和堵转时存在,在正常运行时必须取消。这种当电流大到一定程度时才出现的电流负反馈,叫做电流截止负反馈。
限流作用只需在起动和堵转时起作用,正常运行时应让电流自由地随着负载增减。当电流大到一定程度时才接入电流负反馈以限制电流,而电流正常时仅有转速负反馈起作用控制转速。

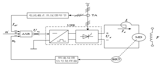
(TG-测速发电机,UPE-电机电子变换器,TA-电流互感器)
3、直流电动机速度和电流双单闭环调速系统工作原理
额定励磁状态下的直流电动机电枢电流与直流电动机的电磁转矩成正比,通过控制电枢电流就能达到对转矩的控制。在转速环内引入电枢电流负反馈,设置电枢电流调节器,构成电流环。
分别引入转速负反馈和电流负反馈,实行串级联接,把转速调节器的输出当作电流调节器的输入,再用电流调节器的输出去控制电力电子变换器UPE。电流环作为内环,转速环作为外环,形成转速、电流双闭环调速系统。电流环通过电流的反馈作用稳定电流,速度环通过转速检测原件的反馈作用保持转速稳定,最终消除转速偏差,从而达到电流和转速的目的。

ASR-转速调节器,ACR-电流调节器,TG-测速发电机,TA-电流互感器,UPE-电机电子变换器
最后
以上就是忧伤夕阳最近收集整理的关于运动控制系统之调速系统的全部内容,更多相关运动控制系统之调速系统内容请搜索靠谱客的其他文章。
发表评论 取消回复