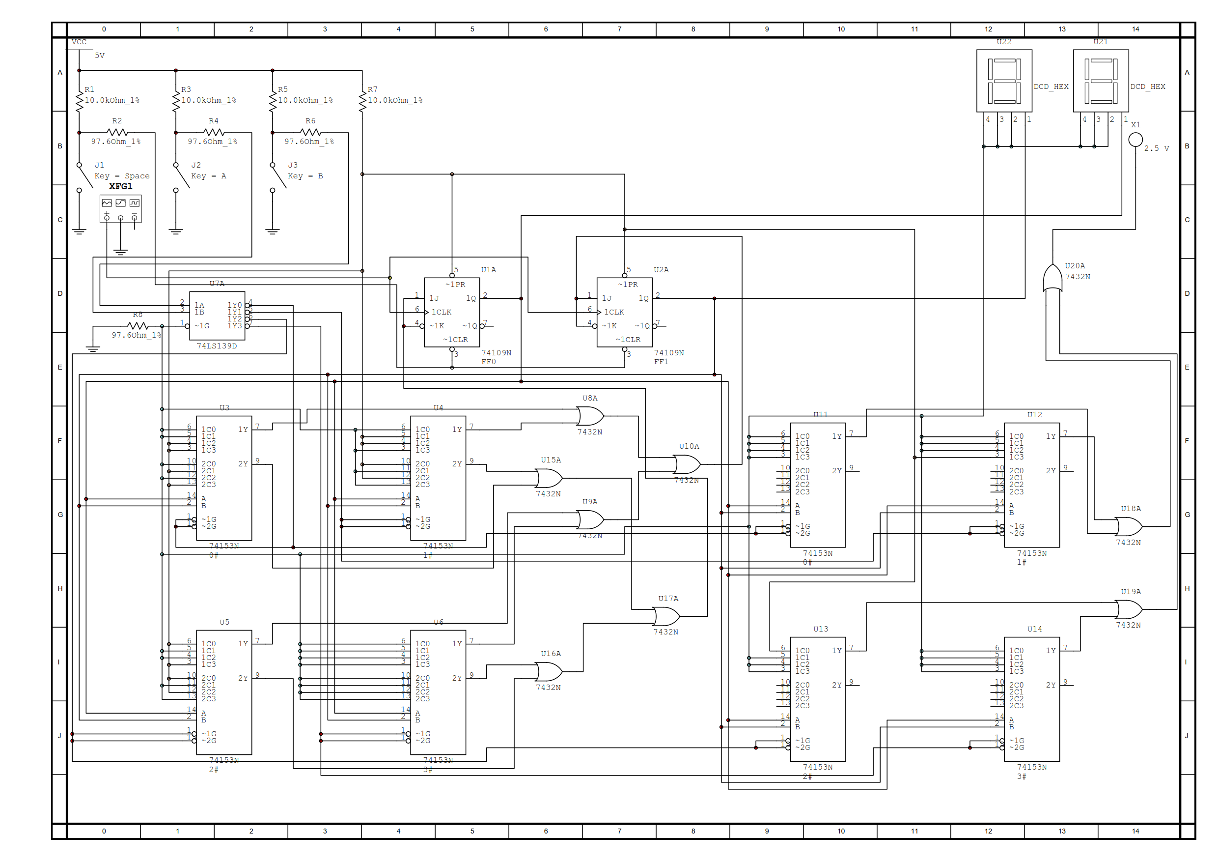
本题与设计"设计一可控同步四进制可逆计数器, 其由输入X1,X2控制, 用D触发器和74151及必要的门电路实现"的设计思路大致相同, 只是在实现D1、D2和Z的逻辑表达式时有些许不同. 读者应着重研究用74153实现16选1数据选择器的方法.
下面的实现方法是扩展方式的一种, 还有另一种扩展方式, 在日后的设计中我会和大家分享.

最后
以上就是曾经猫咪最近收集整理的关于设计一可控同步四进制可逆计数器, 其由输入X1,X2控制, 用D触发器和74153及必要的芯片实现的全部内容,更多相关设计一可控同步四进制可逆计数器,内容请搜索靠谱客的其他文章。
本图文内容来源于网友提供,作为学习参考使用,或来自网络收集整理,版权属于原作者所有。
发表评论 取消回复