前言:学习同步时序逻辑电路的分析、设计
一、同步时序逻辑电路的分析
1、时序逻辑电路的分析步骤
| 步骤一 | 逻辑图 同步or异步 计数器or状态机 | 一条总线同步,多条总线是异步 计数器无输入,状态机有输入 状态机还分摩尔型和米里型 |
| 步骤二 | 驱动方程 输出方程 状态方程 | D1= D2= D3= …… Q1^n= Q2^n= Q3^n=…… Q1^(n+1) Q2^(n+1) Q3^(n+1)…… |
| 步骤三 | 状态表 状态图 时序图 | 输入 | Q^n | Q^(n+1)
|
| 步骤四 | 功能描述 |
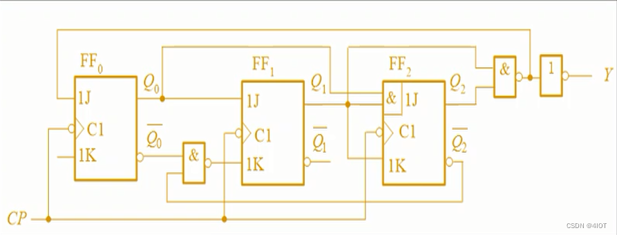
2、例:请分析以下同步时序电路。

步骤一:
只有一条CP,判断为同步时序电路
无输入是计数器
步骤二:
(1)驱动方程:

(2)状态方程
把驱动方程,带入JK触发器的特性方程里,得出状态方程

(3)输出方程

步骤三:
(1)状态表

(2) 状态图

000→110七个状态构成循环,称为有效循环。
“111”位于有效循环之外,称为无效状态。
如果无效状态在若干个CP作用后,最终能进入有效循环称该电路具有自启动能力。
上述时序电路能够自启动。
(3)时序图

步骤四:
功能描述:同步七进制加法计数器
二、同步时序逻辑电路的设计
1、组合逻辑电路的设计步骤:
| 步骤一 | 逻辑问题 |
| 步骤二 | 真值表 |
| 步骤三 | 逻辑表达式 |
| 步骤四 | 逻辑图 |
2、时序逻辑电路的设计步骤:
| 步骤一 | 设定状态 |
| 步骤二 | 状态转换图 |
| 步骤三 | 状态表 |
| 步骤四 | 状态方程 |
| 步骤五 | 驱动方程 |
| 步骤六 | 逻辑图 |
| 步骤七 | 自启动校验 |
3、案例:试用JK触发器设计一个同步七进制计数器。
(1)逻辑抽象,画出状态图。

需要E个触发器。
(2)列出状态表

(3)求出状态方程

(4)求出电路的驱动方程

(5)根据得到的驱动方程画出逻辑图。

(6)检查电路能否自启动。

总结:
同步时序逻辑电路的分析和设计刚好是相反的过程
最后
以上就是平常楼房最近收集整理的关于数字电路和模拟电路-10时序逻辑电路的分析和设计一、同步时序逻辑电路的分析二、同步时序逻辑电路的设计 总结:的全部内容,更多相关数字电路和模拟电路-10时序逻辑电路内容请搜索靠谱客的其他文章。
本图文内容来源于网友提供,作为学习参考使用,或来自网络收集整理,版权属于原作者所有。



发表评论 取消回复