我是靠谱客的博主 哭泣小蘑菇,这篇文章主要介绍双 JK 触发器 74LS112 逻辑功能。真值表_原来单稳态触发器还可以这么构成!涨知识了...,现在分享给大家,希望可以做个参考。

单稳态触发器在数字电路中一般用于定时(产生一定宽度的矩形波),整形(把不规则的波形变为幅度和宽度都相等的脉冲)及延时(将输入信号延迟一定时间后输出)等。

1. 555集成定时器

常用的555定时器有TTL定时器5G555和CMOS定时器CC7555等。

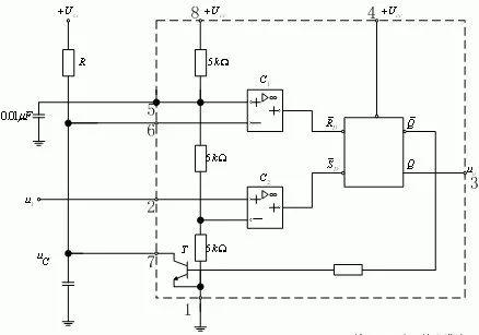
555集成定时器是一种模拟电路和数字电路相结合的中规模集成电路,其电路如下图所示。

0c1f39d2219cb94f78a2fe1f58e3a712.png

555定时器含有两个电压比较器C1和C2,一个由“与非“门组成的基本RS触发器,一个放电晶体管T以及由三个5KΩ的电阻组成的分压器。比较器C1的参考电压为

2f0b2e06d15f6b94df7bbb6e024ce22d.png

,加在同相输入端;C2的参考电压为

560d22cbfce4425d61b8c44a29e95a2d.png

,加在反相输入端。两者均由分压器上取得。

各外引线端的功能是:

1为接地端.2为低电平出发端,由此输入触发脉冲。当2端的输入电压高于1/3UCC时,C2的输出为“1“;当输入电压低于1/3UCC时,C2的输出为”0“,使基本RS触发器置”1“。

6为高电平触发端,由此输入触发脉冲。当输入电压低于2/3UCC时,C1的输出为“1“;当输入电压高于2/3UCC时,C1的输出为”0“,使触发器置”0“。

4为复位端,由此输入负脉冲(或使其电压低于0.7伏)而使触发器直接复位(置“0“)。

5为电压控制端,在此端可外加一电压以改变比较器的参考电压。不用时,经0.0.1uF的电容接“地“,以防止干扰的引入。

7为放电端,当触发器的Q端为“1“时,放电晶体管T导通,外接电容元件通过T放电。

3为输出端,输出电流可达200mA,因此可直接驱动继电器,发光二极管,扬声器,指示灯灯。输出高电压约低于电源电压UCC1-3V。

8为电源端,可在5-18V范围内使用。

2. 由555定时器组成的单稳态触发器

下图是由555定时器组成的单稳态触发器。R和C是外接元件,触发脉冲由2端输入。

工作原理:当触发脉冲尚未输入时,u1为“1”,其值大于

1/3Ucc,故比较器C2的输出为“1”。在稳定状态时触发器状态:

若Q=0, Q=1,则晶体管T饱和导通,uc=UCE(sat)其值远低于2/3Ucc,故比较器C1的输出也为“1”,触发器的状态保持不变。

若Q=1, Q=0,则晶体管截止,Ucc通过R对电容C充电,当uc上升略高于2/3Ucc时,比较器C1的输出为“0”,将触发器置“0”,翻转为Q=0, Q=1。

可见,在稳定状态时Q=0,即输出电压u0为“0”。

在t1时刻,输入触发伏脉冲,其幅度低于1/3Ucc,故C2的输出为“0”,将触发器置“1”,u0由“0”变为“1”,电路进入暂稳状态。这时因Q=0,晶体管截止,电源对电容C充电。虽然在t2时刻触发脉冲已消失,C2的输出变为“1”,但充电继续进行,直到uc上升略高于2/3Ucc时(在t3时刻),C1的输出为“0”,从而使触发器自动翻转到Q=0, Q=1的稳定状态。此后电容C迅速放电。

输出的是矩形脉冲,其宽度(暂稳状态持续时间)

tp=RCln3=1.1RC

结论:

1) 改变RC值,可改变脉冲宽度,从而可以进行定时控制。

7edc4d319c857580c551434c21683b5d.png

2) 输入脉冲的波形往往是不规则的,边沿不陡,幅度不齐,不能直接输入到数字装置,需要单稳态触发器或另外某种触发器整形。

1e549fded2b0c90b6fba62dbccdcb2c9.png

﹌﹌﹌﹌﹌﹌﹌﹌﹌﹌﹌﹌﹌﹌﹌﹌﹌﹌﹌﹌﹌﹌﹌﹌﹌﹌﹌﹌﹌﹌﹌﹌﹌﹌﹌﹌﹌﹌﹌﹌﹌﹌﹌﹌﹌﹌﹌﹌﹌﹌﹌﹌

免责声明:内容整理自网络,版权归原作者所有,如涉及作品版权问题,请及时与我们联系,谢谢!

你和大牛工程师到底差了啥?

加入技术交流群,与高手面对面

添加发烧友小助手入群

最后

以上就是哭泣小蘑菇最近收集整理的关于双 JK 触发器 74LS112 逻辑功能。真值表_原来单稳态触发器还可以这么构成!涨知识了...的全部内容,更多相关内容请搜索靠谱客的其他文章。

本图文内容来源于网友提供,作为学习参考使用,或来自网络收集整理,版权属于原作者所有。
点赞(172)

评论列表共有 0 条评论

立即
投稿
返回
顶部