Toggle navigation
首页
博客
下载
AI
科技
互联网
会员
中心
会员中心
发布资讯
发布博文
发布资源
首页
文章中心
数字电路
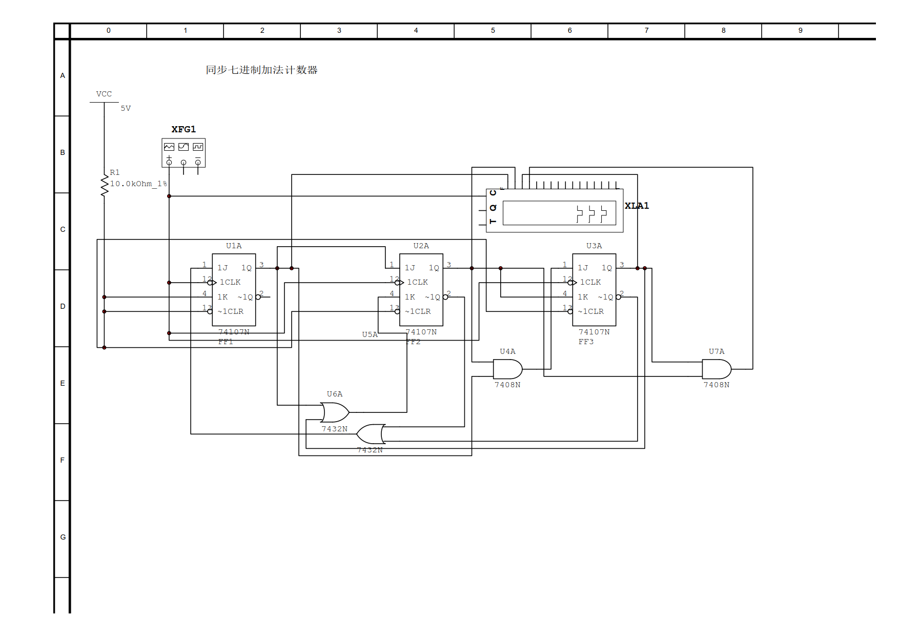
同步七进制加法计数器
227 阅读
0 评论
150 点赞
我是
靠谱客
的博主
自信酒窝
,这篇文章主要介绍
同步七进制加法计数器
,现在分享给大家,希望可以做个参考。
最后
以上就是
自信酒窝
最近收集整理的关于
同步七进制加法计数器
的全部内容,更多相关
同步七进制加法计数器
内容请搜索靠谱客的其他文章。
本图文内容来源于网友提供,作为学习参考使用,或来自网络收集整理,版权属于原作者所有。
点赞(
150
)
本文分类:
数字电路
浏览次数:
227
次浏览
发布日期:2023-05-30 14:43:02
本文链接:
https://www.kaopuke.com/article/k-p-k_14_ujogfy_12__7__10_3.html
相关文章
异步十六进制加法计数器(D⬆)(设计方案2)
【verilog_9】: 设计16位二进制计数器,带异步复位、同步使能、同步装载、同步清零、同步置位2.设计16位二进制计数器,带异步复位、同步使能、同步装载、同步清零、同步置位
华为笔试题--七进制和十进制之间的相互转换题目核心即七进制和十进制之间的相互转换
四位十进制计数器verilog_计数器及其应用
同步七进制加法计数器
同步七进制计数器设计
双 JK 触发器 74LS112 逻辑功能。真值表_数电实验 | 时序逻辑电路
Verilog学习笔记文章目录半加器半减器4选1多路选择器举重裁判电路(五)利用半加器和或门实现全加器(六)利用半减器和或门实现全减器(七)使用算术操作符实现8位加法器(八)乘法器的设计(九)练习:一个电路有32位输入,该电路输出输入端口1的个数(十)参数传递语法(十一)==和<=的区别(十二)含异步清0和同步使能控制的D触发器(十三)含同步清0的D触发器(十四)D触发器的练习题(十五)同步清0的例题(十六)时序电路描述的一些特点和规律(十七)例题:16进制计数器(十八)练习:60进制计数器(十
评论列表
共有
0
条评论
发表评论
取消回复
登录
注册新账号
立即
投稿
返回
顶部
发表评论 取消回复