Toggle navigation
首页
博客
下载
AI
科技
互联网
会员
中心
会员中心
发布资讯
发布博文
发布资源
首页
文章中心
数字电路
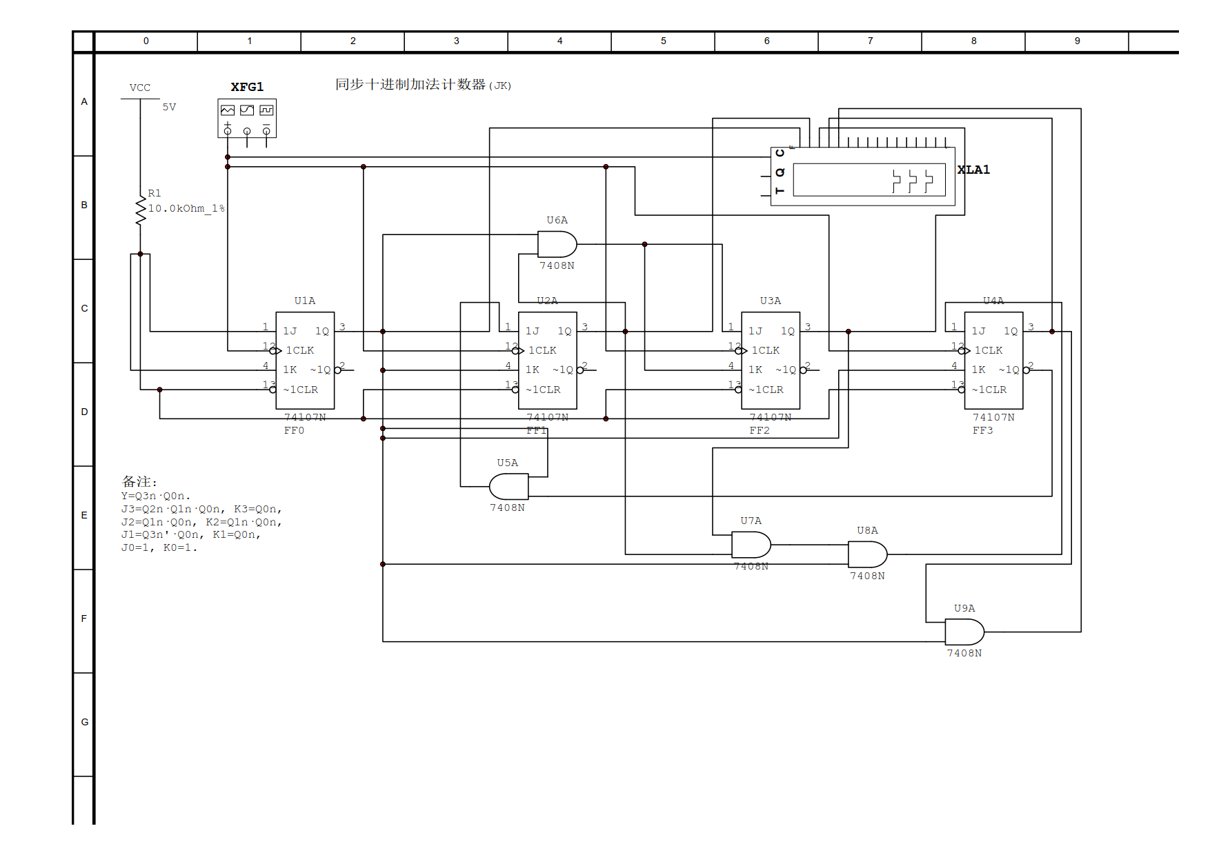
同步十进制加法计数器(JK)
237 阅读
0 评论
157 点赞
我是
靠谱客
的博主
过时大侠
,这篇文章主要介绍
同步十进制加法计数器(JK)
,现在分享给大家,希望可以做个参考。
最后
以上就是
过时大侠
最近收集整理的关于
同步十进制加法计数器(JK)
的全部内容,更多相关
同步十进制加法计数器(JK)
内容请搜索靠谱客的其他文章。
本图文内容来源于网友提供,作为学习参考使用,或来自网络收集整理,版权属于原作者所有。
点赞(
157
)
本文分类:
数字电路
浏览次数:
237
次浏览
发布日期:2023-05-30 13:22:01
本文链接:
https://www.kaopuke.com/article/k-p-k_14_ujogfy_12__23__2_2.html
相关文章
数电实验二 - 点亮一个数码管(Multisim和Basys3)
数电实验六-秒表进阶(Multisim和Basys3)
异步八进制减法计数器分析
下降沿触发的jk触发器(带异步复位和置位功能)_3位同步二进制加法计数器加法减法的实现...
同步十进制加法计数器(JK)
74ls90设计十进制计数器电路图_快速完成智能自动垃圾桶设计,有这颗芯片就够了!...
用74ls90组成二十四进制计数器_六十进制应该怎么怎么设计呢?
第7讲 常用时序逻辑功能器件:计数器和寄存器——计算机逻辑基础
评论列表
共有
0
条评论
发表评论
取消回复
登录
注册新账号
立即
投稿
返回
顶部
发表评论 取消回复