一、无源一阶低通滤波器分析

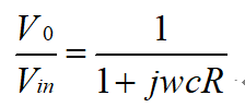
由图可以知道,输入信号为Vi,输出函数为Vo, 电阻R的阻抗为R,C电容C阻抗为1/jwC,Vo实际上是Vi在电容C上的分压,则有:
则有:

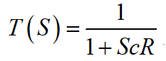
将jwS变换得到:

再令Vo/Vin 表示为s的函数:

我们可以看到RC为常数,因此可以先上下同除RC,再用字母代换,有:

这就是无源一阶低通滤波系统的传递函数,Wo为特征角频率。
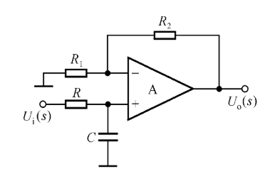
二、有源一阶低通滤波器分析
有源低通滤波器传递函数需要考虑到放大器增益AF,如下:


补充:理解截止频率(3db是怎么来的)?
首先,让我们将标准的s域传递函数转换为等效的jω传递函数。

令Wo=截止频率:

取模:

这里的K是增益,幅度为1V的极低频输入信号将会放大为幅度为KV的输出信号。 如果输入频率增加到每秒Wo弧度,输出幅度将为K/√2。 K/√2对应于-3 dB,截止频率的另一个名称便是-3 dB频率。
参考文献:
低通滤波电路传递函数怎么求
一阶滤波函数-传递函数
了解低通滤波器传递函数
最后
以上就是明理黑夜最近收集整理的关于一阶低通滤波器的传递函数分析的全部内容,更多相关一阶低通滤波器内容请搜索靠谱客的其他文章。
本图文内容来源于网友提供,作为学习参考使用,或来自网络收集整理,版权属于原作者所有。
发表评论 取消回复