描述
随着触摸屏的应用和产量的增加,价格下降。因而有可能使用触摸屏作为单片机控制设备的键盘和显示装置,提高单片机控制设备的档次。触摸屏与PLC联合使用时,触摸屏的主要功能是:
①显示PLC输入,输出端13或辅助继电器的开关状态。
②用触摸按键强制PLC输入,输出端口或辅助继电器的开/关。
③显示PLC中定时器、计数器和数据寄存器的内容。
④用触摸屏键盘把设定数据送入PLC的数据寄存器中。
可规纳成触摸屏与PLC问对应地址的数据位、字的读和写。因此可以利用MOD—BUS通信协议来实现触摸屏与单片机的通信和控制,或触摸屏与多台单片机通信,构成一个集散控制系统。
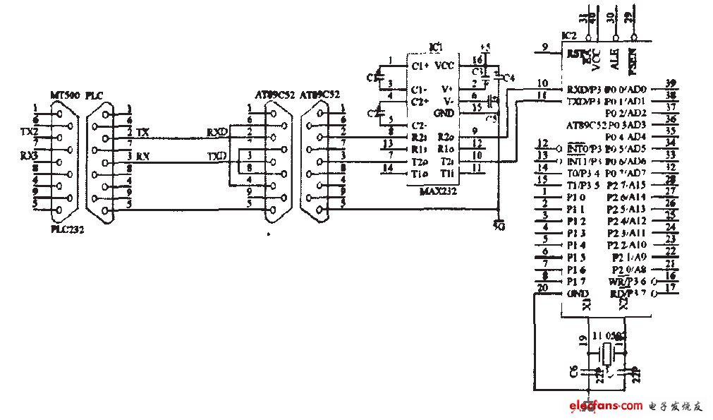
1 触摸屏与单片机的硬件联接
采用MT500触摸屏与AT89C52单片机一对一通信。把触摸屏的PLC232 9针插座与带有RS232接口的AT89C52单片机相连接。如图1所示。注意:通信电缆DB9是2-2、3—3、5-5。
这种接法的电缆也可用于与PC机通信或做通信摸拟。作PC机通信时在连接PC机端的DB9短接4—6、7—8。由于AT89C52单片机无RS232接口,因此需要扩展一片MAx232,把RXD、T×D的TTL电平转换成RS232电平。

图1 触摸屏与单片机通信联接方法
2 建立触摸屏与单片机的内部存储器地址对应关系
打开触摸屏组态软件,从[编辑]下拉菜单中选[系统参数]&#x
最后
以上就是娇气电灯胆最近收集整理的关于触摸屏与单片机通讯C语言程序,讲述如何实现单片机与触摸屏的通信的全部内容,更多相关触摸屏与单片机通讯C语言程序,讲述如何实现单片机与触摸屏内容请搜索靠谱客的其他文章。
本图文内容来源于网友提供,作为学习参考使用,或来自网络收集整理,版权属于原作者所有。
发表评论 取消回复