我是靠谱客的博主 拉长鞋子,这篇文章主要介绍vhdl11——100进制,分,秒,时,天,现在分享给大家,希望可以做个参考。

1.首先做一个10进制计数器,很简单,但是碰到问题了
用的代码是:

--ujs-lili
library IEEE;
use IEEE.STD_LOGIC_1164.ALL;
use IEEE.STD_LOGIC_unsigned.ALL;
use IEEE.STD_LOGIC_arith.ALL;
entity shijinzhi is
port(clk,rst,en:in std_logic;
   cq:out std_logic_vector(3 downto 0);
   cout:out std_logic);
end shijinzhi;
architecture Behavioral of shijinzhi is
signal cq1: std_logic_vector(3 downto 0):="0000";
begin
process(clk,en,rst)
begin
 if rst='1' then
 cq<="0000";cout<='0';
 elsif clk'event and clk='1' then
  if en='1' then
   if cq1<"1001" then
     cq1<=cq1+'1';
     cout<='0';
   else
    cq1<="0000";
    cout<='1';
   end if;
  end if;
 end if;
 cq<=cq1;  
end process;
end Behavioral;

仿真会发现,cout在0的正半周期也有,这是不对的。

错误!
那肯定是cout写的不对。而且是赋值为0的地方写的不对。

--ujs-lili
library IEEE;
use IEEE.STD_LOGIC_1164.ALL;
use IEEE.STD_LOGIC_unsigned.ALL;
use IEEE.STD_LOGIC_arith.ALL;
entity shijinzhi is
port(clk,rst,en:in std_logic;
   cq:out std_logic_vector(3 downto 0);
   cout:out std_logic);
end shijinzhi;
architecture Behavioral of shijinzhi is
signal cq1: std_logic_vector(3 downto 0):="0000";
begin
process(clk,en,rst)
begin
 if rst='1' then
 cq<="0000";cout<='0';
 elsif clk'event and clk='1' then
  if en='1' then
   if cq1<"1001" then
     cq1<=cq1+'1';
     --改了这里
   else
    cq1<="0000";
    cout<='1';
   end if;
  end if;
 end if;
 cq<=cq1;  
      --改了这里
 if cq1<"1001" then
 cout<='0';
 end if;
end process;
end Behavioral;

正确
2,通过级联,两个十进制计数器做成100进制计数器
检查一下:
100进制
发现在计数到99的时候,总的进位输出为1,符合预期。
看一下元器件:
rtl
代码:

--ujs-lili
library IEEE;
use IEEE.STD_LOGIC_1164.ALL;
entity jinzhibai_top is
port(clk,rst,en:in std_logic;
   cq:out std_logic_vector(7 downto 0);
   cout:out std_logic);
end jinzhibai_top;
architecture Behavioral of jinzhibai_top is
component shijinzhi 
port(clk,rst,en:in std_logic;
   cq:out std_logic_vector(3 downto 0);
   cout:out std_logic);
end component;
signal a,b,c:std_logic;
begin
u1:shijinzhi port map(clk=>clk,en=>a,rst=>b,cq=>cq(3 downto 0),cout=>c);
u2:shijinzhi port map(clk=>c,en=>a,rst=>b,cq=>cq(7 downto 4),cout=>cout);
a<=en;
b<=rst;
end Behavioral;

下面来做一个秒到小时
这个就用16进制计数器就行了:
代码:

--ujs-lili
library IEEE;
use IEEE.STD_LOGIC_1164.ALL;
use IEEE.STD_LOGIC_unsigned.ALL;
use IEEE.STD_LOGIC_arith.ALL;
entity liushijinzhi is
port(clk,rst,en:in std_logic;
   cq:out std_logic_vector(5 downto 0);--60进制是0-59可以用range 0 to 59,也可以0011 1100
   cout:out std_logic);
end liushijinzhi;
architecture Behavioral of liushijinzhi is
signal cq1: std_logic_vector(5 downto 0):="000000";
begin
process(clk,en,rst)
begin
 if rst='1' then
 cq<="000000";cout<='0';
 elsif clk'event and clk='1' then
  if en='1' then
   if cq1<"111100" then
     cq1<=cq1+'1';
     --改了这里
   else
    cq1<="000000";
    cout<='1';
   end if;
  end if;
 end if;
 cq<=cq1;  
      --改了这里
 if cq1<"111100" then
 cout<='0';
 end if;
end process;
end Behavioral;

仿真:
60进制
这次用硬件连接:
硬件连接

仿真:
3600s
这里的时钟周期10ns,3600*10ns=36000ns=36微秒近似等于37微秒;
仿真程序:

--ujs_lili
LIBRARY ieee;
USE ieee.std_logic_1164.ALL;
USE ieee.numeric_std.ALL;
LIBRARY UNISIM;
USE UNISIM.Vcomponents.ALL;
ENTITY xiaoshi_top_xiaoshi_top_sch_tb IS
END xiaoshi_top_xiaoshi_top_sch_tb;
ARCHITECTURE behavioral OF xiaoshi_top_xiaoshi_top_sch_tb IS 
   COMPONENT xiaoshi_top
   PORT( rst : IN STD_LOGIC; 
          en : IN STD_LOGIC; 
          clk : IN STD_LOGIC; 
          jinwei : OUT STD_LOGIC);
   END COMPONENT;
   SIGNAL rst : STD_LOGIC;
   SIGNAL en : STD_LOGIC;
   SIGNAL clk : STD_LOGIC;
   SIGNAL jinwei : STD_LOGIC;
constant clk_period : time := 10 ns;
BEGIN
   UUT: xiaoshi_top PORT MAP(
  rst => rst, 
  en => en, 
  clk => clk, 
  jinwei => jinwei
   );
clk_process :process
   begin
  clk <= '0';
  wait for clk_period/2;
  clk <= '1';
  wait for clk_period/2;
   end process;
-- *** Test Bench - User Defined Section ***
   tb : PROCESS
   BEGIN
 rst <='1'; 
 en<='0';
      WAIT for 100ns; -- will wait forever
  rst<='0';
  en<='1';
  wait;
   END PROCESS;
-- *** End Test Bench - User Defined Section ***
END;

那么下边就可以来做一个时钟了呢!
1.做一个24进制用于计天:

--ujs-lili
library IEEE;
use IEEE.STD_LOGIC_1164.ALL;
use IEEE.STD_LOGIC_unsigned.ALL;
use IEEE.STD_LOGIC_arith.ALL;
entity jinzhi24 is
port(clk,en,rst:in std_logic;
  cout:out std_logic;
  cq:out std_logic_vector(4 downto 0));
end jinzhi24;
architecture Behavioral of jinzhi24 is
signal cq1:std_logic_vector(4 downto 0):="00000";
begin
process(clk,en,rst)
begin
 if rst='1' then
  cout<='0';cq<="00000";
  elsif clk'event and clk='1' then 
  if en='1' then 
   if cq1<"11000" then
    cq1<=cq1+'1';
    else
    cq1<="00000";
    cout<='1';
   end if;
  end if;
   end if;
  if cq1<"11000" then
  cout<='0';
  end if;
  cq<=cq1;
end process;
end Behavioral;

仿真:
24进制
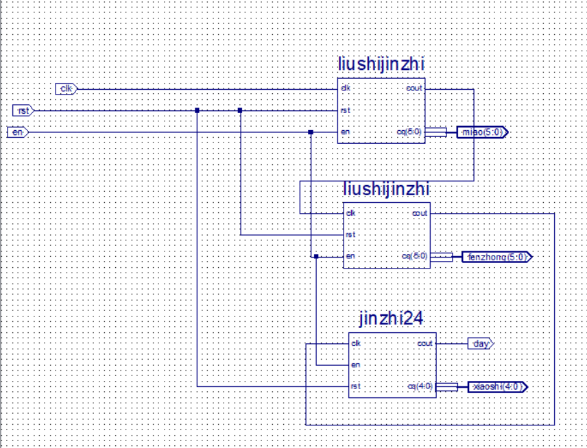
2.硬件连接
一天
3.仿真:
24小时
仿真代码:

LIBRARY ieee;
USE ieee.std_logic_1164.ALL;
USE ieee.numeric_std.ALL;
LIBRARY UNISIM;
USE UNISIM.Vcomponents.ALL;
ENTITY yitian_top_yitian_top_sch_tb IS
END yitian_top_yitian_top_sch_tb;
ARCHITECTURE behavioral OF yitian_top_yitian_top_sch_tb IS 
   COMPONENT yitian_top
   PORT( clk : IN STD_LOGIC; 
          rst : IN STD_LOGIC; 
          en : IN STD_LOGIC; 
          miao : OUT STD_LOGIC_VECTOR (5 DOWNTO 0); 
          fenzhong : OUT STD_LOGIC_VECTOR (5 DOWNTO 0); 
          xiaoshi : OUT STD_LOGIC_VECTOR (4 DOWNTO 0); 
          day : OUT STD_LOGIC);
   END COMPONENT;
   SIGNAL clk : STD_LOGIC;
   SIGNAL rst : STD_LOGIC;
   SIGNAL en : STD_LOGIC;
   SIGNAL miao : STD_LOGIC_VECTOR (5 DOWNTO 0);
   SIGNAL fenzhong : STD_LOGIC_VECTOR (5 DOWNTO 0);
   SIGNAL xiaoshi : STD_LOGIC_VECTOR (4 DOWNTO 0);
   SIGNAL day : STD_LOGIC;
constant clk_period : time := 2 ns;
BEGIN
   UUT: yitian_top PORT MAP(
  clk => clk, 
  rst => rst, 
  en => en, 
  miao => miao, 
  fenzhong => fenzhong, 
  xiaoshi => xiaoshi, 
  day => day
   );
clk_process :process
   begin
  clk <= '0';
  wait for clk_period/2;
  clk <= '1';
  wait for clk_period/2;
   end process;
-- **
-- *** Test Bench - User Defined Section ***
  tb : PROCESS
   BEGIN
 rst <='1'; 
 en<='0';
      WAIT for 100ns; -- will wait forever
  rst<='0';
  en<='1';
  wait;
   END PROCESS;
-- *** 
-- *** End Test Bench - User Defined Section ***
END;

最后

以上就是拉长鞋子最近收集整理的关于vhdl11——100进制,分,秒,时,天的全部内容,更多相关vhdl11——100进制内容请搜索靠谱客的其他文章。

本图文内容来源于网友提供,作为学习参考使用,或来自网络收集整理,版权属于原作者所有。
点赞(163)

评论列表共有 0 条评论

立即
投稿
返回
顶部