//门级电路描述方法
//描述D型主从触发器的电路结构图
module flop(data, clock, clear, q, qb);
input data, clock, clear;
output q, qb;
nand #10 nd1(a,data,clock,clear),
nd2(b,ndata,clock),
nd4(d,c,b,clear),
nd5(e,c,nclock),
nd6(f,d,clock),
nd8(qb,q,f,clear);
nand #9 nd3(c,a,d),
nd7(q,e,qb);
not #10 iv1(ndata, data),
iv2(nclock,clock);
endmodule
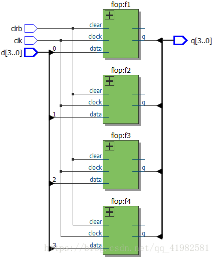
//调用模块,构成4位寄存器电路结构图
module cy4(d,clk,clrb,q);
input clk,clrb;
input[3:0] d;
output[3:0] q;
flop f1(d[0],clk,clrb,q[0]),//注意结束时用逗号,最后才用分号
f2(d[1],clk,clrb,q[1]),//表示f1-f4都是flop
f3(d[2],clk,clrb,q[2]),
f4(d[3],clk,clrb,q[3]);
endmodule

最后
以上就是洁净跳跳糖最近收集整理的关于用结构描述方法描述D型主从触发器的电路结构图的全部内容,更多相关用结构描述方法描述D型主从触发器内容请搜索靠谱客的其他文章。
本图文内容来源于网友提供,作为学习参考使用,或来自网络收集整理,版权属于原作者所有。
发表评论 取消回复