- 任务描述
- 相关知识
- 实验内容
- 测试说明
任务描述
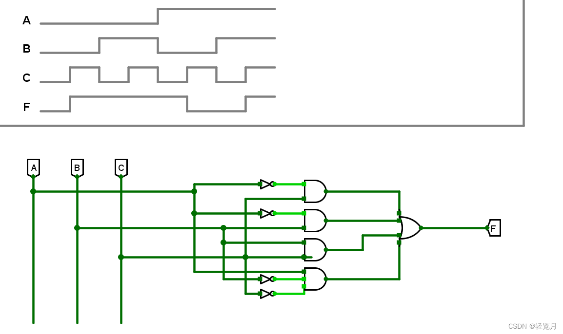
本关任务:根据如下波形图设计并绘制逻辑电路,其中A、B、C为输入信号,F为输出信号。

相关知识
为了完成本关任务,你需要掌握: 1.波形图的概念; 2.根据波形图整理出真值表,然后写出表达式并绘制电路。
实验内容
实验电路框架与第一关相同!子电路:波形图 在Logisim中打开实验电路框架LogicFuncTools.circ,在“波形图”子电路中,根据给定的波形图设计并绘制电路,并进行测试。
测试说明
请用记事本或者纯文本编辑器打开本地设计完成的电路文件(LogicFuncTools.circ),全选(Ctrl+A)、复制(Ctrl+C),然后在本页面代码区中全选(Ctrl+A)、粘贴(Ctrl+V),点击右下方的“评测”按钮,平台会对你的电路代码进行测试。

最后
以上就是野性大地最近收集整理的关于根据波形图绘制电路的全部内容,更多相关根据波形图绘制电路内容请搜索靠谱客的其他文章。
本图文内容来源于网友提供,作为学习参考使用,或来自网络收集整理,版权属于原作者所有。
发表评论 取消回复