摘 要
随着电磁对抗和雷达技术的不断演进,雷达信号由传统的连续波、单脉冲形式逐步向宽带线性调频、捷变频、跳频等复杂波形发展,常用的频率测量方法在测频精度和测频速度等方面很难满足要求。针对宽带相控阵雷达目标回波模拟器瞬时信号带宽高达 2 GHz、扫频或随机跳频信号带宽覆盖整个工作频段的特点,创新性地采用瞬时测频引导结合实时宽带数字信道化精测频技术,设计研制了超宽带、高精度的瞬时测频模块和相应软件,并应用于宽带目标回波模拟器的研制之中。通过实测和半实物仿真试验验证,测频精度、测频范围和测频的实时性等指标完全满足整体性能要求。引 言
作为电磁对抗、雷达信号模拟和抗干扰等领域的一项关键技术,宽带瞬时测频能够完成对所接收到的雷达信号载波频率进行快速测量。瞬时测频技术起源于 20 世纪 50 年代,随着宽带雷达技术的发展和对电磁信号实时侦收的需求,对雷达辐射和电磁环境信号瞬时测频的要求越来越高 。传统的测频方法主要分为鉴频法、多信道法、干涉仪比相法等。近些年,国内外研究人员在测频技术方面进行了深入的研究。文献提出了一种基于时间数字转换器的瞬时测频技术,提高了频率测量的稳定性,但缺点是测量信号动态范围较小。文献提出了基于 CORDIC 算法的瞬时测量方法,该方法具有对单频点测量精度高、瞬时性好的优点,但对多频和复杂调制信号不适用。文献对计数式瞬时测频技术进行了研究,但该方法测频精度低。国内外学者把微波光子技术引入到宽带接收机的瞬时测频理论研究之中,大大提高了测频的带宽范围,但在工程实践上鲜有报道 。
在半实物仿真试验环境下,通常运用雷达目标回波模拟器来产生回波或干扰信号。对于主动雷达制导体制,模拟器需要快速、精确地侦收雷达发射信号,叠加目标特性、多普勒、延时等信息后实时生成目标回波信号。由于目标回波模拟器要应对多个型号的仿真需求,且各型号工作频率跨度大、信号形式多样,特别是捷变频、变重频雷达信号对接收机前端瞬时测频提出了更高的要求。本文采用瞬时测频引导结合实时宽带数字信道化精测频技术,设计研制了超宽带、高精度的瞬时测频模块和软件,提高了测频精度和测频速度,并把研究成果应用于宽带目标回波模拟器的研制之中。
1 宽带瞬时测频变频引导技术
1.1 瞬时测频引导方法
在实际半实物仿真应用中,由于目标回波模拟器系统的前端带宽较宽,覆盖 X、Ku、Ka 频段,要在4 GHz 以上的射频带宽内完成频率跟踪,需要采用实时的频率跟踪手段。本文采用微波瞬时测频技术,完成对工作频段内的微波信号粗测频,进而引导频综产生相应的本振。相应的微波系统原理框图如图 1所示。

图 1 模拟器微波系统原理框图
在接收雷达发射信号时,将接收前端收到的信号分为X 、 Ku和Ka 3个波段的射频信号,经统一下变频到 6~18 GHz。输出信号功分两路,一路输出至瞬时测频模块,瞬测的输出经信号分选之后,输出频综控制信号 C1 , 进而频率引导,并同时产生本振信号L1;另一路信号经本振 L2,得到 0.2~2.2 GHz 的中频信号。中频信号再经过 2路功分,分别输入至目标模拟信号源、欺骗/压制干扰源进行数字调制处理。此外,瞬测接收机输出射频脉冲的检波信号输出到模拟源,用于产生同步信号。通过上述工作流程描述,模拟器系统可以实现将大于 4 GHz的捷变频带宽引导到2 GHz的中频带宽内进行数字信号处理。
1.2 瞬时测频工作原理
瞬时测频接收机以宽开的模式,接收并测量每个雷达信号的载频、脉宽幅度、到达时间等信息。
实现瞬时测频有多种技术途径,但只要能瞬时(单脉冲)给出输入射频(RF)信号的频率代码,均可称为瞬时测频。文中的多通道延迟线鉴频体制的瞬时测频技术建立在相位干涉原理之上,所采用的自相关技术是波的干涉原理的一种具体应用 。
实现瞬时测频的核心部件是微波鉴相器,它由功分器 1、延迟线、功分器 2、3个 3 dB 90°电桥、4个平方律检波器以及 2个差分输入、差分输出的视频放大器组成。其中,功分器 2及 3个 3 dB 90°电桥组成的部件称为相关器。微波鉴相器电原理如图2所示。

功分器将输入 RF 信号分成两路:一路不经延迟线直接送入相关器;另一路则通过一段延迟时间为 τ 的射频同轴电缆后再送入相关器。两路信号由于延时线的存在而形成了 θ = 2πfτ 的相位差。这个相位差由鉴相器检出,在差分视放的输出端分别给出以下信号:

式中:U s 、 U c 分别是相位 θ 的正余弦函数;θ 取决于频率和延迟时间 τ 。由于 τ 是确定的,因此,只要对U s 、 U c 进行幅度量化,即可对 θ 实现编码,从而也就可得到频率 f 的数字代码。
由于 U s 、 U c 是 θ 的正余弦函数,因此,它是以 2π为周期的,则有

即

由此可见,延迟线长度确定以后,测频范围即不模糊带宽也确定了。
采用单个鉴相器的瞬时测频分辨率有限,量化最多可达 6 bit,平均测频分辨率为
。且因 U s 、U c 为 θ 的正、余弦函数,故当输入信号引起 θ 以 2π 为周期的变化时,鉴相输出就产生周期变化,即出现了测频模糊。为保证一定的测频精度,对延迟线和相关器的相位精度及系统的信噪比的要求也很高。
为克服这些缺点,可采用多通道方案,由最长的延迟线通道来决定频率分辨率和精度,用最短延迟线通道来决定瞬时频率覆盖范围,根据通道之间的延迟线长度的比例关系来解决测频模糊问题。
6~18 GHz 频段我们采用 5 通道混合延迟线长度比的测频方案,5 个通道的延迟线长度分别为 τ 、2τ 、 8τ 、 32τ 、 128τ 。最粗测频通道(对应延迟线长度τ )量化 1 bit二进制码,其次 3个通道(对应延迟线长度分别为 2τ 、 8τ 、 32τ )各量化 2 bit二进制码,精测频通道(对应延迟线长度 128 τ )量化 6 bit,给出 13 bit二进制频率代码。频率计算公式为:RF=起点+频率码×1.5 MHz。
瞬时测频接收机主要包括限幅放大器、功分器组件、延迟线、相关器、检波器、视放及量化编码电路。5通道混合延迟线长度比的测频方案系统框图如图 3所示。

图 3 延迟线长度比瞬时测频系统框图
视放及移相量化电路完成将雷达载波信号经微波鉴频器输出的 4 路信号:1+sin θ、1−sin θ、1+cos θ、1−cos θ,由视频差分运算放大器进行差分放大,使之变成完全正交的 sin θ、−sin θ、cos θ、−cos θ4路信号。通过调整增益电位器,使 4路输出信号幅度归一化。
量化编码电路将差分视放电路输出的 4路正交信号通过电阻环网络进行量化,根据编码要求输出一组移相信号,再通过高速比较器进行模数转换。由于编码要求最终输出 13 bit二进制码有 5 路微波通道,因此,视放及移相量化电路也由 5 个通道组成,电阻环专门定制,数值精度较高,因此,移相误差<2°。我们采用大规模可编程器件来实现频率编码,完成通道间纠码及生成二进制单调增长的频率代码的功能。
为保证测频精度,通过温度传感器对周围环境温度进行监控,频率编码电路根据当前温度选择不同的频率校正数据对频率码进行校正。
2 实时宽带数字信道化精测频技术
目标回波模拟器系统采用瞬时测频技术,可以实现将大于 4 GHz的捷变频信号引导到 2 GHz相对窄的中频带宽内进行数字信号处理。在 2 GHz中频带宽内,模拟器系统采用高精度的数字信道化测频技术,提取出雷达信号的精确频率值,进而引导后续的频率校准和补偿工作。
2.1 数字信道化精测频系统架构设计
目标回波模拟器系统在上电后自动执行系统复位操作,DRFM(Digital Radio Frequency Memo‐ry)在复位完成后可接收中频 2 GHz 带宽内的 AD量化数据。数字测频模块首先进行预处理,然后将数字信号送入信道化处理模块,信道化处理模块输出正交的复信号,经模和相位处理模块后,输出信号幅度和相位信息送入检测模块、脉内参数计算模块。检测模块判断出信号的有无,脉内参数计算模块测量脉冲的参数,最后形成的结果送到编码模块,形成 PDW(Pulse Description Word)脉冲描述字输出给系统进行分选 。数字信道化精测频软件处理构架如图 4所示。

数据预处理模块主要根据系统的需要选取合适的窗函数,对截取的数据进行加权处理,减小由于数据截取产生的信号旁瓣泄漏。为了满足系统动态要求,本设计采用 128阶窗函数,该窗函数可以达到优于 55 dB 的处理动态。数据预处理窗函数如图 5所示。

频域数字信道化模块是系统的主要处理模块,它采用频域抽取的方式,将频域划分成 32个均匀分布的信道,相邻信道按照 50% 进行交叠,如图 6 所示。将满足频域最小间隔的信号,在不同的信道中输 出 ,从 而 使 得 系 统 具 有 区 分 同 时 到 达 信 号 的能力。

信道化处理模块是整个设计的核心处理模块,信道化处理模块的处理能力、处理的动态范围、处理输出信号的正交度等对测量精度有非常大的影响。我们针对该模块专门进行了优化设计,既保证了流水线处理的高处理带宽,又保证了测量精度的要求。
2.2.3 幅相计算和信号检测模块
该模块使用旋转坐标系的处理方法,将信道化输出的复信号数据转化成信号的幅度和相位实数据,模块输出结果如图 7 所示。幅度数据用来检测信号的存在,确认信号的峰值等。相位数据用来计算信号的频率和判断信号类型等。

采用了基于总和法与表决法的时域检测方法,门限采用噪声统计的自适应门限与 2次门限相结合的方式,对窄脉宽和宽脉宽的信号分别用不同的匹配准则,对较长的输入脉冲,具有更高的灵敏度。
2.2.4 脉内参数精确测量模块
脉内参数主要包括脉宽、重频、载频、到达时间和其他一些信息。脉内参数计算模块就是根据模和相位计算模块的结果计算、统计脉内的参数,并实现信息的综合。
脉冲幅度通过对过门限值的脉冲幅度值作累加平均得到,脉冲幅度一半所对应的前沿时刻即为脉冲到达时间,前后沿时间间隔为脉冲宽度。对一个脉冲内的瞬时频率进行平均,便可以测得准确的载频信息。对于脉冲压缩信号,得到的载频是指该信号的中心频率。脉内参数处理流程如图 8所示。

编码模块是处理模块的最后一级,负责将所有的信息进行综合和融合,因此,编码模块直接影响系统的输出结果。在完成脉内参数的精确测量后,编码模块将脉内的参数进行整合形成 PDW 脉冲描述字,编码模块还需要根据设定的规则对当前的数据进行识别,减小由于各种原因产生的虚警。
3 瞬时测频硬件实现
瞬时测频模块将接收频段内的射频信号放大、滤波、均衡、功分、延时、混频后、形成视频信号和检波信号,分别对视频信号 AD 采样后进行鉴相、温度校 正 、校 码 及 拼 接 后 产 生 数 字 频 率 码 和 相 关 状态码。
3.1 瞬测模块控制接口时序
3.1.1 外读模式时序
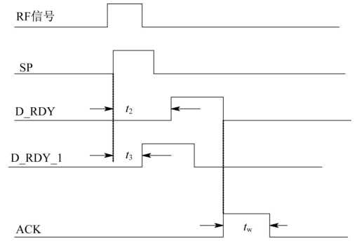
图 9 所示为外读模式时序图。图 9 中,t 1 <30ns;t 2 ≤200 ns;t 3 ≤100 ns;t w >100 ns。若无 ACK 信号,则 D_RDY在 0.1 ms后自动复位。

图 9 外读模式时序图
3.1.2 内读模式时序
图 10 所示为内读模式时序图。图 10 中,t 2 ≤200 ns,t 3 ≤100 ns,t w >100 ns,若无 ACK 信号,则 D-RDY在 0.1 ms后自动复位。

图 10 内读模式时序图
3.1.3 调频模式时序
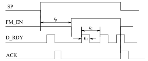
图 11 所示为调频模式时序图。图 11 中,t p >4μs;t C ≤500 ns;t H >250 ns。

图12所示为连续波模式时序图。图12中,t c1 =1ms,若无ACK信号,则D-RDY在0.1 ms后自动复位。

3.2 瞬时测频模块结构设计
瞬时测频模块分为 3 个子模块,分别是变频部分、开关滤波器组和测频接收机,子模块间采用半刚成型电缆连接。盒体采用标准 CPCI 结构形式,占 用 一 个 槽 位 ,尺 寸 为 233.35 mm×160 mm×48mm。瞬时测频模块结构图如 13图所示。测频接收机实物如图 14所示。


4 瞬时测频模块的性能实测
4.1 瞬时测频接收机性能测试
通过实测,得到瞬时测频接收机的实测结果,包括常温、低温和高温,以及不同输入功率条件下的测频精度,结果见表 1。
表 1 测频精度汇总(R.M.S)

4.2 数字信道化精测频性能测试
利用宽带数字储频模块、任意波形发生器、示波器和频谱仪等,对数字信道化接收机模块进行性能测试。
主机通过 JTAG 加载处理程序到处理板 FPGA中,通过 Signaltap 将处理结果读出显示,根据输入结果和输入信号对处理软件的相应参数进行调整。设计指标和实际完成指标的对应关系见表 2。
表 2 设计要求与实际完成指标

5 结束语
在电子侦测和宽带雷达目标信号模拟等实际应用中,瞬时测频技术特别是宽频带瞬时精确测频技术是所需研究的关键技术之一。本文利用瞬时测频引导和实时宽带数字信道化精测频等技术,在保证测频带宽覆盖整个 X、Ku、Ka的前提下,确保了测频的精度和实时性,能够满足宽带相控阵雷达目标回波模拟器的半实物仿真要求。基于现有研究成果,将微波光子技术应用于超宽带瞬时测频模块的工程研制将是后续的研究重点。(参考文献略)
作者:李小琳,庞旭东,舒汀,徐巍,张文俊


最后
以上就是粗心灯泡最近收集整理的关于瞬时极性法对正负反馈的判断方法_宽带瞬时精确测频技术及其应用的全部内容,更多相关瞬时极性法对正负反馈内容请搜索靠谱客的其他文章。
发表评论 取消回复