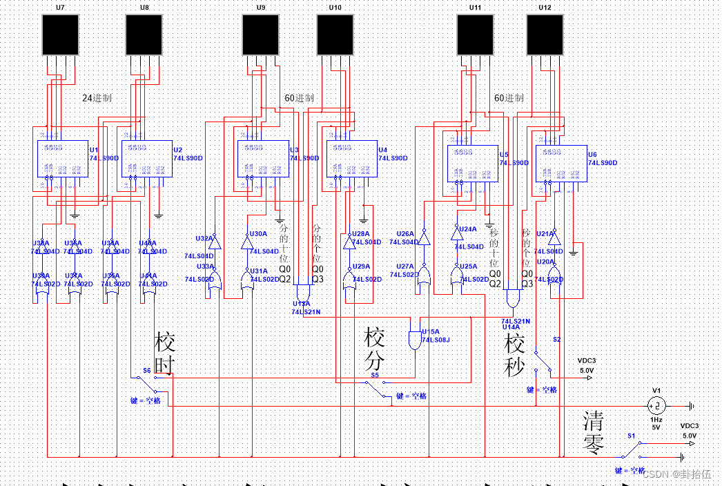
课设内容
数字电子钟是一种用数字电路技术实现时、分、秒计时的装置,与机械式时钟相比具有更高的准确性和直观性,且无机械装置,具有更长使用寿命的优点,因此得到了更广泛的使用,数字电子钟从原理上讲是一的数字电路,其中包括了组合逻辑电路和时序电路。
课设内容:电子时钟,实现时分秒,可进行电子时钟清零,设置时、分、秒功能。器件采用74ls90以及少量其他逻辑门电路。
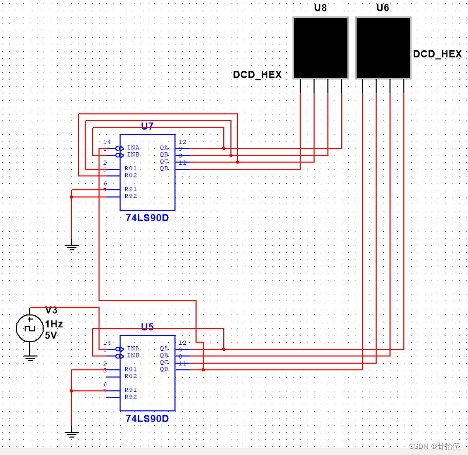
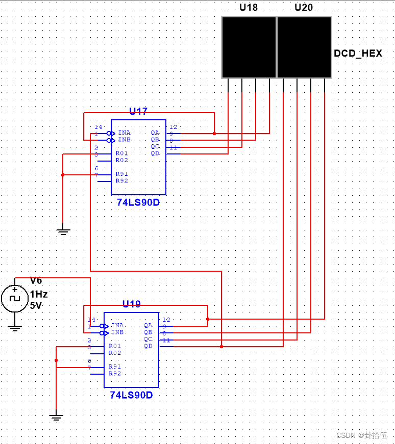
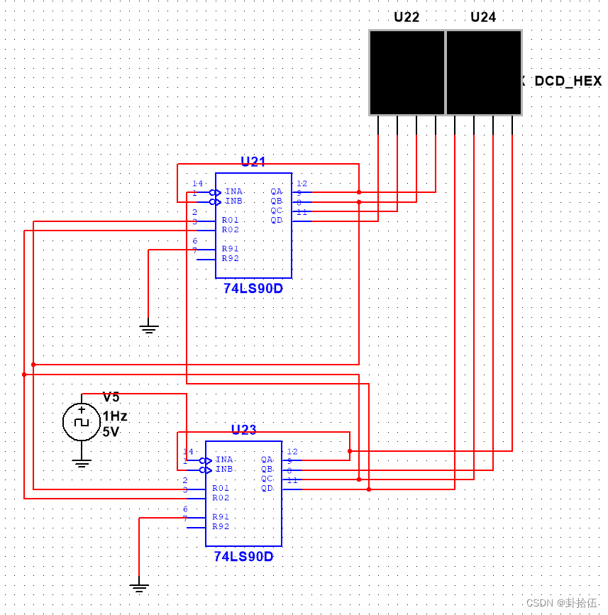
秒计数器采用两块74LS90接 成六十进制计数器, 分计数器也是采用两块74LS90接成六十进制计数器。 时计数器则采用两块74LS90接成二十四进制计数器,秒脉冲信号经秒计数器累计, 达到“60” 时秒计数器复位归零并 向分计数器送出一个分脉冲信号, 分脉冲信号再经分计数器累计, 达到“60” 时分计数器复位归零并 向时计数器送出一个时脉 冲信号, 时脉冲信号再经时计数器累计, 达到‘24’时复位归零
74LS90异步计数器
74LS90异步计数器内部是由两部分电路组成的。一部分是由时钟INA与以为触发器QA组成的二进制计数器;另一部分是由时钟INB与三个触发器QB,QC,QD组成的五进制异步计数器。

74LS90功能表
| Reset Inputs | Output | ||||||
| R0(1) | R0(2) | R9(1) | R9(2) | QD | QC | QB | QA |
| H | H | L | X | L | L | L | L |
| H | H | X | L | L | L | L | L |
| X | X | H | H | H | L | L | H |
| X | L | X | L | COUNT | |||
| L | X | L | X | COUNT | |||
| L | X | X | L | COUNT | |||
| X | L | L | X | COUNT | |||
R0(1)和RO(2)是异步清零端,两个同时为高电平有效;R9(1)和R9(2)是置9端,两个同时为高电平时,QDQCQBQA=1001; 正常计数时,必须保证RO(1)和R0(2)中至少有一个接低电平,R9(1)和R9(2)中至少一个接低电平,如果把QA和INB连接起来连接起来,INB从QA取信号,外部时钟信号接到INA上,那么时钟信号INA和QA、QB、QC、QD就组成了一个十进制计数器。
| BCD计数顺序 | 5—2进制计数顺序 | ||||||||
| CO UN T | 输出 | CO UN T | 输出 | ||||||
| QD | QC | QB | QA | QA | QD | QC | QA | ||
| 0 | 0 | 0 | 0 | 0 | 0 | 0 | 0 | 0 | 0 |
| 1 | 0 | 0 | 0 | 1 | 1 | 0 | 0 | 0 | 1 |
| 2 | 0 | 0 | 1 | 0 | 2 | 0 | 0 | 1 | 0 |
| 3 | 0 | 0 | 1 | 1 | 3 | 0 | 0 | 1 | 1 |
| 4 | 0 | 1 | 0 | 0 | 4 | 0 | 1 | 0 | 0 |
| 5 | 0 | 1 | 0 | 1 | 5 | 1 | 0 | 0 | 0 |
| 6 | 0 | 1 | 1 | 0 | 6 | 1 | 0 | 0 | 1 |
| 7 | 0 | 1 | 1 | 1 | 7 | 1 | 0 | 1 | 0 |
| 8 | 1 | 0 | 0 | 0 | 8 | 1 | 0 | 1 | 1 |
| 9 | 1 | 0 | 0 | 1 | 9 | 1 | 1 | 0 | 0 |
十进制计数器
先用74LS90接成一个十进制计数器

计数器完成后,再采用异步清零法。当6出现瞬间,即QDQCQBQA=0110时,同时
给R0(1)和RO(2)高电平,使这个状态变成0000。当十位计数到6时,输出0110,其
中正好有两个高电平,把这两个高电平QC和QB分别接到RO(1)和RO(2)端,即可实
现清零。一旦清零,QC和QB都为0,不能再继续清零,恢复正常计数,直到下次再
同时为1。
| QD | QC | QB | QA |
| 0 | 0 | 0 | 0 |
| 0 | 0 | 0 | 1 |
| 0 | 0 | 1 | 0 |
| 0 | 0 | 1 | 1 |
| 0 | 1 | 0 | 0 |
| 0 | 1 | 0 | 1 |
| 0 | 1 | 1 | 0 |
| 0 | 1 | 1 | 1 |
| 1 | 0 | 0 | 0 |
| 1 | 0 | 0 | 1 |
六进制计数器
用74LS90接成一个六进制计数器

秒与分的实现——60进制
当十进制计数器计到9时 (1001) ,QD为高电平,之后为低电平,从而产生一个下降沿,作为六进制的时钟信号,与六进制的INA相连,实现六十进制。

向分钟进位
计分电路的关键是找到秒向分的进位信号。当秒电路计到59秒时,产生一个高电压,在计到60秒时变为低电平,来一个下降沿送给计分电路做时钟。计秒电路在计到59时的十位和个位的状态分别为QDQCQBQA=0101和QDQCQBQA=1001,把这四个1与起来即可,即十位的QC和QA,个位的QD和QA与结果作为进位信号。

计时电路——24进制
用两片74LS90实现二十四进制计数器,首先把两片74LS90都接成十进制,并且两片之间连成具有十的进位关系,从而构成一个百进制计数器。

当百进制计数器计数到24时,十位和个位同时清零。计到24时,十位的QB=1(QDQCQBQA=0010),个位的QC=1(QDQCQBQA=0010),分别将这两个信号连接到双方芯片的清零端R0(1)和RO(2)。如个位的QC接到两个74LS90的RO(2)清零端,十位的QB接到两个74LS90的RO(1)清零端,从而构成一个二十四计数器。

向时进位
计时电路的个位时钟来自秒、分电路产生的59分59秒两个信号相与的结果;计秒电路与计分电路在计数到59时,十位状态均为QDQCQBQA=0101,个位状态均为QDQCQBQA=1001.将计秒电路中的四个1相与,计分电路中的四个1相与,两个结果再次相与,作为进时信号,从而实现向小时进位。
秒的十位QAQC,秒的个位QAQD相与的结果和分的十位QAQC、分的个位QAQD相与的结果再与。最终的结果作为时的时钟信号。


实现校时功能

实现清零功能
当2脚,3脚为高电平时,6脚,7脚中有一个为低电平或6脚,7脚都是低电平输出置0000。就可实现置零功能。

当然,当6脚,7脚两同时为高电平时,2脚,3脚不论什么状态无影响,输出置1001,就可实现置9功能。
需要可私不白嫖
最后
以上就是瘦瘦台灯最近收集整理的关于数字电子基础课程设计——基于74LS90的电子时钟,可实现校准时分秒以及清零课设内容74LS90异步计数器74LS90功能表十进制计数器 六进制计数器 秒与分的实现——60进制 向分钟进位 计时电路——24进制 向时进位实现校时功能实现清零功能的全部内容,更多相关数字电子基础课程设计——基于74LS90内容请搜索靠谱客的其他文章。
发表评论 取消回复