我是靠谱客的博主 自由黑裤,这篇文章主要介绍四位十进制计数器verilog_同步集成电路计数器 || 74161 74163 74160 || 同步级联 异步级联 || 数电...,现在分享给大家,希望可以做个参考。

同步集成电路计数器 || 74161 74163 74160 || 同步级联 异步级联 || 数电

b691e4b97fdb87aff0494f86c22a0b0f.png

1c8cf759ecbde54aa7668533a6e8510e.png

TTL器件和CMOS器件的工作电压和输入输出接口参数会有差别。

上面图中,各式76161虽然型号不同,但是逻辑功能都是相同的,后面统称74161。

1. 4位同步二进制计数器74161

74161的功能有4个:

  • 异步清零
  • 同步置数
  • 保持
  • 同步计数

6620647b9c6f3ecdd410efa5513f882f.png

其逻辑图和功能表如下图所示,

  • (CLR非)是异步清零端
  • (LD非)是同步置数控制端
  • ENT和ENP是计数控制端
  • CLK用作时钟信号输入端
  • D0D1D2D3用作4位预置数据输入
  • Q0Q1Q2Q3表示四位计数器的状态
  • RCO为计数器进位输出端

逻辑符号内部有一些标识符,他们有特定的含义。

例如,和异步清零端(CLR非)对应的内部标识符为CT=0,其中CT是英文counter的缩写。这个标识符表示,在这个输入端施加有效电平,将使计数器清零,也就是使状态Q3Q2Q1Q0变成0000。我们可以看到,这个输入端标有一个三角符号,它表示这个输入端的有效电平是低电平。也就是说,(CLR非)为低电平0时,计数器将清零。

再一例,和输出端RCO对应的标识符为3CT=15,其中CT=15表示当计数器的状态Q3Q2Q1Q0=1111,即十进制数15时,RCO将变成高电平1。其中3表示RCO的输出逻辑电平受其它带有数字3的标识符所对应的输入端信号的影响。我们可以找到,代表舒服带有数字3的标识符为G3,对应输入端ENT,表明计数控制端ENT对进位输出RCO有影响。

此外,为了画图方便,我们经常使用右边所示的逻辑符号传统画法。

83f67ca61d0480f7860ae9f755e80a86.png

0395450531b203f78417aad4fb803d7f.png

2. 4位同步二进制计数器74163

74163的逻辑符号与功能分别如图所示和如表所示。

乍一看,好像和刚刚介绍过的74161没什么区别。

他们确实非常相像,差别在于逻辑符号左边的第一个输入信号。也就是(CLR非的清零方式)。

异步清零端(CLR非)对应的内部标识符为5CT=0而不是CT=0。

根据之前的介绍,由于带数字5的是C5,其对应的输入引脚是时钟CLK,因此我们会想到74163的清零信号必然受到时钟CLK的影响。

从74163功能表的第一行我们可以发现,低电平有效的清零信号(CLR非)必须由时钟CLK的上升沿触发,才能起到清零左作用。因此我们把这种清零方式称为同步清零。

至此,我们可以说74163和74161的唯一差别在于清零方式。

74161采用异步清零,而74163采用同步清零,其它的工作过程是相同的。

在数字集成电路中,大部分的触发器、计数器和后面要学习的寄存器、移位寄存器大都采用异步清零的方式。

42cb35a57dd84b7fbd71ec1d52953ce7.png

3. 十进制同步计数器74160

和前面学过的4位二进制计数器74161相比,74160工作模式是一样的。

  • 异步清零
  • 同步置数
  • 保持
  • 同步计数

唯一的差别是计数的状态转换图不同。

3c2de2811c1b84e1923576676c50da2b.png

下图是74160的逻辑符号、简化符号和功能表。

输出端RCO对应的标识符为3CT=9,其中CT=9表示当计数器的状态Q3Q2Q1Q0=101,即十进制数9时,RCO将变成高电平1。

a55e1ded4eb37c00ab0ed6a44517f38f.png

下面我们看到的是74160的状态转换图,由于下面的10个状态和8421BCD码是一一对应的,因此74160也被称为8421BCD码计数器。

56601ac63d126ec51c136288590cce36.png

d058726accf0341c0df73f25b39c4ab3.png

2. 计数器的级联

9665fce8eea20284344b8e603b6d2617.png

2.1 异步级联

7fa28a012073d5ba82236aec9ad9fff0.png

异步级联会导致工作频率的下降。

b4cf330366ec057d939ff5d30a4e2c8d.png

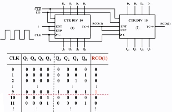
2.2 同步级联

下图接法被称作同步级联,因为两片74160的时钟输入端被连接到了一起,它们可以在统一的时钟脉冲下同步地工作。

同步级联利用ENT和ENP端来实现。

1a26d881f74bde8ecbfe50f3a6c61d90.png

下图介绍工作原理。

计数器(1)的计数控制端ENT=1、ENP=1,因此计数器(1)工作在同步计数模式,也就是在时钟信号CLK作用下进行加法计数。

而计数器(2)的计数控制端ENT和ENP受控于计数器(1)的进位输出端RCO(1),因此计数器(2)能否工作在计数模式,取决于RCO(1)的电平。当RCO(1)=1时,计数器(2)工作在同步计数模式,也就是在时钟信号CLK作用下进行加法计数;当RCO(1)=0时,计数器(2)工作在保持模式,即不管有无时钟脉冲,计数器(2)保持状态不变。

6255c0fd049becee451fe41ed1017801.png

计数器配合BCD译码器可以通过数码管显示出计数状态。

c99a14699dc4f9649fc9e57e4c528b20.png

f6dca622604eaa5d4f863281295b261d.png

33c78b17be1d6d6639bf515ea733f491.png

由于同步级联计数器的性能优于异步级联,因此推荐使用同步级联的方法。

丢题目,

a0094e65f39cfef1e0ec3ea5bfcbc6a1.png

视频:MOOC-数字逻辑电路-第9单元 时序逻辑功能-同步集成电路计数器

最后

以上就是自由黑裤最近收集整理的关于四位十进制计数器verilog_同步集成电路计数器 || 74161 74163 74160 || 同步级联 异步级联 || 数电...的全部内容,更多相关四位十进制计数器verilog_同步集成电路计数器内容请搜索靠谱客的其他文章。

本图文内容来源于网友提供,作为学习参考使用,或来自网络收集整理,版权属于原作者所有。
点赞(178)

评论列表共有 0 条评论

立即
投稿
返回
顶部