我是靠谱客的博主 高兴猎豹,这篇文章主要介绍simulink同步发电机模型_电机控制仿真模型——电机模型简化公式,现在分享给大家,希望可以做个参考。

28c7066cb624a569edb659c32df37000.png

最近在建立永磁同步电机的非线性控制模型,就是基于simulink模型库将电机模型替换成考虑电感饱和和永磁磁链变化的非线性模型。在建立电机模型过程中发现,电机所涉及的就是四个基本公式。

Vabc→Vdq;

Vdq→Idq;

Idq→Te;

Te→θ;

以往我们在设计电机时通常在反电势设计时按经验取最大电压的一个比例系数,而采用仿真系统进行仿真后,控制系统采用空间矢量SVPWM控制,根据所仿真的转速转矩结果可以指导电机设计的反电势是否合理,电机能否达到设计指标要求的最高转速或额定转速。

本例为Id=0控制方式。

(1) Vabc→Vdq

第一个公式就是将三相交流电压变换为两相静止的dq轴电压。

3af7b676682871d91b65288b8817ed02.png

735148aa7bdea7e5de1c373a6912efe7.png

3f5406ab5311ca8a5f549446a063c061.png
simulink实现

(2)Vdq→Idq;

由上式得到的Vdq,可以找到Idq之间的关系,并可以通过simulink中的公式得到Idq。

d75701aceee1e6d0e6da1fa846edcbdd.png

7622681ec97ba6b168de4aa9dac64b24.png

e2848bdd7a9a98734b688c81c9e9c611.png

6f1545d717fb453de472f754755aa72c.png
simulink实现

(3)Idq→Te

由上式中的Idq得到电机的电磁转矩。

c8a0b93383d3a491ffc9b23fdfdef288.png

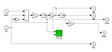
(4)Te→θ

24308f6ee08b701381a1ceb80fcf6bf9.png

66546c5f138a213b42bc6a1c4052fbca.png
simulink实现

以上四个公式就是将电机的非线性问题进行了线性化,这里没有考虑电机在大电流情况下电感将不是定值,磁链也将发生变化。

仿真结果如下:

(1)转矩与转速曲线

bdcc70e3128641e584918e3da4227dcd.png
启动过程的电磁转矩与转速,0.2s突加负载

(2) dq轴电流

5d2321b14eb0c1ad17ffbd7f58c2a294.png
启动过程的dq轴电流

(3) 三相电流

d85eb1e8f588f2b09d6df9a565efa67d.png
电机启动过程的三相电流

(4) 空载转速与启动过程

f6ee53a2753d6327fedaccdec298eefc.png
启动电磁转矩与转速

本例中空载情况下电机能达到的最高转速为3500rpm。

本例电机参数如下:

R=0.9,Ld=0.0013H,Lq=0.003H,flux=0.11666,PolePairs=4,J=0.007

下一步的工作是将Ldq(Idq)的非线性电感考虑进去后修正仿真模型。

最后

以上就是高兴猎豹最近收集整理的关于simulink同步发电机模型_电机控制仿真模型——电机模型简化公式的全部内容,更多相关simulink同步发电机模型_电机控制仿真模型——电机模型简化公式内容请搜索靠谱客的其他文章。

本图文内容来源于网友提供,作为学习参考使用,或来自网络收集整理,版权属于原作者所有。
点赞(154)

评论列表共有 0 条评论

立即
投稿
返回
顶部