用以实现基本逻辑运算和复合逻辑运算的单元电路称之为门电路。常用的门电路在逻辑功能上有与门、或门、非门、与非门、或非门、与或非门、异或门等几种。下面是几种常见门电路的表示方法:

1、与门
最简单的与门可以用二极管和电阻组成,电路实现如下:

A和B是两个输入量,L是输出量,只有当A和B都是5V的时候,二极管导通,L端电压才为高电平(5V)。
2、或门
与上面类似,或门的电路实现如下:

A与B中有一个输入量为高电平,二极管就会导通,Y输出高电平。
3、非门
电路实现如下所示:

在这幅图中当A输入0V时,三极管截止,Y输出5V,而当A输入5V时,三极管导通,Y相当于接地,为0V。
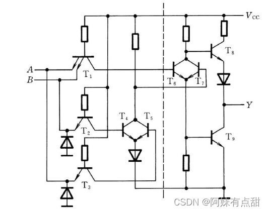
4、异或门
电路实现如下:

图中若 A、 B 同时为高电平,则 T6、 T9 导通而 T8 截止,输出为低电平。反之,若 A、 B 同时为低电平,则 T4 和 T5 同时截止,使 T7 和 T9 导通而 T8 截止,输出也为低电平。当 A、 B 电平不同时,即一个是高电平而另外一个为低电平, T1 正向饱和导通、 T6 截止。同时,由于 A、 B 中必有一个是高电平,使 T4、 T5 中有一个导通,从而使 T7 截止。 T6、 T7 同时截止以后, T8 导通、 T9 截止,所以输出为高电平。
最后
以上就是深情花生最近收集整理的关于数字电路基础_门电路的全部内容,更多相关数字电路基础_门电路内容请搜索靠谱客的其他文章。
本图文内容来源于网友提供,作为学习参考使用,或来自网络收集整理,版权属于原作者所有。
发表评论 取消回复