位逻辑指令处理的对象为二进制位信号。存储在状态字“RLO”中。
1.触点与线圈指令
1)常开触点

在PLC中规定:操作数为1,则常开触点“动作(闭合)”;操作数为0,则常开触点“复位(断开)”。常开触点使用的操作数是I、Q、M、L、D、T、C
2)常闭触点

在PLC中规定:操作数为1,则常开触点“动作(断开)”;操作数为0,则常开触点“复位(闭合)”。常开触点使用的操作数是I、Q、M、L、D、T、C
3)输出线圈

输出线圈与继电器控制电路中的线圈一样,假设有电流(信号流)流过线圈(RLO=“1”),则被驱动的操作数置“1”;假设没有电流流过线圈(RLO=“0”),则被驱动的操作数复位(置“0”)。输出线圈仅仅能出如今梯形图的最右边。
输出线圈等同于STL程序中的赋值指令(用“=”表示),所使用的操作数为:Q、M、L、D
4)中间输出

在梯形图设计时,假设一个逻辑串非常长不便于编辑时,能够将逻辑串分成几段,前一段的逻辑运算结果(RLO)可作为中间输出,存储在为存储器(I、Q、M、L或D)中,该存储位能够当作一个触点出如今其它逻辑串中。中间输出仅仅能放在梯形图路基串的中间,而不能出如今最左端或最右端。
2.基本逻辑指令
1)与
串联常开指令。操作数能够是:I、Q、M、L、D、T、C

2)与非
串联常闭的指令。操作数能够是:I、Q、M、L、D、T、C

3)或
并联常开指令。操作数能够是:I、Q、M、L、D、T、C

4)或非
并联常闭指令。操作数能够是:I、Q、M、L、D、T、C

5)信号流取反
信号流取反指令的作用是对逻辑串的RLO的值进行取反。

3.置位和复位指令
置位(S)和复位(R)指令依据RLO的值来决定操作数的信号状态是否改变。
置位指令:RLO为“1”,则操作数的状态置“1”;RLO为“0”,则操作数的信号状态保持不变。
复位指令:RLO为“1”,则操作数状态置“0”;RLO为“0”,则操作数的信号状态保持不变。

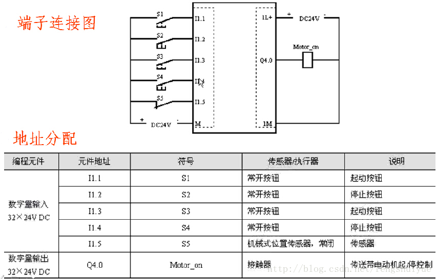
演示样例:置位复位应用---传送带运动控制
一个传送带同一时候可由 起始位置的 启停button 和 末端的 起停button 控制传送带的启停,同一时候当物件到达传送带模块时,传感器能够使传送带停止。该情况的PLC编程例如以下:


4.RS和SR触发器指令
1)RS触发器为“置位优先”型触发器(当R和S驱动信号同一时候为“1”时,触发器终于为置位状态);
2)SR触发器为“复位优先”型触发器(当R和S驱动信号同一时候为“1”时,触发器终于为复位状态);
RS触发器和SR触发器的“位地址”、置位(S)、复位(R)及输出(Q)使用的操作数为:I、Q、M、L、D
演示样例:



5.跳变沿检測指令
S7中有两类跳变沿检測指令
1)RLO的跳变沿检測指令
A.RLO上升沿检測指令

B.RLO下降沿检測指令

RLO边沿检測指令的工作时序例如以下:(输出脉冲为输入脉冲变化一个周期后,输出才会变化)

2)触点的跳变沿检測指令
A.触点信号上升沿检測指令

B.触点信号下降沿检測指令

触点边沿指令工作时序

最后
以上就是彪壮白昼最近收集整理的关于西门子逻辑运算指令_西门子PLC学习笔记七-(位逻辑指令)的全部内容,更多相关西门子逻辑运算指令_西门子PLC学习笔记七-(位逻辑指令)内容请搜索靠谱客的其他文章。
发表评论 取消回复