我是靠谱客的博主 英俊仙人掌,这篇文章主要介绍基本rs触发器真值表_数字电路学习笔记(十):更多锁存器和触发器,现在分享给大家,希望可以做个参考。

018c312afde9360e489866bb5a8b9955.png

上一章中提到了普通RS锁存器的两大缺点:

1. S端口和R端口不能同时有效,但实际应用中不能保证这种情况不出现,此时可能会出错;
2. 在计算机中,有许多内存单元协同组成一个寄存器,存储同一个数据。但每一位数据可能是先后到来的(比如加法器,计算出最高一位会花费比低位更多的时间),如果内存单元被写入的时间无法统一,就会造成混乱。RS锁存器并没有提供控制写入的端口——只要输入变化,状态就会改变。

本章中将要探讨如何改进这两点,并设计出更加适合存储数据的存储电路。基础电路仍然是RS锁存器:

8c286da133391ec904545d8b9f099496.png

一、门控RS锁存器

我们从问题二开始解决。为此我们只需增加一个写控制端口。当该端口为高电平时,

可以正常输入;当该端口为低电平时,
被保持在0,锁存器处于保持状态。那么,一个与门便可以解决问题。

fbc67b6907c95085f005488c126a53b4.png

控制端口,我们将其命名为

,即时钟(clock)。时钟信号依然是一种普通的信号,只是因为它起控制作用,会周期性变化,所以有这么一个特殊的名字。

门控RS锁存器的功能和普通RS锁存器一样,也有一样的状态转换图和特性方程:

,唯一不同的就是多了一个控制的时钟信号。当该信号为高时(
),锁存器会像普通锁存器一样工作;该信号为低,则无论
输入为什么,状态都会被保持。这样,计算机就可以在时钟为低时做计算,并准备好所有要写入的信号,然后在时钟信号为高时写入。

二、D锁存器

接下来,我们解决第一个问题:摆脱RS锁存器的

的约束条件。最简单的解决方法自然是将
取反之后作为
,这样两者永远不相等,也就不可能都是1了。我们把剩下的一个输入取名为
(D是Data的意思——D锁存器是数据存储单元的基础结构)。

086bfeef77b02a6d3bb3b6b7019ae4f1.png

为此,我们做出的牺牲是放弃了

时的保持功能。我们可以通过特性方程看它的功能:由于
,我们有

因此我们发现,当

时,
会一直和
保持同步;然后当
后,才会保持之前的最后一个状态。我们画出它的状态转换图:

b98f1ab1cf555acffe4d12588c185571.png

D锁存器在

时,对输入是“透明”的,和一根导线没有区别;因此,任何输入的变化都会引发状态的变化。其实对于RS锁存器也有这样的问题。但是,这又和我们的第二点设想有冲突:“
内存单元被写入的时间应当统一”,如果在时钟信号变为低之前,新的数据就已经到来,就会引起错误。究其原因,是因为锁存器能够改变状态的时间是整个高电平期间——为了改进这一点,我们要设法把改变状态的时间缩短为一个 时刻

三、RS触发器

一个只在某个时刻发生状态更新的锁存器就叫做触发器。我们考虑如何实现在某个时刻的更新。如果有两个RS锁存器,可以将它们串联,并给一个相反的

信号:

0b9c87dbe07abca0d4db85dd13d3fa5a.png
尤其注意,主锁存器的Q要连至从锁存器的S,这样才能保持两者状态一致而不是相反

第一个锁存器叫主锁存器,第二个叫从锁存器。从锁存器接收主锁存器的状态作为输入。在时钟信号低→高→低的一个周期中,它的功能发生了这样的变化:

  1. 时,主锁存器处于保持状态,不接受输入;从锁存器可以工作,但主锁存器状态不改变,所以它也不会发生改变。此时整个触发器就处于保持状态。主锁存器状态为1,则从锁存器S=1, R=0,状态也为1,反之则状态为0,所以整个触发器的状态和主锁存器状态一致。
  2. 时,主锁存器接受输入,能改变状态,但此时从锁存器不再工作,因此该状态改变暂时无法反映到触发器的输出上,触发器仍然处于保持状态;
  3. 又变回0,此时从锁存器重新开始工作,把主锁存器的最后一个状态接收,然后改变触发器输出。

一个信号要想通过整个触发器从输入走到输出,要先在时钟为高时进入主锁存器,然后在变成低电平时从主锁存器进入从锁存器,因此,只有在

从1变成0的一个瞬间,触发器才会发生状态更新;其他所有时候,都处于保持状态。这被称作下降沿更新。

要做出上升沿更新,也就是

从0到1的瞬间更新的触发器,只需要让信号在低电平时进入主锁存器,然后在高电平进入从锁存器即可,也就是再加一个反相器:

8d983f065c42bb053613499992b3c209.png

要注意的是,触发器仅仅改变了锁存器更新的机制,并没有改变它的逻辑功能——比如,对于RS触发器,它的特性方程和RS锁存器一致:

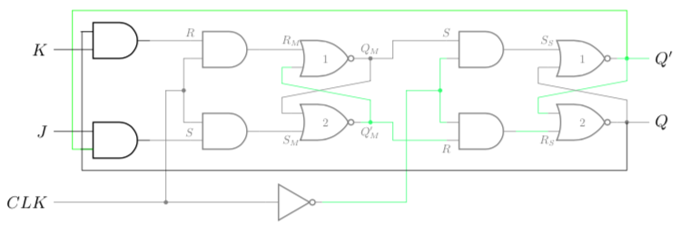
四、JK触发器

对于RS触发器,我们也要继续解决这个约束条件的问题。当然,我们仍可以像D锁存器那样,把

当成
;这样连出的电路,自然就是D触发器,将会在后文介绍。

但还有第二种方案,就是利用

的这个性质,将其和
分别相与。不妨管两个输入分别叫J和K(为了纪念工程师Jack Kilby)——有
。这样,就必然有

fd9ec903e772afd81daafcb200907a48.png

仍然用代入的方法得出它的特性方程:

但是,这个特性方程不像D锁存器一般直观,所以在画状态转换图时,我们可以分别代入各种输入并列出特性表:

a3e500f6634ab34e40096d745f08b2c4.png

从此表来看,J和K的四种取值对应四种功能——其中保持(

),置1(
),置0(
)三种功能都和RS锁存器对应功能一致,而由于多了
的输入情况,它还有翻转(
)的功能。

8301979727ad1179f139e2d368594f5d.png

JK触发器相比于RS触发器,还有一个性质,就是它会自己把自己锁死。对于RS锁存器,我们可以放心地在

为高电平时随意改变输入,因为从锁存器只关心当它开始工作的一瞬间,也就是
下降的那一刻时,主锁存器的状态;但对于JK触发器,我们就不得不关心它在高电平
期间的输入,而不只是下降沿瞬间的输入。比如,考虑这样的变化:

293fda5bb0c2389fb4c708bc16f16332.png

理论上,在高电平期间的

的那一个小扰动不应该影响最终的输出——触发器应该在时钟的下降沿工作,而那一刻对应的是
。因此,
应该保持在0。然而,却发现
变成了1。

这是因为,由于

永远相反,在任意时刻,
中只有一个能够工作——比如在这里,当状态为0时,只有
能够产生影响,而
的取值则根本不影响主锁存器的状态。这样,一旦
为1,主锁存器的状态就被保持在了1,无论
的取值为何。这被称作“
一次翻转”——JK触发器在两个下降沿之间的一个周期中,一旦被翻转,就无法被还原。它的原理是,只有与现态相反的输入能起作用——
时,
起作用;
时,
起作用。这种问题可能会导致状态受到干扰。

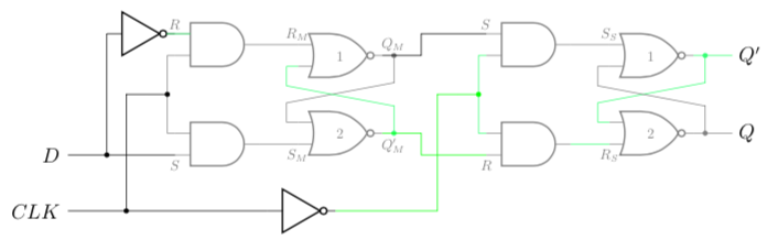
五、D触发器

仍然令

,便可以得到D触发器。

9bf60da7541756e79481d362f10ea0af.png

它的逻辑功能仍然是:

相比JK触发器,由于它不使用自身状态作约束,所以不会产生一次翻转的问题。和RS触发器一样,它只关心下降沿瞬间主锁存器的状态。

六、T触发器

T触发器是一类偏功能性的触发器——它没有做出任何显著的改进,而只是提供了一种特殊的逻辑功能。我们将同一个输入赋给JK触发器的

3e6a53df165125adecfd41260416375b.png

那么,它的特性方程为:

同样画出它的真值表和转换图:

fb250e076e2631ca825775e04d83cb9f.png

1ed902ee3848a96834f0d5f7784ffb19.png

由此发现,它只有“保持”和“翻转”的功能,也就是JK触发器中

对应的两个功能。

总结:本文中,我们的锁存器经历了如下的迭代:

8c286da133391ec904545d8b9f099496.png
RS锁存器

fbc67b6907c95085f005488c126a53b4.png
门控RS锁存器

086bfeef77b02a6d3bb3b6b7019ae4f1.png
D锁存器

0b9c87dbe07abca0d4db85dd13d3fa5a.png
RS触发器

9cc170a72a269eab4f1b95743520d4de.png
JK触发器

9bf60da7541756e79481d362f10ea0af.png
D触发器

46e2944773c626055646b2f54107a62f.png
T触发器

我们改进了上一章所提及的两个问题,并最终得到了两套解决方案:JK触发器和D触发器。这两个触发器,一个更全面,一个更简单,两个都是在时序电路设计中最常用的触发器。

最后

以上就是英俊仙人掌最近收集整理的关于基本rs触发器真值表_数字电路学习笔记(十):更多锁存器和触发器的全部内容,更多相关基本rs触发器真值表_数字电路学习笔记(十)内容请搜索靠谱客的其他文章。

本图文内容来源于网友提供,作为学习参考使用,或来自网络收集整理,版权属于原作者所有。
点赞(155)

评论列表共有 0 条评论

立即
投稿
返回
顶部