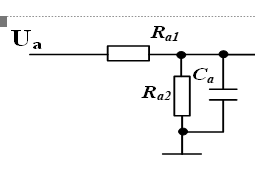
首先这是一个滤波电路

下边是一组低通滤波器的具体参数

然后指导滤波电路截止频率公式为

然后利用matlab/simulink可以绘制出四组数据的幅频特性曲线,绘制bode图为反应系统自身的相应特性,所以不考虑相应输入输出,用input和output将系统本身的输入输出分开。

如上图为绘制的bode图,点击analysis下的control design,找到linear analysis,然后进入界面后将analysis I/O s设置为第二项。

下边为具体的bode图

我们知道低通滤波电路的截止频率公式为

以及延迟角度和角速度w之间关系为

利用origin,图像绘制软件,其实就是绘制一个反正切曲线

选中D(Y)列,右键选择 setcolumn value,然后就可以进行公式的编辑
最后得到四组实验数据的延迟角随转速关系如下所示。
最后
以上就是开放刺猬最近收集整理的关于利用matlab/simulink绘制bode图,以及用origin绘制反正切函数的全部内容,更多相关利用matlab/simulink绘制bode图内容请搜索靠谱客的其他文章。
本图文内容来源于网友提供,作为学习参考使用,或来自网络收集整理,版权属于原作者所有。
发表评论 取消回复