数电技术基础大恶补05:TTL门电路
目录
- 1.双极性三极管结构
- 2.三极管反相器
- 3.TTL反相器
- 4.TTL反相器的静态输入输出特性
- 5.扇出系数
- 6.TTL反相器的动态特性
- 6.1延迟时间
- 6.2 交流噪声容限
- 6.3动态尖峰电流
- 7.其他TTL门电路
- 8.集电极开路输出门电路(OC门)
- 9.TTL三态门
1.双极性三极管结构
所谓TTL,就是三极管–三极管–逻辑的简称。
一个独立的双极性三极管包括:
管芯、三个电极(基极,发射极,集电极)、外壳
而根据管芯的三层半导体分成NPN和PNP两种类型。
以NPN型为例,当发射极正偏,即Vbe > VON(开启电压),集电极反偏,即Vcb > 0 的时候,电流Ib产生,其大小由外电路的电压电阻决定。

当产生Ib时,如下图,分为3个部分:
①截止区:条件Vbe= 0, ib = 0, ic = 0, c一e间“断开”
②放大区 :条件Vce> 0.7, ib>0, ic 随ib成正比变化, △ic=β△ib
③饱和区 :条件Vce< 0.7, ib >0, Vce 很低,△ic随△ib增加变缓,趋于“饱和”

2.三极管反相器

当Vi为低电平时三极管工作在截止状态,输出高电平;
当Vi为高电平时三极管工作在饱和状态,输出低电平;
因此构成了三极管反相器。
动态开关特性:滞后现象。
滞后现象:三极管在截止区与饱和导通两种状态的迅速转换时,其内部电荷的建立和消散都需要一定的时间。
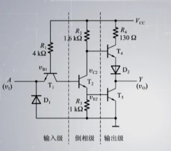
3.TTL反相器
TTL反向器的经典电路如下:

其电压传输特性:

AB段:截止区,Vi < 0.6,所以Vb1 < 1.3 ,三极管T1、T4导通,T4、T5截止。Voh = 3.4v
BC段:线性区,0.7 < Vi < 1.3,T2导通且工作在放大区,T5截止,T4导通,线性成反比关系
CD段:转折区,Vi = Tth ≈ 1.4 ,所以Vb1 >= 2.1 ,T2、T5同时导通,T4截止,Vo迅速下降,Vol ≈ 0
DE段:饱和区 ,Vi继续增大,而Vo不变,Vo = Vol
4.TTL反相器的静态输入输出特性
输入特性:

由上图可知,输入低电平电流为-1mA,输入高电平电流很小。
输出高电平特性:

输出高电平电流较大,考虑功耗应当做相应限制
输出低电平特性:

允许流入较大电流,可带较大负载电流
输入端负载特性:
加入可变电阻Rp来控制Vi

其关系如下图:

这一特性的用处:判断TTL反相器电路在Rp的存在情况下,是否能正常工作
5.扇出系数
门能驱动多少个同样的门电路负载,需要根据输入输出曲线了解
6.TTL反相器的动态特性
6.1延迟时间
在TTL电路中,由于二极管和三极管从导通变为截止或从截止交导通都需要一定的时间,而且还有二极管、三极管以及电阻、连接线等的寄生电容存在,所以把理想的矩形电压信号加到TTL反相器的输人端时,输出电压的波形要比输人信号滞后。
像在CMOS电路中所做的一样,我们将输出电压波形滞后于输人电压波形的时间称为传输延迟时间,并且将输出电压由低电平跳变为高电平时的传输延
迟时间记作tpLH,将输出电压由高电平跳变为低电平时的传输延迟时间记作tpHL。

6.2 交流噪声容限
当输入信号为窄脉冲,且接近于tpLH,tpHL时,输出变化将会跟不上,变化很小,因此交流噪声容限远大于直流噪声容限。换句话说,窄脉冲输入信号对输出是影响不大的。

6.3动态尖峰电流
动态情况下,特别是当输出电压由低电平突然转变成高电平的过渡过程中,由于T5原来工作在深度饱和状态,所以T4的导通必然先于T5的截止,这样就出现了短时间内T4和T5同时导通的状态,有很大的瞬时电流流经T4和T5,使电源电流出现尖峰脉冲。

7.其他TTL门电路
TTL与非门(多发射极)

TTL或非门

TTL与或非门

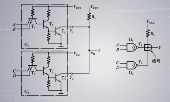
8.集电极开路输出门电路(OC门)
与CMOS中的OD门相似,TTL也有相应的OC门。

①输出端为OC三极管T5,T5可承受较大电压、电流
②工作时需要外接RL上拉到VCC 。
只要RL,VCC取值合适,定可使:
A,B同为1时,T5饱和,VoL ≈0
A或B为0时,T5截止,Vo ≈Vcc
③输出端并联可实现线与,如图

其上拉电阻的计算:
1、OC门输出管全部截止时,Vo > VoH,所以R不能太大(得RL上限)
2、OC门仅一个输出管导通,Vo > VoL,所以R不能太小,否则iL过大(得RL下限)


9.TTL三态门
和CMOS一样,TTL电路也有其三态门,也是构成总线的重要器件。

EN’为使能端,图中电路为EN’ = 0时,电路正常工作,否则输出高阻态。
最后
以上就是优雅棒球最近收集整理的关于数电技术基础大恶补05:TTL门电路1.双极性三极管结构2.三极管反相器3.TTL反相器4.TTL反相器的静态输入输出特性5.扇出系数6.TTL反相器的动态特性7.其他TTL门电路8.集电极开路输出门电路(OC门)9.TTL三态门的全部内容,更多相关数电技术基础大恶补05:TTL门电路1.双极性三极管结构2.三极管反相器3.TTL反相器4.TTL反相器内容请搜索靠谱客的其他文章。
发表评论 取消回复