Vivado查看RTL图(容易理解的RTL图)
以RS触发器为例
代码为:

如果用图2的方式,也就是按F4的方式,综合的结果如图3,看起来很费劲,不容易理解。


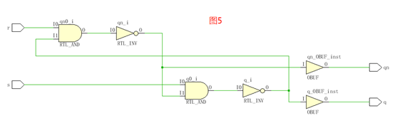
如果用图4,vivado软件左侧边栏的RTL analysis下的schematic方式获得综合的RTL,如图5,就一目了然,很清楚了。


结合写的语句,与综合出来的RTL图想对比,就可以知道写的语句是否正确,能否实现相应的功能。
最后
以上就是辛勤冰棍最近收集整理的关于Vivado查看RTL图(容易理解的RTL图)的全部内容,更多相关Vivado查看RTL图(容易理解内容请搜索靠谱客的其他文章。
本图文内容来源于网友提供,作为学习参考使用,或来自网络收集整理,版权属于原作者所有。
发表评论 取消回复