CS5211是一个eDP到LVDS转换器,配置灵活,适用于低成本显示系统。
CS5211与eDP 1.2兼容,支持1通道和2通道模式,每通道速度为1.62Gbps和2.7Gbps。
CS5211采用强大的SerDes技术,可以以较低的误码率恢复高速串行数据。
CS5211参数特性:2通道DisplayPort v1.1兼容接收机支持18位单端口、18位双端口、24位单端口和24位双端口LVDS输出支持LVDS应用程序的OpenLDI和SPWG位映射内置振荡器,不需要外部晶体嵌入式线性压降调节器(LDO)片上MCU通过GPIO引脚控制选择支持面板,开机后自动加载引导ROM通过I2C总线或辅助通道更新串行引导ROM数据自动芯片电源模式控制。
eDP和LVD的EMI降低广泛的核心功率范围从1.8V到1.2V。QFN68封装。
DP接收器符合嵌入式显示端口(eDP)规范1.2以1.62Gbps或2.7Gbps链路速率支持1个或2个主链路通道。以RGB格式输入每像素18/24位的颜色深度。支持增强的帧模式。支持VESA和CEA定时标准,分辨率高达1920x1200,60Hz,每像素24位模式。支持动态刷新率切换。支持快速链接培训和全链接培训。
支持eDP认证:可选加扰种子重置和可选帧。支持HPD中断。
LVDS输出支持18位单端口、18位双端口、24位单端口和24位双端口LVDS输出接口。支持LVDS应用程序的OpenLDI和SPWG位映射。当输入视频未准备好时,保持LVDS输出。灵活的LVDS输出引脚交换。可编程摆动/共模电压。输出转换率控制,以减少电磁干扰。视频处理支持伽马校正。支持抖动和6位+FRC。支持动态背光控制。面板和背光控制可编程LCD面板电源顺序支持2种PWM模式,包括背光亮度电平控制PWM引脚和BLUP/BLDN引脚支持1920×1200@60Hz时24位色深Parade的CrystalFree不需要外部水晶或时间参考™ 技术单台3.3V或2.5V低功耗电源,1920×400mW以下1200@60Hz时,每像素24位工作温度范围可用性:-20°C至70°C(商用),-40°至85°C(工业)7x7mm 56针QFN封装(无卤素,符合RoHS)DisplayPort输入符合VESA DisplayPort™ 规范1.1a支持18、24和30 bpp RGB颜色格式输入包括带集成HDCP密钥ROM的HDCP 1.3解密引擎符合VESA嵌入式显示端口(eDP™) 规范1.2,带辅助启动背光控制支持1通道和2通道主连接配置1.62 Gbps和2.7Gbps的链路速率支持各种特定于GPU的电源管理协议所有eDP显示身份验证方案,包括ASSR支持SSC 0.5%向下扩展支持全链接训练、快速链接训练和无链接训低电压差分信号接口单链路或双链路LVDS输出,时钟速度高达135MHz支持1920×1200@60Hz时18或24位色深LVDS扩频时钟频率高达2%支持LCD面板电源顺序控制。
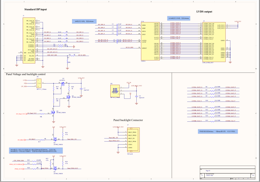
CS5211设计DP转LVDS方案设计参考电路如下所示:

最后
以上就是有魅力草莓最近收集整理的关于CS5211|EDP转LVDS方案介绍|CS5211电路设计的全部内容,更多相关CS5211|EDP转LVDS方案介绍|CS5211电路设计内容请搜索靠谱客的其他文章。
发表评论 取消回复