第四章 软件详细设计
2.详细设计的主要任务?
答:软件详细设计的目标是对目标系统做出精确的设计描述,其主要任务包括:
l 模块的程序算法设计。
l 模块内的数据结构设计。
l 模块接口设计。
l 模块测试用例设计。
l 编写详细设计说明书。
l 详细设计评审。
4.简述人机界面设计的黄金规则?
答:l 置用户操作于控制之下:不要强迫用户进入不必要的、或不希望的动作,并提供灵活的交互;允许用户交互,可以被中断和撤消。
l 减少用户的记忆负担:减少对短期记忆的要求;建立有意义的缺省值;定义直觉性的捷径;界面的视觉布局应该基于真实世界。
l 保持界面一致:允许用户将当前任务放入有意义的环境中;保持应用系统界面的一致性;如果用户已经习惯了某种交互模式,除非有不得已的理由,否则不要改变,以免导致混淆。
这些黄金规则实际构成了一系列用户界面设计原则的基础,这些原则可以指导软件设计的重要方面。
6.详细设计的描述工具应具备什么功能?
答:表达过程规格说明的工具叫做详细设计工具,也称程序算法设计工具。它可以分为三类:图形工具(如程序流程图),表格工具(如判定表),语言工具(如PDL过程设计语言)。无论采用哪类工具,都需要对设计进行清晰、无歧义的描述,应表明控制流程、系统功能、数据结构等方面的细节,以便在系统实现阶段能根据详细设计的描述直接编程。
8.某旅行社根据旅游淡季、旺季及是否团体订票,确定旅游票价的折扣率。具体规定是:人数在20人以上的属于团体,20人以下的为散客。每年4月到5月、7月到8月、10月为旅游旺季,其余为旅游淡季。旅游旺季团体票优惠5%,散客不优惠。旅游淡季团体票优惠30%,散客优惠20%。用判定表和判定树表示旅游订票的优惠规定。
解;
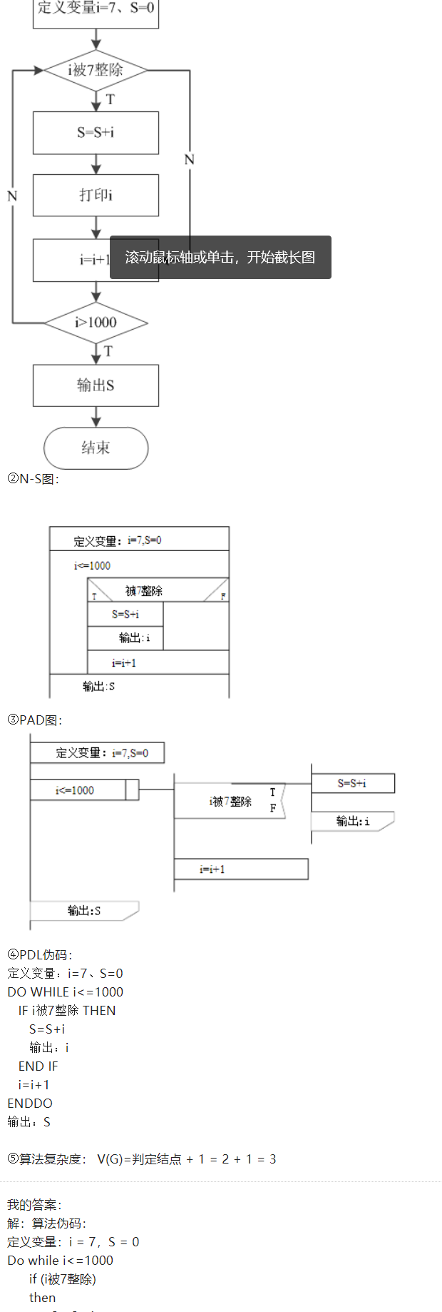
9.需要从1000 以内将能够被7 整除的数查询出来,并计算出这些数的和。试分别使用程序流程图、N-S 图、PAD 图和PDL 伪码,设计该程序问题的算法。然后使用McCabe 方法对所设计的算法的复杂度进行估算。
解:
最后
以上就是真实石头最近收集整理的关于软件工程 张秋余等著 第四章课后习题部分答案的全部内容,更多相关软件工程内容请搜索靠谱客的其他文章。
发表评论 取消回复