我是靠谱客的博主 失眠芒果,这篇文章主要介绍STM32用SPI方式控制OLED模块一、OLED二、GPIO模拟SPI三、STM32对OLED模块的控制四、用STM32的SPI资源(可选),现在分享给大家,希望可以做个参考。
一、OLED
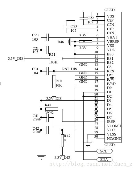
1. OLED模块的外观

2. OLED模块的电路图

3. OLED模块参数
| 项目 | 说明 |
|---|---|
| 接口特性 | 3.3V(串电阻后,可与 5V 系统连接) |
| 通信接口 | 4 线 SPI |
| 屏幕分辨率 | 128*64 |
| 屏幕尺寸 | 0.96 寸 |
| 工作温度 | -40℃~70℃ |
颜色 纯蓝色、黄蓝双色
模块尺寸| 27mm*26mm
二、GPIO模拟SPI
1. 硬件连接
通过引脚和模块电路图可以分析出SPI的电路连接
OLED STM32
GND <----------> GND
VCC <----------> 3.3V
D0 <----------> PA4(CLK)
D1 <----------> PA3(MOSI)
RES <----------> PA2(RET复位)
DC <----------> PA1(命令|数据dc)
CS <----------> GND
2. 软件驱动

由OLED模块数据手册上SPI的操作时序图写出由GPIO口模拟的SPI驱动代码
模块只支持向模块写数据不能读数据
所以只需要写SPI发送即可
2.1 “SPI.h”
#define OLED_CMD 0 //命令声明
#define OLED_DATA 1 //数据声明
#define OLED_CLK PAout(4) // CLK时钟 d0
#define OLED_MOSI PAout(3) // MOSI d1
#define OLED_RST PAout(2) // RET复位 ret
#define OLED_DC PAout(1) // 命令|数据 dc (0表传输命令1表传输数据)
void OLED_SPI_Init(void); //配置MCU的SPI
void SPI_WriteByte(uint8_t addr,uint8_t data); //向寄存器地址写一个byte的数据
void WriteCmd(unsigned char cmd); //写命令
void WriteDat(unsigned char data); //写数据
2.2 “SPI.c”
/*************************************************************************/
/*函数功能: GPIO模拟SPI端口初始化 */
/*************************************************************************/
void OLED_SPI_Init(void)
{
GPIO_InitTypeDef GPIO_InitStructure;
RCC_APB2PeriphClockCmd(RCC_APB2Periph_GPIOA ,ENABLE);//使能PA端口时钟
GPIO_InitStructure.GPIO_Pin=GPIO_Pin_1|GPIO_Pin_2|GPIO_Pin_3|GPIO_Pin_4; //端口配置
GPIO_InitStructure.GPIO_Mode=GPIO_Mode_Out_PP;//推挽输出
GPIO_InitStructure.GPIO_Speed=GPIO_Speed_50MHz;//IO口速度为50MHz
GPIO_Init(GPIOA,&GPIO_InitStructure);//根据设定参数初始化GPIOA
}
/*************************************************************************/
/*函数功能: 通过SPIO软件模拟SPI通信协议,向模块(SSD1306)写入一个字节 */
/*入口参数: */
/* data:要写入的数据/命令 */
/* cmd :数据/命令标志 0,表示命令;1,表示数据; */
/*************************************************************************/
void SPI_WriteByte(unsigned char data,unsigned char cmd)
{
unsigned char i=0;
OLED_DC =cmd;
OLED_CLK=0;
for(i=0;i<8;i++)
{
OLED_CLK=0;
if(data&0x80)OLED_MOSI=1; //从高位到低位
else OLED_MOSI=0;
OLED_CLK=1;
data<<=1;
}
OLED_CLK=1;
OLED_DC=1;
}
/*************************************************************************/
/*函数功能: 写命令 */
/*************************************************************************/
void WriteCmd(unsigned char cmd)
{
SPI_WriteByte(cmd,OLED_CMD);
}
/*************************************************************************/
/*函数功能: 写数据 */
/*************************************************************************/
void WriteData(unsigned char data)
{
SPI_WriteByte(data,OLED_DATA);
}
三、STM32对OLED模块的控制
3.1 指令集
| 序号 | HEX | 指令 | 说明 |
|---|---|---|---|
| 0 | 81 | 设置对比度 | 值越大,屏幕越亮(默认 0X7F); 0X000XFF(1255) |
| 1 | AE/AF | 设置显示开关 | AE,关闭显示;AF,开启显示 |
| 2 | 8D | 电荷泵设置 | 0x10,关闭电荷泵;0x14开启电荷泵 |
| 3 | B0~B7 | 设置页地址 | 0~7 对应页 0~7 |
| 4 | 00~0F | 设置列地址(低四位) | 设置 8 位起始列地址的低四位 |
| 5 | 10~1F | 设置列地址(高四位) | 设置 8 位起始列地址的高四位 |
更多请查询SSD1306 的data sheet
3.2 “OLED.h"
void OLED_Init(void);//初始化OLED
void OLED_ON(void);//唤醒OLED
void OLED_OFF(void);//OLED休眠
void OLED_Refresh_Gram(void);//更新显存到OLED
void OLED_Clear(void);//清屏
void OLED_DrawPoint(u8 x,u8 y,u8 t);//画点
void OLED_Fill(u8 x1,u8 y1,u8 x2,u8 y2,u8 dot);//填充
void OLED_ShowChar(u8 x,u8 y,u8 chr,u8 size,u8 mode);//显示字符
void OLED_ShowNum(u8 x,u8 y,u32 num,u8 len,u8 size);//显示2个数字
void OLED_ShowString(u8 x,u8 y,const u8 *p,u8 size);//显示字符串
3.3 “OLED.c”
//OLED的显存
//存放格式如下.
//[0]0 1 2 3 ... 127
//[1]0 1 2 3 ... 127
//[2]0 1 2 3 ... 127
//[3]0 1 2 3 ... 127
//[4]0 1 2 3 ... 127
//[5]0 1 2 3 ... 127
//[6]0 1 2 3 ... 127
//[7]0 1 2 3 ... 127
u8 OLED_GRAM[128][8];
/*************************************************************************/
/*函数功能: 软延时 */
/*************************************************************************/
void OLED_DLY_ms(unsigned int ms)
{
unsigned int a;
while(ms)
{
a=1335;
while(a--);
ms--;
}
}
/*************************************************************************/
/*函数功能: 初始化OLED模块 */
/*************************************************************************/
void OLED_Init(void)
{
OLED_SPI_Init();
OLED_CLK = 1;
OLED_RST = 0;
OLED_DLY_ms(100);
OLED_RST = 1;
//从上电到下面开始初始化要有足够的时间,即等待RC复位完毕
WriteCmd(0xAE); // Display Off (0x00)
WriteCmd(0xD5);
WriteCmd(0x80); // Set Clock as 100 Frames/Sec
WriteCmd(0xA8);
WriteCmd(0x3F); // 1/64 Duty (0x0F~0x3F)
WriteCmd(0xD3);
WriteCmd(0x00); // Shift Mapping RAM Counter (0x00~0x3F)
WriteCmd(0x40 | 0x00); // Set Mapping RAM Display Start Line (0x00~0x3F)
WriteCmd(0x8D);
WriteCmd(0x10 | 0x04); // Enable Embedded DC/DC Converter (0x00/0x04)
WriteCmd(0x20);
WriteCmd(0x02); // Set Page Addressing Mode (0x00/0x01/0x02)
WriteCmd(0xA0 | 0x01); // Set SEG/Column Mapping
WriteCmd(0xC0); // Set COM/x Scan Direction
WriteCmd(0xDA);
WriteCmd(0x02 | 0x10); // Set Sequential Configuration (0x00/0x10)
WriteCmd(0x81);
WriteCmd(0xCF); // Set SEG Output Current
WriteCmd(0xD9);
WriteCmd(0xF1); // Set Pre-Charge as 15 Clocks & Discharge as 1 Clock
WriteCmd(0xDB);
WriteCmd(0x40); // Set VCOM Deselect Level
WriteCmd(0xA4 | 0x00); // Disable Entire Display On (0x00/0x01)
WriteCmd(0xA6 | 0x00); // Disable Inverse Display On (0x00/0x01)
WriteCmd(0xAE | 0x01); // Display On (0x01)
OLED_Clear(); //初始清屏
}
/*************************************************************************/
/*函数功能: 将OLED从休眠中唤醒 */
/*************************************************************************/
void OLED_ON(void)
{
WriteCmd(0X8D); //设置电荷泵
WriteCmd(0X14); //开启电荷泵
WriteCmd(0XAF); //OLED唤醒
}
/*************************************************************************/
/*函数功能: 将OLED休眠 -- 休眠模式下,OLED功耗不到10uA */
/*************************************************************************/
void OLED_OFF(void)
{
WriteCmd(0X8D); //设置电荷泵
WriteCmd(0X10); //关闭电荷泵
WriteCmd(0XAE); //OLED休眠
}
/*************************************************************************/
/*函数功能: 更新显存到OLED */
/*************************************************************************/
void OLED_Refresh_Gram(void)
{
u8 i,n;
for(i=0;i<8;i++)
{
WriteCmd(0xb0+i); //设置页地址(0~7)
WriteCmd(0x00); //设置显示位置—列低地址
WriteCmd(0x10); //设置显示位置—列高地址
for(n=0;n<128;n++)WriteData(OLED_GRAM[n][i]);
}
}
/*************************************************************************/
/*函数功能: 清屏 */
/*************************************************************************/
void OLED_Clear(void)
{
u8 i,n;
for(i=0;i<8;i++)for(n=0;n<128;n++)OLED_GRAM[n][i]=0X00;
OLED_Refresh_Gram();//更新显示
}
/*************************************************************************/
/*函数功能: 画点 */
/*入口参数: */
/* x:横坐标 0~127 */
/* y:纵坐标 0~63 */
/* dot:0,清空;1,填充 */
/*************************************************************************/
void OLED_DrawPoint(u8 x,u8 y,u8 t)
{
u8 pos,bx,temp=0;
if(x>127||y>63)return;//超出范围了.
pos=7-y/8;
bx=y%8;
temp=1<<(7-bx);
if(t)OLED_GRAM[x][pos]|=temp;
else OLED_GRAM[x][pos]&=~temp;
}
/*************************************************************************/
/*函数功能: 填充 */
/*入口参数: */
/* x1,y1,x2,y2 填充区域的对角坐标 */
/* 确保x1<=x2;y1<=y2 0<=x1<=127 0<=y1<=63 */
/* dot:0,清空;1,填充 */
/*************************************************************************/
void OLED_Fill(u8 x1,u8 y1,u8 x2,u8 y2,u8 dot)
{
u8 x,y;
for(x=x1;x<=x2;x++)
{
for(y=y1;y<=y2;y++)OLED_DrawPoint(x,y,dot);
}
OLED_Refresh_Gram();//更新显示
}
/*************************************************************************/
/*函数功能: 在指定位置显示一个字符,包括部分字符 */
/*入口参数: */
/* x:0~12 */
/* y:0~63 */
/* mode:0,反白显示;1,正常显示 */
/* size:选择字体 16/12 */
/*************************************************************************/
void OLED_ShowChar(u8 x,u8 y,u8 chr,u8 size,u8 mode)
{
u8 temp,t,t1;
u8 y0=y;
u8 csize=(size/8+((size%8)?1:0))*(size/2); //得到字体一个字符对应点阵集所占的字节数
chr=chr-' ';//得到偏移后的值
for(t=0;t<csize;t++)
{
if(size==12)temp=asc2_1206[chr][t]; //调用1206字体
else if(size==16)temp=asc2_1608[chr][t]; //调用1608字体
else if(size==24)temp=asc2_2412[chr][t]; //调用2412字体
else return; //没有的字库
for(t1=0;t1<8;t1++)
{
if(temp&0x80)OLED_DrawPoint(x,y,mode);
else OLED_DrawPoint(x,y,!mode);
temp<<=1;
y++;
if((y-y0)==size)
{
y=y0;
x++;
break;
}
}
}
}
//m^n函数
u32 mypow(u8 m,u8 n)
{
u32 result=1;
while(n--)result*=m;
return result;
}
/*************************************************************************/
/*函数功能: 显示2个数字 */
/*入口参数: */
/* x,y :起点坐标 */
/* len :数字的位数 */
/* size:字体大小 */
/* mode:模式 0,填充模式;1,叠加模式 */
/* num:数值(0~4294967295) */
/*************************************************************************/
void OLED_ShowNum(u8 x,u8 y,u32 num,u8 len,u8 size)
{
u8 t,temp;
u8 enshow=0;
for(t=0;t<len;t++)
{
temp=(num/mypow(10,len-t-1))%10;
if(enshow==0&&t<(len-1))
{
if(temp==0)
{
OLED_ShowChar(x+(size/2)*t,y,' ',size,1);
continue;
}else enshow=1;
}
OLED_ShowChar(x+(size/2)*t,y,temp+'0',size,1);
}
}
/*************************************************************************/
/*函数功能: 显示字符串 */
/*入口参数: */
/* x,y:起点坐标 */
/* size:字体大小 */
/* *p:字符串起始地址 */
/*************************************************************************/
void OLED_ShowString(u8 x,u8 y,const u8 *p,u8 size)
{
while((*p<='~')&&(*p>=' '))//判断是不是非法字符!
{
if(x>(128-(size/2))){x=0;y+=size;}
if(y>(64-size)){y=x=0;OLED_Clear();}
OLED_ShowChar(x,y,*p,size,1);
x+=size/2;
p++;
}
}
四、用STM32的SPI资源(可选)
也可以不使用GPIO口模拟,使用STM32的SPI资源
驱动代码如下:
void OLED_SPI_Init(void)
{
/*
GPIO_InitTypeDef GPIO_InitStructure;
RCC_APB2PeriphClockCmd(RCC_APB2Periph_GPIOA ,ENABLE);//使能PA端口时钟
GPIO_InitStructure.GPIO_Pin=GPIO_Pin_1|GPIO_Pin_2|GPIO_Pin_3|GPIO_Pin_4; //端口配置
GPIO_InitStructure.GPIO_Mode=GPIO_Mode_Out_PP;//推挽输出
GPIO_InitStructure.GPIO_Speed=GPIO_Speed_50MHz;//IO口速度为50MHz
GPIO_Init(GPIOA,&GPIO_InitStructure);//根据设定参数初始化GPIOA
*/
GPIO_InitTypeDef GPIO_InitStructure;
SPI_InitTypeDef SPI_InitStructure;
RCC_APB2PeriphClockCmd( RCC_APB2Periph_GPIOA|
RCC_APB2Periph_SPI1, ENABLE ); //①GPIO,SPI 时钟使能
GPIO_InitStructure.GPIO_Pin = GPIO_Pin_5 | GPIO_Pin_7;
GPIO_InitStructure.GPIO_Mode = GPIO_Mode_AF_PP; //复用推挽输出
GPIO_InitStructure.GPIO_Speed = GPIO_Speed_50MHz;
GPIO_Init(GPIOA, &GPIO_InitStructure);
GPIO_SetBits(GPIOA,GPIO_Pin_5|GPIO_Pin_7); //①初始化 GPIO
GPIO_InitStructure.GPIO_Pin=GPIO_Pin_1|GPIO_Pin_2;//端口配置
GPIO_InitStructure.GPIO_Mode=GPIO_Mode_Out_PP;//推挽输出
GPIO_InitStructure.GPIO_Speed=GPIO_Speed_50MHz;//IO口速度为50MHz
GPIO_Init(GPIOA,&GPIO_InitStructure);//根据设定参数初始化GPIOA
SPI_InitStructure.SPI_Direction = SPI_Direction_2Lines_FullDuplex; //设置 SPI 全双工
SPI_InitStructure.SPI_Mode = SPI_Mode_Master; //设置 SPI 工作模式:设置为主 SPI
SPI_InitStructure.SPI_DataSize = SPI_DataSize_8b; // 8 位帧结构
SPI_InitStructure.SPI_CPOL = SPI_CPOL_High;//选择了串行时钟的稳态:时钟悬空高
SPI_InitStructure.SPI_CPHA = SPI_CPHA_2Edge; //数据捕获于第二个时钟沿
SPI_InitStructure.SPI_NSS = SPI_NSS_Soft; //NSS 信号由硬件管理
SPI_InitStructure.SPI_BaudRatePrescaler = SPI_BaudRatePrescaler_16; //预分频 256
SPI_InitStructure.SPI_FirstBit = SPI_FirstBit_MSB; //数据传输从 MSB 位开始
SPI_InitStructure.SPI_CRCPolynomial = 7; //CRC 值计算的多项式
SPI_Init(SPI1, &SPI_InitStructure); //②根据指定的参数初始化外设 SPIx 寄存器
SPI_Cmd(SPI1, ENABLE); //③使能 SPI 外设
//SPI1_ReadWriteByte(0xff);//④启动传输
}
void OLED_WB(uint8_t data)
{
/* Loop while DR register in not emplty */
while (SPI_I2S_GetFlagStatus(SPI1, SPI_I2S_FLAG_TXE) == RESET);
/* Send byte through the SPI2 peripheral */
SPI_I2S_SendData(SPI1, data);
}
void SPI_WriteByte(unsigned char data,unsigned char cmd)
{
unsigned char i=0;
OLED_DC =cmd;
OLED_WB(data);
}
PS:可以通过添加公众号“山不高海不深”回复关键字“OLED代码“得到完整工程代码

回复关键字“OLED代码“得到完整工程代码
最后
以上就是失眠芒果最近收集整理的关于STM32用SPI方式控制OLED模块一、OLED二、GPIO模拟SPI三、STM32对OLED模块的控制四、用STM32的SPI资源(可选)的全部内容,更多相关STM32用SPI方式控制OLED模块一、OLED二、GPIO模拟SPI三、STM32对OLED模块内容请搜索靠谱客的其他文章。
本图文内容来源于网友提供,作为学习参考使用,或来自网络收集整理,版权属于原作者所有。
发表评论 取消回复