Toggle navigation
首页
博客
下载
AI
科技
互联网
会员
中心
会员中心
发布资讯
发布博文
发布资源
首页
文章中心
IC
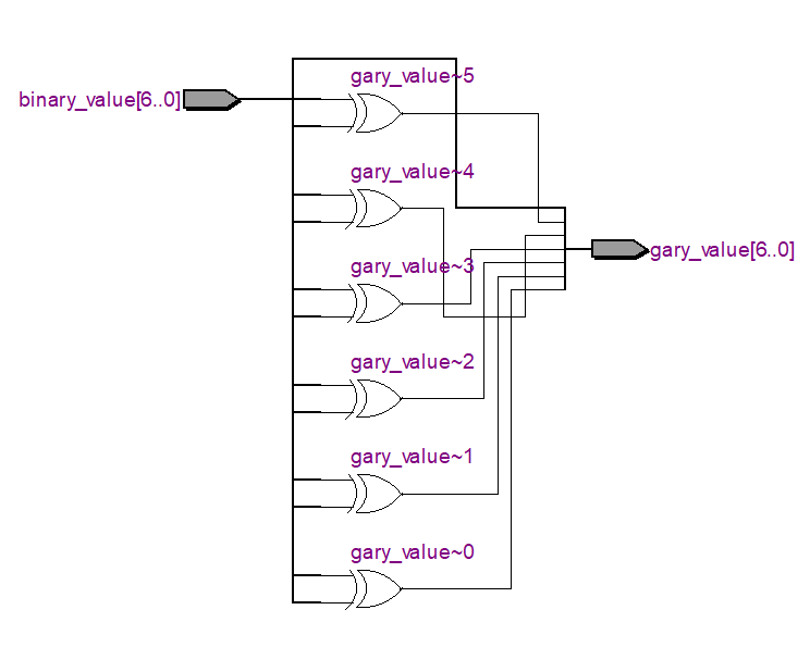
格雷码和二进制码转换
274 阅读
0 评论
181 点赞
我是
靠谱客
的博主
糟糕嚓茶
,这篇文章主要介绍
格雷码和二进制码转换
,现在分享给大家,希望可以做个参考。
最后
以上就是
糟糕嚓茶
最近收集整理的关于
格雷码和二进制码转换
的全部内容,更多相关
格雷码和二进制码转换
内容请搜索靠谱客的其他文章。
本图文内容来源于网友提供,作为学习参考使用,或来自网络收集整理,版权属于原作者所有。
点赞(
181
)
本文分类:
IC
浏览次数:
274
次浏览
发布日期:2023-09-26 09:30:58
本文链接:
https://www.kaopuke.com/article/k-p-k_14_uzocf1_14__7_k2.html
相关文章
格雷码转换电路
FIFO理解
求一个数的格雷码
格雷码的几种实现方式 递归 迭代 递推
格雷码和二进制码转换
而立之年,欲立且立
格雷码转换成二进制c语言程序,格雷码与二进制的转换程序
交织编码
评论列表
共有
0
条评论
发表评论
取消回复
登录
注册新账号
立即
投稿
返回
顶部
发表评论 取消回复