麦克风阵列语音增强(二)
版权声明:本文为博主原创文章,未经博主允许不得转载。 https://blog.csdn.net/zhanglu_wind/article/details/81217093
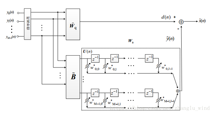
1. 时域GSC自适应波束形成算法(Griffiths-Jim)
图 2-1 Griffiths-Jim的时域GSC自适应波束形成算法
在这个专题中,将对Griffiths于1982年提出的经典时域GSC算法进行实现,并利用爱丁堡大学语音实验室开发的麦克风阵列仿真环境(之前已经单独介绍过了)进行实验测试。首先是,GSC算法的设计,算法结构框图如上图2-1所示。根据其结构,我们需要设计的部分是三个矩阵部分:固定波束形成部分的静止矩阵(
)、阻塞矩阵(
)和自适应抵消部分的权重矩阵(
)。对于静止矩阵和阻塞矩阵,Griffiths已经进行了简化设计,如下所示:
(1-1)
(1-2)
如上式(1-1)和(1-2)所示,对于阻塞矩阵采用的是 [1,-1] 形式的相邻麦克风对减方式,静止矩阵采用的是求和平均的方式(
取
)。这种简化方式具有计算简单,运算量低的优点,当然,相应的噪声抑制性能也不高。除了上述提到的静止矩阵和阻塞矩阵的设计,还有一个很重要的矩阵需要进行设计,也就是自适应权重系数矩阵
。对于
的设计,本来是需要进行矩阵的求逆运算才能计算得到的,这里为了进一步降低运算量,采用了LMS自适应迭代的方法,求解过程如下所示:
(1-3)
其中,
为迭代步长,
,
是阻塞矩阵
的输出,满足
。这便是Griffiths-Jim 的GSC算法的设计过程,但是对于其中时延补偿部分的设计还没有涉及,实现方法通常两种:时域对齐和频域对齐。下面介绍一种最简单的方法,也就是时域采样点延迟的方法。如下图2-2所示,在知道目标语音信号入射方向的前提下(一般是由声源定位算法估计得到),以最左侧或者最右侧的麦克风接收的信号为基准,调整其他麦克风的时域采样点向后或者向前调整几个点即可。因为麦克风之间的间距和声源入射方向是已知的,所以根据声速340m/s,可以计算出来每个麦克风需要调整的点数。
图 2-2 平面波入射模型
2. 实验仿真测试
利用之前介绍的麦克风阵列仿真环境,模拟了一个长宽高为3m *4m *3m 的密闭房间,房间混响为0.1s,采用4个麦克风的均匀线性阵列(麦克风间距5cm),将其放置在房间的正中央,目标声源位于麦克风阵列正前方方向(省去了时延补偿的工作),距离麦克风阵列1.4m。另外,对具有明确方向性的语音干扰、点噪声源干扰和无方向性的散漫噪声情况进行实验测试。语音干扰和点噪声源干扰都来自麦克风阵列的右侧90度方向,且距离麦克分1m,散漫噪声以球形场的形式均匀分散在房间中,如下图2-3所示。
图 2-3 实验仿真环境设置
2.1 语音干扰情况
在麦克风阵列的一些应用场景中,语音干扰的情况十分常见,比如说,在一个房间内正在进行多媒体远程会议,这时就希望麦克风阵列只捕捉我们想要的目标声源(会议发言人),抑制那些来自干扰方向的噪声(例如,非发言人的干扰语音)。针对这种情况进行实验测试,结果如下图2-4所示。其中,图2-4中的(a)和(b)是目标声源和干扰声源分别说话时的算法处理前后的结果(目标源先说话,干扰源再说话),(c)和(d)是同时说话时的算法处理前后的结果。从时域波形图的结果可以看出,干扰声源的幅度被明显地降低了,由此可见,GSC算法可以实现有效地空间滤波性能。
图 2-4 语音干扰情况的时域波形图
2.2 点噪声源干扰情况
点噪声源和语音干扰的情况类似,只是干扰信号不是语音而是固定方向传过来的噪声,例如在房间内有一个窗户,窗外有一辆汽车经过,那么从窗户传进来的汽车噪声就是点噪声源。对于点噪声源的情况,实验测试了白噪声的情况(0dB的输入信噪比),如图2-5所示。其中,(a)是纯净语音的时域波形图,(b)和(c)分别是点噪声源干扰的语音和算法处理后的去噪语音。显然,GSC算法可以有效地抑制具有明确方向性的点噪声源干扰,使得点噪声源的信号幅度被衰减。

图 2-5 点噪声源干扰情况的时域波形图
2.3 散漫噪声源干扰情况
对于散漫噪声,采用的是球形噪声场的数学模型模拟产生,因此它并没有明确的方向性,在整个房间内均匀存在,是实际生活中比较常见的噪声类型。这里仍然采用白噪声作为散漫噪声源(输入信噪比为0dB),实验测试结果如下图2-6所示。其中(a)为纯净语音信号的时域波形图,(b)是被散漫噪声源污染的语音信号,(c)为GSC算法处理后的去噪语音信号。从实验结果中发现,GSC算法对散漫噪声的抑制能力比较弱,也就是说,当空间中的噪声不具有方向特性时,GSC算法的空间滤波优势将大大减弱,这也是麦克风阵列波束形成算法的缺陷所在。

图 2-6 散漫噪声源干扰情况的时域波形图
参考文献:
Griffiths L J, Jim C W. An alternative approach to linear constrained adaptive beamforming[J]. IEEE Trans Antennas & Propag, 1982, 30(1):27-34.
最后
以上就是尊敬小蝴蝶最近收集整理的关于音视频开发(37)---麦克风阵列语音增强(二)麦克风阵列语音增强(二)的全部内容,更多相关音视频开发(37)---麦克风阵列语音增强(二)麦克风阵列语音增强(二)内容请搜索靠谱客的其他文章。
发表评论 取消回复