【数电专栏】
前些天发现一个通俗易懂,风趣幽默的人工智能学习网站:
传送门
文章目录
- A TTL集成门电路
- A.a 双极型三极管的开关特性
- A.a.a 双极型三极管的结构
- A.a.b 双极型三极管的特性曲线
- A.a.b双极型三极管的基本开关电路
- A.b TTL集成门电路的结构
- A.a.a 典型输入级形式
- A.a.b 典型中间级形式
- A.a.c 典型输出级形式
- A.b 几种典型的TTL集成门电路
- A.b.a TTL反相器电路
- A.b.b TTL集成与非门
- A.b.c TTL集成或非门
- A.b.d TTL集成与或非门
- A.b.e TTL集成异或门
- A.c 集电极开路(OC)门电路原理及特点
- A.c.a OC门电路工作原理
- A.d TTL三态(TS)输出门
A TTL集成门电路
TTL逻辑门是指输入端和输出端都用双极型三极管的集成电路(称为三 极管——三极管逻辑门)。它的开关速度较快,是目前用得较多的一种集成逻辑门。
A.a 双极型三极管的开关特性
A.a.a 双极型三极管的结构

A.a.b 双极型三极管的特性曲线
所谓伏安特性曲线是指各极电压与电流之间的关系曲线,是三极管内 部载流子运动的外部表现。从工程应用角度来看,外部特性更为重要。

输入特性曲线:

继续增大VCC使VCE=1V以上的多个值,结果发现:之后的所有输入特性几乎都与VCE=1V的特性相同,曲线基本不再变化。
实用中三极管的VCE值一般都超过1V,所以其输入特性通常采用VCE=1V时的曲线。
从特性曲线可看出,双极型三极管的输入特性与二极管的正向特性非常相似。
输出特性曲线:

输出曲线开始部分很陡,说明IC随VCE的增加而急剧增大。
当VCE增至一定数值时(一般小于1V),输出特性曲线变得平坦,表明IC基本上不再随VCE而变化。
输出特性曲线一般可分为三个区:

<1>放大区:晶体管工作在放大状态时,发射结正偏,集电结反偏。在放大区,集电极电流与基极电流之间成β倍的数量关系,即晶体管在放大区时具有电流放大作用。
<2>饱和区:当发射结和集电结均为正向偏置时,三极管处于饱和状态。此时集电极电流IC与基极电流IB之间不再成比例关系,IB的变化对IC的影响很小。
此时VCE小于VBE,规定: VCE=VBE时,为临近饱和状态,用VCES(0.3或0.1)表示,此时集电极临近饱和电流是:

管子临近饱和时,硅管的
V
C
E
V_CE
VCE约为0.3V,锗管约为0.1V, 由于深度饱和时VCE约等于0,晶体管在电路中犹如一个闭合的开关。
<3>截止区:
当基极电流IB等于0时,晶体管处于截止状态
A.a.b双极型三极管的基本开关电路
在数字电路中,三极管作为开关元件,主要工作在饱和和截止两种开关状态,放大区只是极短暂的过渡状态。


A.b TTL集成门电路的结构

在数字电路中,三极管作为开关元件,主要工作在饱和和截止两种开关状态,放大区只是极短暂的过渡状态。
A.a.a 典型输入级形式



V
I
L
:输入低电平;
V
I
H
:输入高电平。
V_{IL}:输入低电平;V_{IH}:输入高电平。
VIL:输入低电平;VIH:输入高电平。
如果A输入是一个负电压,那么二极管就会导通,控制A点电压,能避免三极管烧坏。

钳位二极管VD:既抑制输入端可能出现的负极性干扰脉冲,又可以防止输入电压为负时,VT的发射极电流过大,起保护作用。

A.a.b 典型中间级形式

A为高电平大于导通电压0.V7时,晶体管处于放大状态,
F
2
F_2
F2电压为(3-0.7=2.3)V。调整
R
2
R_2
R2使得其处于饱和状态,c-e之间电压为0.1~0.3V,则
F
2
F_2
F2输入电压为
2.4
2.4
2.4 ~
2.6
V
2.6V
2.6V。
2.6相对12V为低电平。
F
1
F_1
F1称为反相输出端;
F
2
F_2
F2称为同相输出端。


A.a.c 典型输出级形式




A.b 几种典型的TTL集成门电路
A.b.a TTL反相器电路

D
2
D_2
D2:保证
T
5
T_5
T5导通时,
T
4
T_4
T4截止。
电路分析06:00(钳位)

D1可以把电位钳位在0.7。




需要说明几个问题:
-
T2的输出Vc2和Ve2变化方向相反,故称倒向级。
-
输出级在稳态下,T4和T5总有一个导通一个截止,既能降低功耗又提高了负载能力,称“推拉式”。


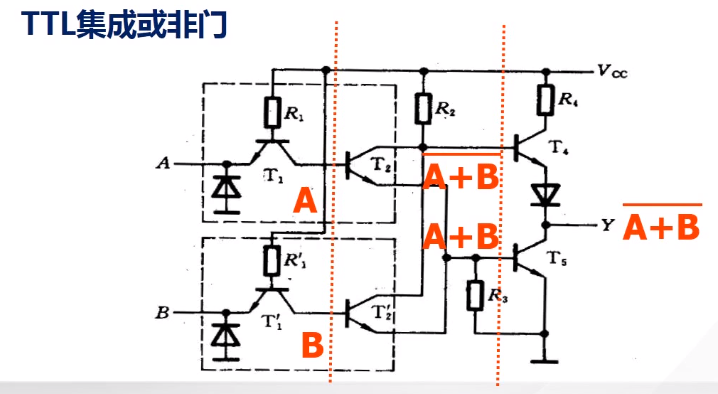
A.b.b TTL集成与非门


A.b.c TTL集成或非门


A.b.d TTL集成与或非门

A.b.e TTL集成异或门


A.c 集电极开路(OC)门电路原理及特点
open collector(OC)
1、推拉式输出具有阻抗低的优点
2、推拉式输出电路结构的局限性
① 输出电平不可调,不能满足对输出高低电平的需要。
② 负载能力不强,不能满足驱动较大电流,较高电压
的负载要求
③ 输出端不能并联使用。

在工程实践中,有时需要将几个门的输出端并联使用,以实现与逻辑,称为线与。如果G1、G2两个TTL与非门的输出直接连接起来,当G1输出为高电平,G2为低电平时,从G1的电源Vcc通过G1的T4、D到G2的T5,形成一个低阻通路,产生很大的电流,造成输出既不是高电平也不是低电平;逻辑功能将被破坏,还可能烧坏器件,所以普通的TTL门电路是不能进行线与的。为了满足实际应用中实现线与的要求,专门生产了一种可以进行线与的门电路—集电极开路门电路,简称OC门。
A.c.a OC门电路工作原理
OC门的特点:OC门的输出端是可以并接使用的。(一般TTL与非门电路的输出端是绝对不允许 并接使用的。)
1.与非门(OC门)



| T2,T5bc正偏 | T2,T5的Ube<Uon |
|---|---|
![]() | ![]() |
| OC门输出端可并联使用的原理: | |
| – | – |
![]() | ![]() |
![]() | ![]() |


A.d TTL三态(TS)输出门
三态:0态,1态,高阻态
EN:使能信号












图片来源:《数字电子技术基础》 国防科技大学
最后
以上就是外向鸡翅最近收集整理的关于(七)【数电】(门电路)TTL集成门电路A TTL集成门电路的全部内容,更多相关(七)【数电】(门电路)TTL集成门电路A内容请搜索靠谱客的其他文章。






发表评论 取消回复