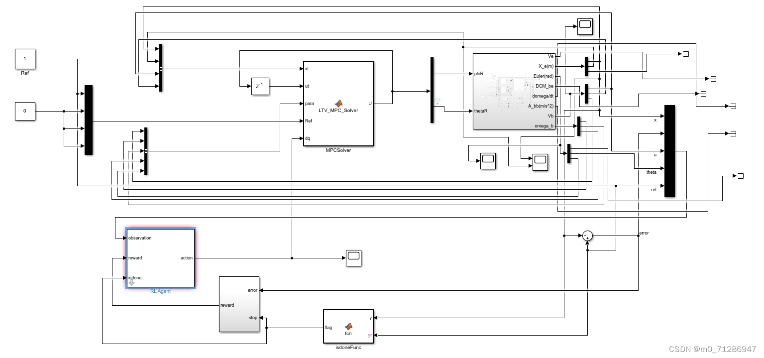
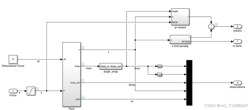
强化学习算法,DDPG算法,在simulink或MATLAB中编写强化学习算法,基于强化学习的自适应pid,基于强化学习的模型预测控制算法,基于RL的MPC,Reinforcement learning工具箱,具体例子的编程





ID:69400
646485777521
最后
以上就是踏实店员最近收集整理的关于强化学习算法,DDPG算法,在simulink或MATLAB中编写强化学习算法的全部内容,更多相关强化学习算法内容请搜索靠谱客的其他文章。
本图文内容来源于网友提供,作为学习参考使用,或来自网络收集整理,版权属于原作者所有。
发表评论 取消回复