在Simulink中训练DDPG控制倒立摆系统
- 倒立摆的Simscape模型
- 创建环境接口
- 创建DDPG智能体
- 训练智能体
- DDPG智能体仿真
此示例显示了如何训练深度确定性策略梯度(DDPG)智能体去控制以Simscape™Multibody™建模的倒立摆系统。
matlab 版本 2020b

倒立摆的Simscape模型
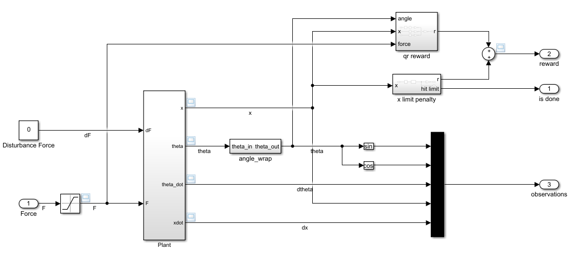
此示例的强化学习环境是一根杆,该杆连接到手推车上未操纵的关节上,该关节沿着无摩擦的轨道移动。 训练的目标是使杆立起,而只需花费最小的控制力就不会摔倒。
打开模型
mdl = 'rlCartPoleSimscapeModel';
open_system(mdl)

倒立摆系统是使用Simscape Multibody建模的。

对于该模型:
- 向上的平衡杆位置为0弧度,向下的悬挂位置为pi弧度。
- 从agent到环境的力作用信号是15到15 N,
- 从环境中观察到的是手推车的位置和速度,以及杆角的正弦、余弦和导数。
- 如果车从原来的位置移动超过3.5米,则该episode终止。
- 在每个时间步提供的奖励
r
t
r_t
rt为

其中:
- θ t theta_t θt是从杆的直立位置开始的位移角。
- x t x_t xt是从小车中心位置移动的位置。
- u t − 1 u_{t-1} ut−1是前一个时间步骤的控制工作。
- B是一个标志(1或0),指示车是否越界。
有关此模型的更多信息,请参见加载预定义的Simulink环境。
创建环境接口
为杆创建预定义的环境接口。
env = rlPredefinedEnv('CartPoleSimscapeModel-Continuous')

该接口具有连续的作用空间,智能体可以在其中向极点施加从–15到15 N的可能扭矩值。
从环境接口获取观察和动作信息。
obsInfo = getObservationInfo(env);
numObservations = obsInfo.Dimension(1);
actInfo = getActionInfo(env);
以秒为单位指定模拟时间Tf和智能体采样时间Ts。
Ts = 0.02;
Tf = 25;
固定随机发生器种子的重现性。
rng(0)
创建DDPG智能体
DDPG智能体使用评论者价值函数表示法,根据给定的观察和操作来估算长期奖励。 要创建评论者,首先要创建一个具有两个输入(状态和动作)和一个输出的深度神经网络。 动作路径的输入大小为[1 1 1],因为智能体可以将动作作为一个力值施加到环境。 有关创建深度神经网络值函数表示的更多信息,请参见创建策略和值函数表示。
statePath = [
featureInputLayer(numObservations,'Normalization','none','Name','observation')
fullyConnectedLayer(128,'Name','CriticStateFC1')
reluLayer('Name','CriticRelu1')
fullyConnectedLayer(200,'Name','CriticStateFC2')];
actionPath = [
featureInputLayer(1,'Normalization','none','Name','action')
fullyConnectedLayer(200,'Name','CriticActionFC1','BiasLearnRateFactor',0)];
commonPath = [
additionLayer(2,'Name','add')
reluLayer('Name','CriticCommonRelu')
fullyConnectedLayer(1,'Name','CriticOutput')];
criticNetwork = layerGraph(statePath);
criticNetwork = addLayers(criticNetwork,actionPath);
criticNetwork = addLayers(criticNetwork,commonPath);
criticNetwork = connectLayers(criticNetwork,'CriticStateFC2','add/in1');
criticNetwork = connectLayers(criticNetwork,'CriticActionFC1','add/in2');
查看评论者网络配置。
figure
plot(criticNetwork)

使用rlRepresentationOptions指定评论者表示的选项。
criticOptions = rlRepresentationOptions('LearnRate',1e-03,'GradientThreshold',1);
使用指定的深度神经网络和选项创建评论者表示。 您还必须指定评论者的操作和观察信息,这些信息已经从环境界面中获得。 有关更多信息,请参见rlQValueRepresentation。
critic = rlQValueRepresentation(criticNetwork,obsInfo,actInfo,...
'Observation',{'observation'},'Action',{'action'},criticOptions);
DDPG智能体使用写得者表示来决定在给定的观察结果下要采取哪种操作。 要创建行动者,首先要创建一个具有一个输入(观察)和一个输出(动作)的深度神经网络。
以类似于评论者的方式构造行动者。 有关更多信息,请参见rlDeterministicActorRepresentation。
actorNetwork = [
featureInputLayer(numObservations,'Normalization','none','Name','observation')
fullyConnectedLayer(128,'Name','ActorFC1')
reluLayer('Name','ActorRelu1')
fullyConnectedLayer(200,'Name','ActorFC2')
reluLayer('Name','ActorRelu2')
fullyConnectedLayer(1,'Name','ActorFC3')
tanhLayer('Name','ActorTanh1')
scalingLayer('Name','ActorScaling','Scale',max(actInfo.UpperLimit))];
actorOptions = rlRepresentationOptions('LearnRate',5e-04,'GradientThreshold',1);
actor = rlDeterministicActorRepresentation(actorNetwork,obsInfo,actInfo,...
'Observation',{'observation'},'Action',{'ActorScaling'},actorOptions);
要创建DDPG智能体,请首先使用rlDDPGAgentOptions指定DDPG智能体选项。
agentOptions = rlDDPGAgentOptions(...
'SampleTime',Ts,...
'TargetSmoothFactor',1e-3,...
'ExperienceBufferLength',1e6,...
'MiniBatchSize',128);
agentOptions.NoiseOptions.Variance = 0.4;
agentOptions.NoiseOptions.VarianceDecayRate = 1e-5;
然后,使用指定的行动者表示,评论者表示和智能体选项创建行动者。 有关更多信息,请参见rlDDPGAgent。
agent = rlDDPGAgent(actor,critic,agentOptions);
训练智能体
要训练智能体,请首先指定训练选项。 对于此示例,使用以下选项。
-
每个训练episode 最多运行2000个episode ,每个episode 最多持续ceil(Tf / Ts)个时间步长。
-
在“Episode Manager”对话框中显示训练进度(设置“Plots ”选项)并禁用命令行显示(将“Verbose ”选项设置为false)。
-
当智能体连续五个episode 获得的平均累积奖励大于–400时,请停止训练。 在这一点上,智能体可以用最少的控制力量快速地将立杆平衡在直立位置。
-
为累积奖励大于–400的每个episode 保存智能体的副本。
有关更多信息,请参见rlTrainingOptions。
maxepisodes = 2000;
maxsteps = ceil(Tf/Ts);
trainingOptions = rlTrainingOptions(...
'MaxEpisodes',maxepisodes,...
'MaxStepsPerEpisode',maxsteps,...
'ScoreAveragingWindowLength',5,...
'Verbose',false,...
'Plots','training-progress',...
'StopTrainingCriteria','AverageReward',...
'StopTrainingValue',-400,...
'SaveAgentCriteria','EpisodeReward',...
'SaveAgentValue',-400);
使用训练功能训练智能体。 培训此智能体过程需要大量的计算,并且需要几个小时才能完成。 为了节省运行本示例的时间,请通过将doTraining设置为false来加载预训练的智能体。 要自己训练智能体,请将doTraining设置为true。
doTraining = false;
if doTraining
% Train the agent.
trainingStats = train(agent,env,trainingOptions);
else
% Load the pretrained agent for the example.
load('SimscapeCartPoleDDPG.mat','agent')
end

DDPG智能体仿真
要验证训练后的智能体的表现,请在杆状环境中对其进行仿真。 有关智能体模拟的更多信息,请参见rlSimulationOptions和sim。
simOptions = rlSimulationOptions('MaxSteps',500);
experience = sim(env,agent,simOptions);

bdclose(mdl)
最后
以上就是多情钻石最近收集整理的关于MATLAB强化学习实战(七) 在Simulink中训练DDPG控制倒立摆系统倒立摆的Simscape模型创建环境接口创建DDPG智能体训练智能体DDPG智能体仿真的全部内容,更多相关MATLAB强化学习实战(七)内容请搜索靠谱客的其他文章。
发表评论 取消回复