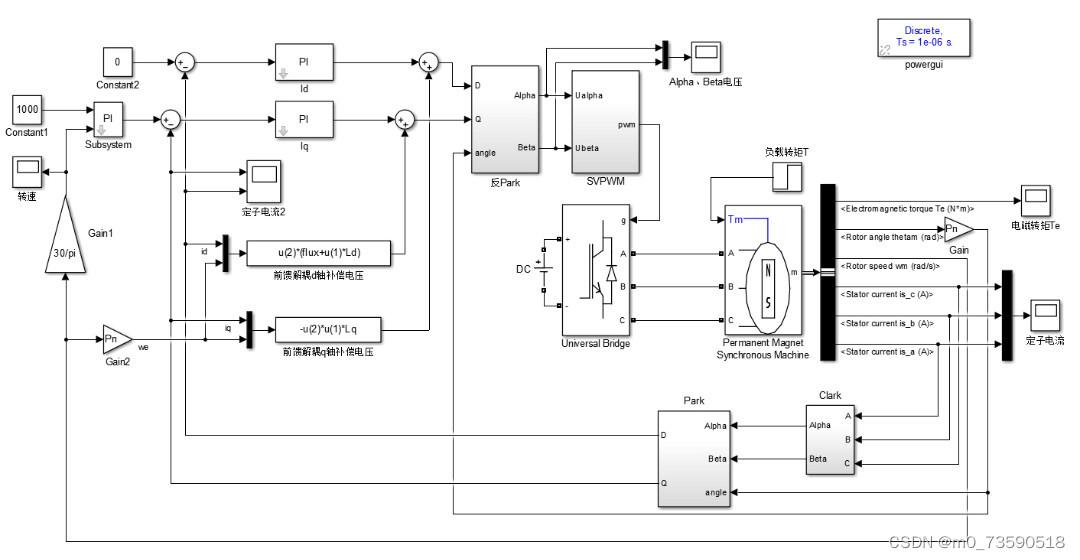
matlab/simulink永磁同步电机仿真
三相PMSM矢量控制仿真模型
有PI参数设置公式

ID:7240641894052645
李豆豆dou豆豆



最后
以上就是狂野夕阳最近收集整理的关于matlab/simulink永磁同步电机仿真 三相PMSM矢量控制仿真模型的全部内容,更多相关matlab/simulink永磁同步电机仿真内容请搜索靠谱客的其他文章。
本图文内容来源于网友提供,作为学习参考使用,或来自网络收集整理,版权属于原作者所有。
matlab/simulink永磁同步电机仿真
三相PMSM矢量控制仿真模型
有PI参数设置公式

ID:7240641894052645
李豆豆dou豆豆



以上就是狂野夕阳最近收集整理的关于matlab/simulink永磁同步电机仿真 三相PMSM矢量控制仿真模型的全部内容,更多相关matlab/simulink永磁同步电机仿真内容请搜索靠谱客的其他文章。
发表评论 取消回复