lora模块 A39系列 远距离通信 Arduino 串口案列程序
一、器材
Lora通信模块 A39C-T400A22D1a *2
USB转TTL *1
Arduino *1
面包板 *1
杜邦线 若干
二、Lora A39系列简介

A39C-T400A22D1a 是一款 410-525MHz,158mW,具有高稳定性,工业级的无线串口模块。采用 LLCC68 射频芯片设计开发,LORA 扩频调制,实测传输距离最远可达 5000 米。该模块支持数据广播、数据监听、定点传输、主从模式、自动中继、定点唤醒、超低功耗等功能。多样化的功能和极高的稳定性,可广泛应用于各种环境下,轻松实现低频无线数据传输。
工作状态
MD0 = 0 进入指令配置模式
MD0 = 1 退出指令配置模式
MD1 = 0 正常工作状态
MD1 = 1 休眠工作状态
进入配置模式MD0 = 0 ,MD1 =0 串口参数转为 9600,8,n,1,收到的数据会作为配置参数进行处理,无线进入睡眠模式,不
能收到消息。
退出配置模式 MD0 =1 ,MD1 =0 以配置后的参数重新配置外设,以新配置进行运行,串口打开,无线打开。

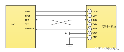
三、接线图

特别注意:MD0和MD1,配置时都接低电平(GND),配置完成后MD0接高电平(VCC)
四、配置
打开上位机软件AS_DS 2.2.27,双击选择产品型号,如图
双击确认后,选择正确端口号,依次点击打开串口,搜索设备。
一定要注意,**配置模式,USB转TTL连接时,注意MD0,MD1接低电平(GND)**否则会搜不到设备。如图,打开串口,搜索设备成功后,能够收到设备运行参数。

在右边栏中选择配置。注意波特率,默认为9600,四种工作模式可选,其他较为复杂,以透明传输为例。选择工作模式为“透明传输”。

设置好参数后,点击“写入配置”,关闭串口,再次打开串口,点击“读取数据”,确认参数配置正确。
五、通信
一个连接Arduino这里使用的是软串口的例子,注意修改波特率为9600用软串口的好处,比如:烧程序的时候,不用拔硬串口连接线。Aduino串口上有连接线,可能会上传失败。
此时,MD0 =1 高电平(VCC),MD1 =0 低电平(GND) 以配置后的参数重新配置外设,以新配置进行运行,串口打开,无线打开。否则可能无法通信。
#include <SoftwareSerial.h>
SoftwareSerial mySerial(10, 11); // RX, TX
void setup() {
// Open serial communications and wait for port to open:
Serial.begin(9600);
while (!Serial) {
; // wait for serial port to connect. Needed for native USB port only
}
Serial.println(123);
// set the data rate for the SoftwareSerial port
mySerial.begin(9600);
mySerial.println("111");
}
void loop() { // run over and over
if (mySerial.available()) {
Serial.write(mySerial.read());
}
if (Serial.available()) {
mySerial.write(Serial.read());
}
}
另一个连接USB转TTL,通过串口助手,操作观察。不需要勾选16禁止,否则看的是16进制。如果某个地方波特率选择不正确,可能会是乱码。


六、总结
其他功能请看相关资料,无论是配置还是调试,一定要注意MD0和MD1引脚的高低电平。
资料下载,请看我的分享内容:https://download.csdn.net/download/weixin_51762252/85228672
最后
以上就是活力金针菇最近收集整理的关于lora模块 A39系列 远距离通信 Arduino 串口案列程序lora模块 A39系列 远距离通信 Arduino 串口案列程序的全部内容,更多相关lora模块内容请搜索靠谱客的其他文章。
发表评论 取消回复