- 四位二进制同步可逆计数器,实现清楚,预置,累加计数和累减计数的功能
- 模16计数器,构成脉冲分配器和序列发生器等逻辑器件
- 构成模小于16的计数器
- 利用计数器清除、预置等功能
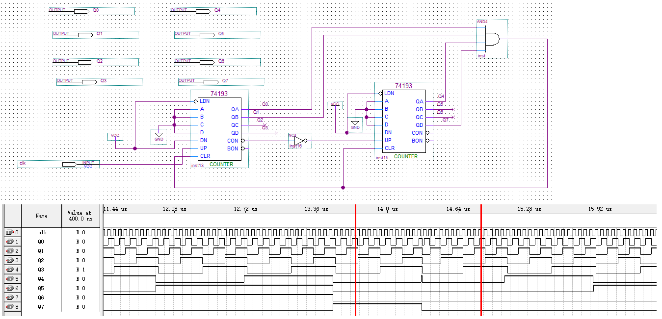
- 构成模大于16的计数器
- 利用计数器的进位和借位输出脉冲,将多个74139级联

- 模10计数器,1010是个暂态,实现异步清零,不需要时钟脉冲的配合

- 模147D计数器,计数器状态由146D变为147D=1001 0011B时实现清零

- 仿真结果总感觉不太对,时钟上升沿与输出信号没对准
最后
以上就是现实大米最近收集整理的关于quartus仿真系列2:74193功能的全部内容,更多相关quartus仿真系列2内容请搜索靠谱客的其他文章。
本图文内容来源于网友提供,作为学习参考使用,或来自网络收集整理,版权属于原作者所有。
发表评论 取消回复