我是靠谱客的博主 顺心棒棒糖,这篇文章主要介绍jk触发器上升沿怎么看_单稳态触发器工作原理及作用,现在分享给大家,希望可以做个参考。

单稳态 组成

如图所示,其中R、C为单稳态触发器的定时元件,它们的连接点Vc与 的阈值输入端(6脚)及输出端Vo‘(7脚)相连。单稳态触发器输出脉冲宽度tpo=1.1RC。

b338cb0c4a448c09530a5ac770119b07.png

Ri、Ci构成输入回路的微分环节,用以使输入信号Vi的负脉冲宽度t 限制在允许的范围内,一般tpi》5RiCi,通过微分环节,可使Vi’的尖脉冲宽度小于单稳态触发器的输出脉冲宽度tpo。若输入信号的负脉冲宽度tpi本来就小于tpo,则微分环节可省略。

定时器复位输入端(4脚)接高电平,控制输入端Vm通过0.01uF接地,定时器输出端Vo(3脚)作为单稳态触发器的单稳信号输出端。

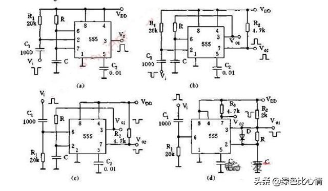
单稳态触发器的四种基本电路图

9b13559446fc83e53ddc686c83f6365f.png

单稳态触发器工作原理

单稳态触发器的工作特点是:

1、在没有受到外界触发脉冲作用的情况下,单稳态触发器保持在稳态;

2、在受到外界触发脉冲作用的情况下,单稳态触发器翻转,进入“暂稳态”。假设稳态为0,则暂稳态为1。

3、经过一段时间,单稳态触发器从暂稳态返回稳态。单稳态触发器在暂稳态停留的时间仅仅取决于电路本身的参数。

微分型单稳态触发器包含阻容元件构成的微分电路。因为CMOS门电路的输入 很高,所以其输入端可以认为开路。 和电阻构成一个时间常数很小的微分电路,它能将较宽的矩形触发脉冲变成较窄的尖触发脉冲。稳态时,等于0,等于0,等于,等于0,等于,电容两端的电压等于0。触发脉冲到达时,大于,大于,等于0,等于0,等于,电容开始充电,电路进入暂稳态。当电容两端的电压上升到时,即上升到时,等于0,电路退出暂稳态,电路的输出恢复到稳态。显然,输出脉冲宽度等于暂稳态持续时间。电路退出暂稳态时,已经回到0(这是电容和电阻构成的微分电路决定的),所以等于,等于,电容通过输入端的 迅速放电。当下降到时,电路内部也恢复到稳态。

单稳态触发器的工作过程分为下面三个阶段来分析,图为其工作波形图:

65e4a9f71b102a56b9317f17dcaa9aee.png

①触发翻转阶段:

输入负脉冲Vi到来时,下降沿经RiCi微分环节在Vi‘端产生下跳负向尖脉冲,其值低于负向阀值(1/3Vcc)。由于稳态时Vc低于正向阀值(2/3Vcc),固定时器翻转为1,输出Vo为高电平,集电极输出对地断开,此时单稳态触发器进入暂稳状态。

②暂态维持阶段:

由于集电极开路输出端(7脚)对地断开,Vcc通过R向C充电,Vc按指数规律上升并趋向于Vcc。从暂稳态开始到Vc值到达正向阀值(2/3Vcc)之前的这段时间就是暂态维持时间tpo。

③返回恢复阶段:

当C充电使Vc值高于正向阀值(2/3Vcc)时,由于Vi’端负向尖脉冲已消失,Vi‘值高于负向阀值(1/3Vcc),定时器翻转为0,输出低电平,集电极输出端(7脚)对地导通,暂态阶段结束。C通过7脚放电,使Vc值低于正向阀值(2/3Vcc),使单稳态触发器恢复稳态。

单稳态触发器的作用

集成单稳态触发器有两种类型:可重触发的和不可重触发的。在暂稳态期间,前者受触发脉冲的影响而后者不受触发脉冲的影响。假设单稳态触发器的输出脉冲宽度为秒,两个相隔秒的触发脉冲先后到达,那么,它在第一个触发脉冲的作用下进入暂稳态,这个暂稳态还没有结束,第二个触发脉冲就到达了。对于可重触发的单稳态触发器来说,电路将被重新触发,输出脉冲的宽度等于秒;对于不可重触发的单稳态触发器来说,电路将不被重新触发,输出脉冲的宽度等于秒。

1、脉冲整形

当某一连续脉冲前、后沿的陡度不能满足要求,或者不能满足脉冲宽度与幅度均相同的要求时,可将其作为单稳态触发器的输入触发信号,就可在触发器的输出端获得具有相同脉冲宽度与幅度且前沿和后沿较陡的整形脉冲信号。

2、定时

调整R、C的参数,可使单稳态触发器的输出脉冲宽度为某一定值,并把它作为“与”门输人信号之一。

3、延时

指的是单稳态输出脉冲波形的下降沿较之触发脉冲的下降沿滞后了时间。

最后

以上就是顺心棒棒糖最近收集整理的关于jk触发器上升沿怎么看_单稳态触发器工作原理及作用的全部内容,更多相关jk触发器上升沿怎么看_单稳态触发器工作原理及作用内容请搜索靠谱客的其他文章。

本图文内容来源于网友提供,作为学习参考使用,或来自网络收集整理,版权属于原作者所有。
点赞(194)

评论列表共有 0 条评论

立即
投稿
返回
顶部