数字电路基础知识——组合逻辑电路(数据选择器MUX、也即多路复用器)
本次介绍数据选择器的相关知识,数据选择器在电路设计中尤为重要,尤其是对于在Verilog中的if-else的语法即 o = a?b :c 都可以看到有数据选择器的使用。
介绍数据选择器的设计原则以及实例:用Verilog描述一个多路复用器,输入的通道数目N,每一路的位宽为M。
求log以2为低的整数的算法(使用移位寄存器、数据比较器)
一、二选一数据选择器(2-1 MUX)
二选一的数据选择器是最简单的结构,其逻辑框图、门级电路、以及真值表如下:

二、 用 2输入mux,实现与,或,非,异或
二选一用Verilog语言描述:
o = s ? a : b;
-
与逻辑:
out = (a == 1’b0)? 1’b0: ((b == 1’b0)? 1’b0: 1’b1);
或
out = (a == 1’b1)? b: 1’b0;
Y=SA+S’B=AB+A’0=AB -
或逻辑:
out = (a == 1’b1)? 1’b1: ((b == 1’b1)? 1’b1: 1’b0);
或
out = (a == 1’b0)? b: 1’b1;
Y=SA+S’B=A’B+A=A+B -
非逻辑:
out = (a == 1’b1)? 1’b0: 1’b1; -
异或
out = (a == 1’b1)? ((b == 1’b1)? 1’b0: 1’b1) : (b);
Y=AB’+A’B
三、 四选一选择器
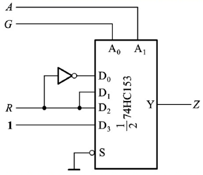
在实际的芯片器件中,用的最多的是双四选一选择器 74HC153
下图是内部逻辑电路图:

四选一只需两位地址输入,四个输入状态选择其中一个
而八选一需要三位地址输入,八个输入状态选择其中一个,利用S’作为第三个地址输入端
因此可以利用这两个四选一选择器接成一个八选一的选择器

四、用选择器设计组合逻辑电路
基本原理:
利用如下关系
一个具有n位地址输入的数据选择器,可以产生任何形式的
输入不大于n+1的组合函数

对于下面的逻辑表达式:

即Z=R’(A’G’)+R(A’G)+R((AG’)+1(AG))

当然也可以用R A 作为选通地址,G作为选通端,将函数化简如下:
Z=(R’A’)G’+(RA’)G+(RA)1
五、例:用Verilog描述一个多路复用器,输入的通道数目N,每一路的位宽为M。
- 代码设计如下:
module mux
#(
parameter m = 8,
parameter n = 8,
parameter width = clogb2(n)
)
(
input [n*m-1:0] indata,
input [width-1:0] sel,
output [m-1:0] outdata
);
assign outdata = indata[(m*(sel+1)-1)-:m];
//-------------------------------------------------------
//以下两个函数任用一个
//求2的对数函数
function integer log2;
input integer value;
begin
value = value-1;
for (log2=0; value>0; log2=log2+1)
value = value>>1;
end
endfunction
//求2的对数函数
function integer clogb2 (input integer bit_depth);
begin
for(clogb2=0; bit_depth>0; clogb2=clogb2+1)
bit_depth = bit_depth>>1;
end
endfunction
endmodule
这里需要注意:
- [n-:m]表示数据位宽为m的从n开始的数据位宽。如reg [6-:3] 表示 reg [6:4]
- 参数传递必须时具体数值,如在parameter定义。
- 求log以2为低的整数,具体方法上面用到的是移位寄存器,即将数据向右移位即可以得到所需最大的整数。
也可以利用下面的方法:
function integer log2(input integer x);
integer i;
begin
log2 = 1;
for (i = 0; 2**i < x; i = i + 1) //不用移位寄存器,只用比较器
begin
log2 = i + 1;
end
end
endfunction
注: 2**i 表示2i
log2(10)等于4
log2(16)等于4
log2(510001000)等于26
最后
以上就是老实夕阳最近收集整理的关于数字电路基础知识——组合逻辑电路(数据选择器MUX、多路复用器)的全部内容,更多相关数字电路基础知识——组合逻辑电路(数据选择器MUX、多路复用器)内容请搜索靠谱客的其他文章。
发表评论 取消回复