



实验电路:





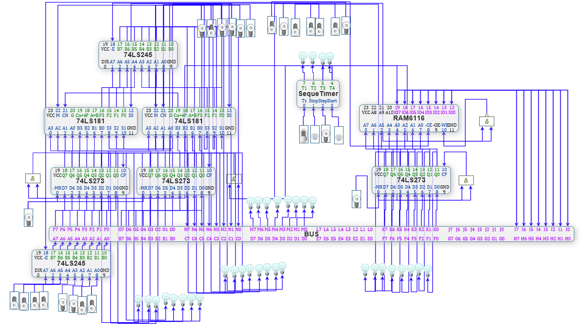
微命令&电路图:
https://download.csdn.net/download/weixin_43924621/19555682
实验结果:
A+B:

C-D:
F^G…
最后
以上就是帅气画板最近收集整理的关于多思计算机组成原理实验五:总线与微命令的全部内容,更多相关多思计算机组成原理实验五内容请搜索靠谱客的其他文章。
本图文内容来源于网友提供,作为学习参考使用,或来自网络收集整理,版权属于原作者所有。




实验电路:





微命令&电路图:
https://download.csdn.net/download/weixin_43924621/19555682
实验结果:
A+B:

C-D:
F^G…
以上就是帅气画板最近收集整理的关于多思计算机组成原理实验五:总线与微命令的全部内容,更多相关多思计算机组成原理实验五内容请搜索靠谱客的其他文章。
发表评论 取消回复