目录
- 一、通讯的基本概念
- 1、串行通讯
- 2、并行通讯
- 3、串行通讯与并行通讯对比
- 4、传输模式(单工、半双工、全双工)
- 二、USART—串口通讯
- 1、物理层
- 2、协议层
- (1)波特率
- (2)起始和停止信号
- (3)有效数据
- (4)数据校验
- 2、异步串行通信的数据接收过程
- 3、USART与UART
- 二、IIC通讯
- 1、物理层
- 2、协议层
- (1)通讯的起始和停止信号
- (2)数据有效性
- (2)地址及数据方向
- (3)响应信号
- 3、I2C 基本读写过程
- 三、SPI通讯
- 1、SPI 物理层
- 2、协议层
- (1)通讯的起始和停止信号
- (2)数据有效性
- (3)CPOL/CPHA 及通讯模式
- 四、RS-485 通讯
- 1、物理层
- 四、CAN—通讯
- 1、CAN 物理层
- (1)闭环总线网络
- (2)开环总线网络
- (3)通讯节点
- (4)差分信号
- 2、未完待续……
- 五、参考文献
一、通讯的基本概念
计算机通信是指将计算机技术和通信技术相结合,完成计算机与外部设备或计算机与计算机之间的信息交换。按照数据传输方式的不同,可以分为串行通信和并行通信两类。
1、串行通讯
特点: 数据逐位传输,传输线少,长距离传输时成本低,但数据的传输控制较复杂。按照实现数据同步的方式,可以分为同步串行和异步串行两种。

2、并行通讯
特点: 多位数据同时传输,传输控制简单,传输速度快,但是在长距离传输时硬件成本较高。

3、串行通讯与并行通讯对比

4、传输模式(单工、半双工、全双工)

二、USART—串口通讯
串口(全双工)通讯(Serial Communication)是一种设备间非常常用的串行通讯方式,因为它简单便捷,大部分电子设备都支持该通讯方式,电子工程师在调试设备时也经常使用该通讯方式输出调试信息。
1、物理层
根据通讯使用的电平标准不同,串口通讯可分为 TTL 标准及 RS-232 标准。

在目前的工业控制使用的串口通讯中,一般使用 RXD、 TXD 以及 GND 三条信号线,直接传输数据信号。
2、协议层
串口通讯的数据包由发送设备通过自身的 TXD 接口传输到接收设备的 RXD 接口。在串口通讯的协议层中,规定了数据包的内容,它由启始位、主体数据、校验位以及停止位组成。

(1)波特率
串口异步通讯中由于没有时钟信号,所以两个通讯设备之间需要约定好波特率,即每个码元的长度,以便对信号进行解码。
波特率是指每秒钟传送二进制数码的位数,以bit/s(bps)为单位。
⚫ 常用的波特率有: 9600、 19200、 38400、 57600和115200;
⚫ 波特率为115200, 表示每秒传输115200位,且每一位数据在数
据线上持续时间为Tbit = 1/115200 ≈ 8.68us。
(2)起始和停止信号
串口通讯的一个数据包从起始信号开始,直到停止信号结束。数据包的起始信号由一个逻辑 0 的数据位表示,而数据包的停止信号可由 0.5、 1、 1.5 或 2 个逻辑 1 的数据位表示,只要双方约定一致即可。
(3)有效数据
在数据包的起始位之后紧接着的就是要传输的主体数据内容,也称为有效数据,有效数据的长度常被约定为 5、 6、 7 或 8 位长。
(4)数据校验
在有效数据之后,有一个可选的数据校验位。由于数据通信相对更容易受到外部干扰导致传输数据出现偏差,可以在传输过程加上校验位来解决这个问题。校验方法有奇校验(odd)、偶校验(even)、 0 校验(space)、 1 校验(mark)以及无校验(noparity)。

2、异步串行通信的数据接收过程

接收过程的本质是数据采集,假设接收端的采样时钟是波特率的16倍。
① 接收过程由起始位的下降沿启动;
② 接收端等待8个时钟周期,以便建立一个接近比特周期中间的采样点;
③ 接收端等待16个时钟周期,使其进入第一个数据位周期的中点;
④ 第一个数据位被采样并存储在接收寄存器中;
⑤ 串口模块在采样第二个数据位之前等待另外16个时钟周期;
⑥ 重复此过程, 直到所有数据位都被采样和存储;
⑦ 由停止位的上升沿使数据线返回到空闲状态。
3、USART与UART
STM32 芯片具有多个 USART 外设用于串口通讯,它是 Universal Synchronous Asynchronous Receiver and Transmitter 的缩写,即通用同步异步收发器可以灵活地与外部设备进行全双工数据交换。有别于 USART,它还有具有 UART 外设(Universal Asynchronous Receiver and Transmitter),它是在 USART 基础上裁剪掉了同步通信功能,只有异步通信。简单区分同步和异步就是看通信时需不需要对外提供时钟输出,我们平时用的串口通信基本都是 UART。
USART 在 STM32 应用最多莫过于“打印”程序信息,一般在硬件设计时都会预留一个 USART 通信接口连接电脑,用于在调试程序是可以把一些调试信息“打印”在电脑端的串口调试助手工具上,从而了解程序运行是否正确、指出运行出错位置等等。
二、IIC通讯
I2C(同步半双工)通讯协议(Inter-Integrated Circuit)是由 Phiilps(飞利浦) 公司开发的,由于它引脚少,硬件实现简单,可扩展性强,不需要 USART、 CAN 等通讯协议的外部收发设备,现在被广泛地使用在系统内多个集成电路(IC)间的通讯。
1、物理层
I2C 通讯设备之间的常用连接方式如下图所示

它的物理层有如下特点:
(1) 它是一个支持多设备的总线。“总线”指多个设备共用的信号线。在一个 I2C 通讯总线中,可连接多个 I2C 通讯设备,支持多个通讯主机及多个通讯从机。
(2) 一个 I2C 总线只使用两条总线线路,一条双向串行数据线(SDA) ,一条串行时钟线(SCL)。数据线即用来表示数据,时钟线用于数据收发同步。
(3) 每个连接到总线的设备都有一个独立的地址,主机可以利用这个地址进行不同设备之间的访问。
(4) 总线通过上拉电阻接到电源。当 I2C 设备空闲时,会输出高阻态,而当所有设备都空闲,都输出高阻态时,由上拉电阻把总线拉成高电平。
(5) 多个主机同时使用总线时,为了防止数据冲突,会利用仲裁方式决定由哪个设备占用总线。
(6) 具有三种传输模式:标准模式传输速率为 100kbit/s ,快速模式400kbit/s ,高速模式下可达 1Mbit/s,但目前大多 I2C 设备尚不支持高速模式。
(7) 连接到相同总线的 IC 数量受到总线的最大电容 400pF 限制 。
2、协议层
I2C 总线在传送数据过程中共有三种类型信号, 它们分别是:起始信号、停止信号和应答信号。
(1)通讯的起始和停止信号
起始信号: SCL 为高电平时, SDA 由高电平向低电平跳变,开始传送数据。
//软件模拟 IIC 起始信号
void IIC_Start(void)
{
SDA_OUT(); //sda 线输出
IIC_SDA=1;
IIC_SCL=1;
delay_us(4);
IIC_SDA=0;//START:when CLK is high,DATA change form high to low
delay_us(4);
IIC_SCL=0;//钳住 I2C 总线,准备发送或接收数据
}
停止信号: SCL 为高电平时, SDA 由低电平向高电平跳变,结束传送数据。
//产生 IIC 停止信号
void IIC_Stop(void)
{
SDA_OUT();//sda 线输出
IIC_SCL=0;
IIC_SDA=0;//STOP:when CLK is high DATA change form low to high
delay_us(4);
IIC_SCL=1;
IIC_SDA=1;//发送 I2C 总线结束信号
delay_us(4);
}

(2)数据有效性
I2C 使用 SDA 信号线来传输数据,使用 SCL 信号线进行数据同步。见图 23-6。 SDA数据线在 SCL 的每个时钟周期传输一位数据。传输时, SCL 为高电平的时候 SDA 表示的数据有效,即此时的 SDA 为高电平时表示数据“1”,为低电平时表示数据“0”。当 SCL为低电平时, SDA 的数据无效,一般在这个时候 SDA 进行电平切换,为下一次表示数据做好准备。

每次数据传输都以字节为单位,每次传输的字节数不受限制。
(2)地址及数据方向
I2C 总线上的每个设备都有自己的独立地址,主机发起通讯时,通过 SDA 信号线发送设备地(SLAVE_ADDRESS)来查找从机。 I2C 协议规定设备地址可以是 7 位或 10 位,实际中 7 位的地址应用比较广泛。紧跟设备地址的一个数据位用来表示数据传输方向,它是数据方向位(R/W),第 8 位或第 11 位。数据方向位为“1”时表示主机由从机读数据,该位为“0”时表示主机向从机写数据。

读数据方向时,主机会释放对 SDA 信号线的控制,由从机控制 SDA 信号线,主机接收信号,写数据方向时, SDA 由主机控制,从机接收信号。
(3)响应信号
I2C 的数据和地址传输都带响应。响应包括“应答(ACK)”和“非应答(NACK)”两种信号。作为数据接收端时,当设备(无论主从机)接收到 I2C 传输的一个字节数据或地址后,若希望对方继续发送数据,则需要向对方发送“应答(ACK)”信号,发送方会继续发送下一个数据;若接收端希望结束数据传输,则向对方发送“非应答(NACK)”信号,发送方接收到该信号后会产生一个停止信号,结束信号传输。

传输时主机产生时钟,在第 9 个时钟时,数据发送端会释放 SDA 的控制权,由数据接收端控制 SDA,若 SDA 为高电平,表示非应答信号(NACK),低电平表示应答信号(ACK)。
//等待应答信号到来
//返回值: 1,接收应答失败
// 0,接收应答成功
u8 IIC_Wait_Ack(void)
{
u8 ucErrTime=0;
SDA_IN(); //SDA 设置为输入
IIC_SDA=1;delay_us(1);
IIC_SCL=1;delay_us(1);
while(READ_SDA)
{
ucErrTime++;
if(ucErrTime>250)
{
IIC_Stop();
return 1;
}
}
IIC_SCL=0;//时钟输出 0
return 0;
}
//产生 ACK 应答
void IIC_Ack(void)
{
IIC_SCL=0;
SDA_OUT();
IIC_SDA=0;
delay_us(2);
IIC_SCL=1;
delay_us(2);
IIC_SCL=0;
}
//不产生 ACK 应答
void IIC_NAck(void)
{
IIC_SCL=0;
SDA_OUT();
IIC_SDA=1;
delay_us(2);
IIC_SCL=1;
delay_us(2);
IIC_SCL=0;
}
//IIC 发送一个字节
//返回从机有无应答
//1,有应答
//0,无应答
void IIC_Send_Byte(u8 txd)
{
u8 t;
SDA_OUT();
IIC_SCL=0;//拉低时钟开始数据传输
for(t=0;t<8;t++)
{
IIC_SDA=(txd&0x80)>>7;
txd<<=1;
delay_us(2); //对 TEA5767 这三个延时都是必须的
IIC_SCL=1;
delay_us(2);
IIC_SCL=0;
delay_us(2);
}
}
3、I2C 基本读写过程

除了基本的读写, I2C 通讯更常用的是复合格式,即第三幅图的情况,该传输过程有两次起始信号(S)。一般在第一次传输中,主机通过 SLAVE_ADDRESS 寻找到从设备后,发送一段“数据”,这段数据通常用于表示从设备内部的寄存器或存储器地址(注意区分它与 SLAVE_ADDRESS 的区别);在第二次的传输中,对该地址的内容进行读或写。也就是说,第一次通讯是告诉从机读写地址,第二次则是读写的实际内容。
三、SPI通讯
SPI (同步全双工)协议是由摩托罗拉公司提出的通讯协议(Serial Peripheral Interface),即串行外围设备接口,是一种高速全双工的通信总线。它被广泛地使用在 ADC、 LCD 等设备与 MCU 间,要求通讯速率较高的场合。
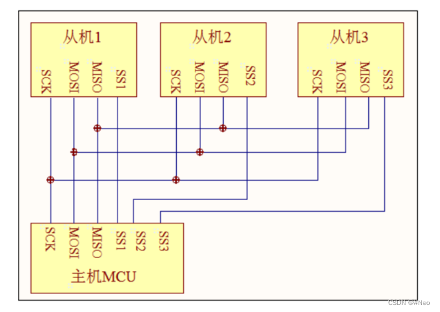
1、SPI 物理层
SPI 通讯设备之间的常用连接方式如下图所示。

SPI 通讯使用 3 条总线及片选线, 3 条总线分别为 SCK、 MOSI、 MISO,片选线为SS,它们的作用介绍如下:
(1) SS( Slave Select):从设备选择信号线,常称为片选信号线,也称为 NSS、 CS,以下用 NSS 表示。 当有多个 SPI 从设备与 SPI 主机相连时,设备的其它信号线 SCK、MOSI 及 MISO 同时并联到相同的 SPI 总线上,即无论有多少个从设备,都共同只使用这 3 条总线;而每个从设备都有独立的这一条 NSS 信号线,本信号线独占主机的一个引脚,即有多少个从设备,就有多少条片选信号线。 I2C 协议中通过设备地址来寻址、选中总线上的某个设备并与其进行通讯;而 SPI 协议中没有设备地址,它使用 NSS 信号线来寻址,当主机要选择从设备时,把该从设备的 NSS 信号线设置为低电平,该从设备即被选中,即片选有效,接着主机开始与被选中的从设备进行 SPI 通讯。所以SPI 通讯以 NSS 线置低电平为开始信号,以 NSS 线被拉高作为结束信号。
(2) SCK (Serial Clock): 时钟信号线,用于通讯数据同步。它由通讯主机产生,决定了通讯的速率,不同的设备支持的最高时钟频率不一样,如 STM32 的 SPI 时钟频率最大为fpclk/2,两个设备之间通讯时,通讯速率受限于低速设备。
(3) MOSI (Master Output, Slave Input):主设备输出/从设备输入引脚。主机的数据从这条信号线输出,从机由这条信号线读入主机发送的数据,即这条线上数据的方向为主机到从机。
(4) MISO(Master Input,, Slave Output):主设备输入/从设备输出引脚。主机从这条信号线读入数据,从机的数据由这条信号线输出到主机,即在这条线上数据的方向为从机到主机。
2、协议层

(1)通讯的起始和停止信号
NSS 信号线由高变低,是 SPI 通讯的起始信号。 NSS 是每个从机各自独占的信号线,当从机检在自己的 NSS 线检测到起始信号后,就知道自己被主机选中了,开始准备与主机通讯。在图中的标号处, NSS 信号由低变高,是 SPI 通讯的停止信号,表示本次通讯结束,从机的选中状态被取消。
(2)数据有效性
SPI 使用 MOSI 及 MISO 信号线来传输数据,使用 SCK 信号线进行数据同步。 MOSI及 MISO 数据线在 SCK 的每个时钟周期传输一位数据,且数据输入输出是同时进行的。MOSI 及 MISO 的数据在 SCK 的上升沿期间变化输出,在 SCK 的下降沿时被采样。即在 SCK 的下降沿时刻, MOSI 及 MISO 的数据有效,高电平时表示数据“1”,为低电平时表示数据“0”。在其它时刻,数据无效, MOSI 及 MISO为下一次表示数据做准备。SPI 每次数据传输可以 8 位或 16 位为单位,每次传输的单位数不受限制。
(3)CPOL/CPHA 及通讯模式
上面讲述的图中的时序只是 SPI 中的其中一种通讯模式, SPI 一共有四种通讯模式,它们的主要区别是总线空闲时 SCK 的时钟状态以及数据采样时刻。为方便说明,在此引入“时钟极性 CPOL”和“时钟相位 CPHA”的概念。
时钟极性 CPOL 是指 SPI 通讯设备处于空闲状态时, SCK 信号线的电平信号(即 SPI 通讯开始前、 NSS 线为高电平时 SCK 的状态)。 CPOL=0 时, SCK 在空闲状态时为低电平,CPOL=1 时,则相反。
时钟相位 CPHA 是指数据的采样的时刻,当 CPHA=0 时, MOSI 或 MISO 数据线上的信号将会在 SCK 时钟线的“奇数边沿‖被采样。当 CPHA=1 时,数据线在 SCK 的“偶数边沿”采样。
CPHA=0 时的 SPI 通讯模式:

CPHA=1 时的 SPI 通讯模式:

由 CPOL 及 CPHA 的不同状态, SPI 分成了四种模式,主机与从机需要工作在相同的模式下才可以正常通讯,实际中采用较多的是“模式 0”与“模式 3”。

四、RS-485 通讯
RS-485 是一种(异步半双工)工业控制环境中常用的通讯协议,它具有抗干扰能力强、传输距离远的特点。 RS-485 通讯协议由 RS-232 协议改进而来,协议层不变,只是改进了物理层,因而保留了串口通讯协议应用简单的特点。
1、物理层
RS-485 协议主要是把 RS-232 的信号改进成差分信号,从而大大提高了抗干扰特性,它的通讯网络如下图:

每个节点都是由一个通讯控制器和一个收发器组成,在 RS-485 通讯网络中,节点中的串口控制器使用 RX 与 TX信号线连接到收发器上,而收发器通过差分线连接到网络总线,串口控制器与收发器之间一般使用 TTL 信号传输,收发器与总线则使用差分信号来传输。发送数据时,串口控制器的 TX 信号经过收发器转换成差分信号传输到总线上,而接收数据时,收发器把总线上的差分信号转化成 TTL 信号通过 RX 引脚传输到串口控制器中。
RS-485 通讯网络的最大传输距离可达 1200 米,总线上可挂载 128 个通讯节点,而由于 RS-485 网络只有一对差分信号线,它使用差分信号来表达逻辑,当 AB 两线间的电压差为-6V——-2V 时表示逻辑 1,当电压差为+2V——+6V 表示逻辑 0,在同一时刻只能表达一个信号,所以它的通讯是半双工形式的。
四、CAN—通讯
CAN 是控制器局域网络(Controller Area Network)的简称, 它是由研发和生产汽车电子产品著称的德国 BOSCH 公司开发的,并最终成为国际标准(ISO11519) , 是国际上应用最广泛的现场总线之一。
CAN 总线协议已经成为汽车计算机控制系统和嵌入式工业控制局域网的标准总线,并且拥有以 CAN 为底层协议专为大型货车和重工机械车辆设计的 J1939 协议。近年来, 它具有的高可靠性和良好的错误检测能力受到重视,被广泛应用于汽车计算机控制系统和环境温度恶劣、电磁辐射强及振动大的工业环境。
1、CAN 物理层
与 I2C、 SPI 等具有时钟信号的同步通讯方式不同, CAN 通讯并不是以时钟信号来进行同步的,它是一种异步通讯,只具有 CAN_High 和 CAN_Low 两条信号线,共同构成一组差分信号线,以差分信号的形式进行通讯。
(1)闭环总线网络
CAN 物理层的形式主要有两种,下图中的 CAN 通讯网络是一种遵循 ISO11898 标准的高速、短距离“闭环网络”,它的总线最大长度为 40m,通信速度最高为 1Mbps,总线的两端各要求有一个“120 欧”的电阻。

(2)开环总线网络
下图是遵循 ISO11519-2 标准的低速、远距离“开环网络”,它的最大传输距离为 1km,最高通讯速率为 125kbps,两根总线是独立的、不形成闭环,要求每根总线上各串联有一个“2.2 千欧”的电阻。

(3)通讯节点
从 CAN 通讯网络图可了解到, CAN 总线上可以挂载多个通讯节点,节点之间的信号经过总线传输,实现节点间通讯。由于 CAN 通讯协议不对节点进行地址编码,而是对数据内容进行编码的,所以网络中的节点个数理论上不受限制,只要总线的负载足够即可,可以通过中继器增强负载。
CAN 通讯节点由一个 CAN 控制器及 CAN 收发器组成,控制器与收发器之间通过CAN_Tx 及 CAN_Rx 信号线相连,收发器与 CAN 总线之间使用 CAN_High 及 CAN_Low信号线相连。其中 CAN_Tx 及 CAN_Rx 使用普通的类似 TTL 逻辑信号,而 CAN_High 及CAN_Low 是一对差分信号线,使用比较特别的差分信号,下一小节再详细说明。
当 CAN 节点需要发送数据时, 控制器把要发送的二进制编码通过 CAN_Tx 线发送到收发器,然后由收发器把这个普通的逻辑电平信号转化成差分信号,通过差分线CAN_High 和 CAN_Low 线输出到 CAN 总线网络。而通过收发器接收总线上的数据到控制器时,则是相反的过程,收发器把总线上收到的 CAN_High 及 CAN_Low 信号转化成普通的逻辑电平信号,通过 CAN_Rx 输出到控制器中。
例如, STM32 的 CAN 片上外设就是通讯节点中的控制器,为了构成完整的节点,还要给它外接一个收发器,在我们实验板中使用型号为 TJA1050 的芯片作为 CAN 收发器。CAN 控制器与 CAN 收发器的关系如同 TTL 串口与 MAX3232 电平转换芯片的关系,MAX3232 芯片把 TTL 电平的串口信号转换成 RS-232 电平的串口信号, CAN 收发器的作用则是把 CAN 控制器的 TTL 电平信号转换成差分信号(或者相反)。
(4)差分信号
差分信号又称差模信号,与传统使用单根信号线电压表示逻辑的方式有区别,使用差分信号传输时,需要两根信号线,这两个信号线的振幅相等,相位相反,通过两根信号线的电压差值来表示逻辑 0 和逻辑 1。

相对于单信号线传输的方式,使用差分信号传输具有如下优点:
⚫抗干扰能力强,当外界存在噪声干扰时,几乎会同时耦合到两条信号线上,而接收端只关心两个信号的差值,所以外界的共模噪声可以被完全抵消。
⚫能有效抑制它对外部的电磁干扰,同样的道理,由于两根信号的极性相反,他们对外辐射的电磁场可以相互抵消,耦合的越紧密,泄放到外界的电磁能量越少。
⚫时序定位精确, 由于差分信号的开关变化是位于两个信号的交点,而不像普通单端信号依靠高低两个阈值电压判断,因而受工艺,温度的影响小,能降低时序上的误差,同时也更适合于低幅度信号的电路。
由于差分信号线具有这些优点,所以在 USB 协议、 485 协议、以太网协议及 CAN 协议的物理层中,都使用了差分信号传输。
2、未完待续……
对CAN协议的学习就这么多了,等把剩下的学习完继续补上。
五、参考文献
【1】STM32 HAL 库开发实战指南—基于野火 F429 挑战者 V2 开发板
最后
以上就是魁梧魔镜最近收集整理的关于常见的通讯协议总结(USART、IIC、SPI、485、CAN)一、通讯的基本概念二、USART—串口通讯二、IIC通讯三、SPI通讯四、RS-485 通讯四、CAN—通讯五、参考文献的全部内容,更多相关常见的通讯协议总结(USART、IIC、SPI、485、CAN)一、通讯的基本概念二、USART—串口通讯二、IIC通讯三、SPI通讯四、RS-485内容请搜索靠谱客的其他文章。
发表评论 取消回复