我是靠谱客的博主 坚强咖啡豆,这篇文章主要介绍【Verilog】移位寄存器总结:移位寄存器、算数移位寄存器、线性反馈移位寄存器(LFSR)一、移位寄存器二、算数移位寄存器三、 线性反馈移位寄存器LFSR(linear feedback shift register ),现在分享给大家,希望可以做个参考。
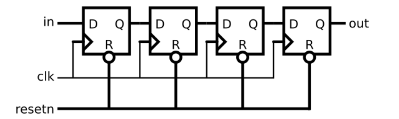
一、移位寄存器

module top_module(
input clk,
input resetn,
input in,
output out
);
reg [3:0] q;
always @(posedge clk) begin
if (resetn == 1'b0) begin
q <= 4'd0;
end
else begin
q <= {in,q[3:1]};//右移
end
end
assign out = q[0];
endmodule
二、算数移位寄存器
- 算数左移:和逻辑左移一样。空出来的位用0补;
- 算数右移:算术移位,也就是包含符号位的移位,对于正数来说,最高位为0,对于负数来说,最高位为1,所以进行算术移位时,如果是左移,那不用管符号位的问题,如果是右移,就要将符号位补在高位。比如:5位数字11000算术右移1为11100,而逻辑右移将产生01100;5位数字01000算术右移1等于00100,而逻辑右移将产生相同的结果,因为原始数字是非负的。
module top_module(
input clk,
input load,
input ena,
input [1:0] amount,
input [63:0] data,
output reg [63:0]q
);
always @(posedge clk ) begin
if (load) begin
q <= data;
end
else if (ena) begin
case(amount)
2'b00:q <= q<<1; //左移一位
2'b01:q <= q<<8; //左移八位
2'b10:begin //右移一位
if(q[63] == 0)begin
q <= q>>1;
end
else begin
q <= {1'b1,q[63:1]};
end
end
2'b11:begin //右移八位
if(q[63] == 0)begin
q <= q >> 8;
end
else begin
q <= {8'b1111_1111,q[63:8]};
end
end
endcase
end
end
endmodule
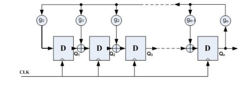
三、 线性反馈移位寄存器LFSR(linear feedback shift register )
相关参考文章
LFSR用于产生可重复的伪随机序列PRBS,。如图所示。其中gn为反馈系数,取值只能为0或1,取为0时表明不存在该反馈之路,取为1时表明存在该反馈之路;这里的反馈系数决定了产生随机数的算法的不同。

- 组成: 由n级触发器和一些异或门组成。
- LFSR初始值: 伪随机序列的种子。
- 抽头: 影响下一个状态的比特位。
- 含有N个触发器的LFSR电路最多可以产生2的n次方减1个序列。
1、伽罗瓦LFSR(Galois LFSR)
伽罗瓦LFSR是一到多型的LFSR,即最后一个触发器的输出 与抽头序列对应位置触发器前一级触发器的输出 相异或逻辑来驱动多个抽头序列对应位置触发器的输入,如下图所示。

Galois LFSR:其中抽头的位置与输出位异或,以产生其下一个值。如果仔细选择抽头位置,则LFSR可以设置为“最大长度”。n位的最大长度LFSR有2^(n-1)个状态(永远不会达到全零状态)。
- 例子:构建一个32位Galois LFSR,在32、22、2和1位的位置处使用抽头。
module top_module(
input clk,
input reset,
output reg [31:0]q
);
reg [31:0] q_next;
integer i;
always @(*) begin
for(i = 0;i<32;i++)begin
if(i == 0 ||i == 1||i == 21)begin
q_next[i] <= q[i+1] ^ q[0];
end
else if (i == 31) begin
q_next[i] <= 1'b0 ^ q[0];
end
else begin
q_next[i] <= q[i+1];
end
end
end
always @(posedge clk) begin
if (reset) begin
q <= 32'h1;
end
else begin
q <= q_next;
end
end
endmodule
2、斐波那契LFSR
斐波那契LFSR也可以称为多到一型LFSR,即抽头序列对应bit位置的多个触发器的输出通过异或逻辑来驱动一个触发器的输入。如下图所示。

最后
以上就是坚强咖啡豆最近收集整理的关于【Verilog】移位寄存器总结:移位寄存器、算数移位寄存器、线性反馈移位寄存器(LFSR)一、移位寄存器二、算数移位寄存器三、 线性反馈移位寄存器LFSR(linear feedback shift register )的全部内容,更多相关【Verilog】移位寄存器总结:移位寄存器、算数移位寄存器、线性反馈移位寄存器(LFSR)一、移位寄存器二、算数移位寄存器三、内容请搜索靠谱客的其他文章。
本图文内容来源于网友提供,作为学习参考使用,或来自网络收集整理,版权属于原作者所有。
发表评论 取消回复